Evaluation of the effectiveness of incomplete phase pulse width modulation algorithms in the converter-electric motor system
- Authors: Saushev A.V.1, Belousov I.V.1, Samoseyko V.F.1
-
Affiliations:
- Admiral Makarov State University of Maritime and Inland Shipping
- Issue: Vol 10, No 3 (2024)
- Pages: 338-350
- Section: Original studies
- URL: https://transsyst.ru/transj/article/view/630998
- DOI: https://doi.org/10.17816/transsyst630998
- ID: 630998
Cite item
Full Text
Abstract
Aim. This study evaluates the effectiveness of incomplete-phase algorithms for pulse width modulation of three-phase voltages in frequency control of electric drives, using integral current dispersion in the load as the criterion.
Materials and methods. This study examines pulse width modulation processes in frequency-controlled electric drives, focusing on the converter-electric motor system. Methods from electric circuit theory are used, with proposed algorithms illustrated through drawings, and these drawing can be implemented in the matrix laboratory software.
Results. The process of pulse width modulation in the converter-electric motor system is considered. It is demonstrated that to minimize the number of switching keys in the frequency converter, incomplete-phase pulse width modulation algorithms are beneficial. Expressions for local dispersion of the interphase current in single-phase and two-phase modulation are analyzed. An expression for local current dispersion in a three-phase bridge circuit load is derived, and the concept of integral current dispersion in a three-phase load is derived. Indicators for evaluating the effectiveness of algorithms for incomplete-phase pulse width modulation are proposed. Graphs the efficiency coefficient, characterizing incomplete-phase pulse width modulation with a minimum number of switching of key elements in the function of the amplitude coefficient and in the function of the relative frequency of modulation are constructed.
Conclusion. The results aid in developing algorithms for controlling frequency converters in asynchronous electric drive systems.
Full Text
ВВЕДЕНИЕ
Системы широтно-импульсной модуляции (ШИМ) находят самое широкое использование при синтезе разнообразных систем управления электроприводами. На транспорте, в настоящее время, основное применение находит асинхронный электропривод, для управления которым, как правило, используются системы частотного скалярного и векторного управления. Одной из важнейших задач ШИМ напряжения, формируемого электронно-ключевым преобразователем в системе преобразователь–электродвигатель, является снижение пульсаций тока на периоде модуляции [1–6]. При этом мера расхождения между желаемым напряжением и его импульсной аппроксимацией является важнейшей характеристикой качества модуляции. Чем меньше это расхождение, тем выше качество модуляции. Показатели качества ШИМ существенно зависят от частоты следования импульсов. При этом, с одной стороны, увеличение частоты модуляции позволяет более точно формировать напряжение на выходе преобразователя частоты, приблизив его к синусоидальной функции, а, с другой стороны, ведет к возрастанию динамических потерь в электронных ключах этого преобразователя, который является важнейшим силовым элементом электропривода. Таким образом, повышение качества модуляции лишь за счет повышения частоты модуляции не дает желаемого эффекта и приводит к дополнительным потерям.
В работе [7] установлено, что основным критерием, определяющим качество модуляции, по которому следует сравнивать алгоритмы ШИМ, является дисперсия тока в нагрузке. При этом важнейшим показателем качества ШИМ является также число коммутаций ключей преобразователя частоты. Это обусловлено тем, что уменьшение числа коммутаций ключей на периоде модулирующей функции ведет к снижению динамических потерь энергии в электронных ключах. В работах [3–6, 8–13] показано, что для минимизации числа коммутаций ключей преобразователя частоты целесообразно применение неполнофазных алгоритмов ШИМ (Н-ШИМ). Возможные алгоритмы Н-ШИМ достаточно подробно рассмотрены в работе [14].
Очевидно, что реализация любого алгоритма Н-ШИМ приведет к увеличению дисперсии тока, которая, как отмечалось, является критерием качества модуляции. Однако, минимизация числа коммутаций, которая имеет место в Н-ШИМ ведет к снижению динамических потерь энергии в ключах, что позволит увеличить частоту модуляции и уменьшить дисперсию тока.
Целью статьи является оценка алгоритмов модуляции Н-ШИМ трехфазного напряжения по величине дисперсии тока при заданных потерях энергии в ключевых элементах. Для решения указанной задачи необходимо найти интегральную дисперсию тока, порождаемую алгоритмы Н-ШИМ и сравнить ее с интегральной дисперсией тока, которая имеет место при полнофазной ШИМ (П-ШИМ).
ЛОКАЛЬНАЯ ДИСПЕРСИЯ ТОКА В АЛГОРИТМАХ НЕПОЛНОФАЗНОЙ ТРЕХФАЗНОЙ ШИМ
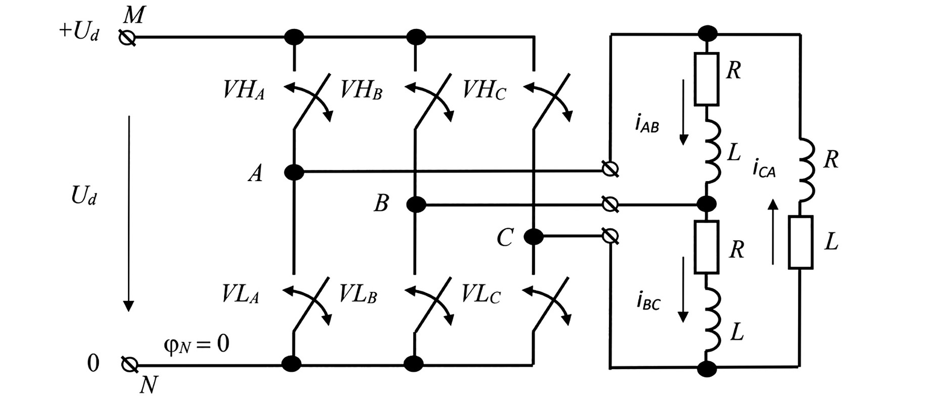
Известно, что широтно-импульсная модуляция трехфазного напряжения реализуется на трех электронно-ключевых полумостах преобразователя частоты (Рис. 1).
Рис. 1. Иллюстрация широтно-импульсной модуляции напряжения
Fig. 1. Illustration of pulse-width voltage modulation
Полумосты трехфазного электронно-ключевого моста далее обозначаются A, B, C. Управление полумостами осуществляется так, что включен либо верхний, либо нижний ключ. Следовательно, для описания управления полумостами X = A, B, C достаточно задать, коммутационные импульсные функции верхних ключей.
Предполагается, что заданы модулирующие функции фазных напряжений gA = uA /Ud ; gB = uB /Ud ; gC = uC /Ud , где uA, uB, uC – фазные напряжения на нагрузке; Ud – напряжение источника питания, которые удовлетворяют соотношению .
Модулирующие функции линейных напряжений gAB = uAB /Ud ; gBC = uBC /Ud ; gCA = uCA /Ud связаны с модулирующими функциями фазных напряжений и модулирующими функциями потенциалов полумостов известными соотношениями [14]:
,
где γX – скважность импульса в полумосте X = A, B, C.
В работе [15] показано, что если заданы модулирующие функции фазных напряжений gA(τ), gB(τ), gC(τ), то булева переменная x0, определяющая чередование включенного состояния верхних и нижних ключей мостовой схемы (Рис. 1) будет иметь вид:
, (1)
где τ – относительное время; β ∈ [–f */12, f */12] – параметр сдвига булевой функции; f * – относительная частота модуляции.
В алгоритме Н-ШИМ в двух фазах нагрузки выполняется однофазная модуляция напряжения, а в третьей фазе – двухфазная. Для определения дисперсии тока в нагрузке достаточно рассмотреть ситуацию, когда модулирующие функции фазных напряжений удовлетворяют неравенствам gA ≥ gB ≥ gC. Будем полагать, что включен нижний ключ полумоста С и потенциал узла С равен нулю. Тогда между узлами A–С и B–C трехфазной мостовой цепи (Рис. 1) будет однофазная модуляция, между узлами A–B – двухфазная.
Локальная дисперсия тока при однофазной модуляции, как показано в работе [7] определяется выражением
,
где – коэффициент смещения импульса относительно середины интервала ШИМ; γX – моделирующая функция потенциала полумоста (потенциал узла X); ∆γX – приращение моделирующей функции полумоста на интервале модуляции.
Используя это выражение, запишем локальную дисперсию тока при однофазной модуляции между узлами A–С и дисперсию между узлами B–C трехфазной мостовой цепи (Рис. 1) в следующем виде:
,
,
где gAC = gA – gC ; ∆gAC = ∆gA – ∆gC ; ∆αAС = ∆αA – ∆αС = 11/96⋅∆gAС ; gBC = gB – gC ; ∆gBC = ∆gB – ∆gC ; ∆αBС = ∆αB – ∆αC = 11/96⋅∆gBC .
Локальная дисперсия межфазного тока iAB при двухфазной модуляции на основании работы [7] определяется выражением
Используя это выражение, получим локальную дисперсию тока между узлами A–B трехфазной мостовой цепи (Рис. 1):
,
где gAB = gA – gB ; ∆gAB = ∆gA – ∆gB ; ∆αAB = ∆αA – ∆αB = 11/96⋅∆gAB.
Так как линейные и фазные переменные этих дисперсий связаны между собой известными соотношениями, то сами дисперсии можно рассматривать как функции фазных переменных. Локальную дисперсию тока в нагрузке трехфазного моста можно найти как среднее значение дисперсий токов между полумостами X = A, B, C:
.
Локальная дисперсия токов в нагрузке трехфазного моста будет знакоположительной пульсирующей функцией с периодом пульсаций f */6, где f * – относительная частота модуляции.
ИНТЕГРАЛЬНАЯ ДИСПЕРСИЯ ТОКА
Поскольку наиболее востребованными являются алгоритмы с синусоидальными модулирующими функциями напряжений, то интегральную дисперсию тока будем находить при синусоидальных модулирующих функциях фазных напряжений X = 1, 2, 3 [7, 15]
,
где a – коэффициент амплитуды напряжения.
Приращения модулирующих функций фазных напряжений на периоде ШИМ определяются выражением
.
Модулирующие функции линейных напряжений связаны с модулирующими функциями фазных напряжений соотношениями
; ; ;
; ; .
Смещения импульсов относительно центра интервала ШИМ полумостов X = A, B, C на основании работы [7] будем учитывать выражением , которое минимизирует дисперсию тока в нагрузке.
Так как коэффициент смещения импульсов ∆aX и функция предмодуляции g0 зависят от относительного времени τ, то локальную дисперсию тока в нагрузке трехфазного моста следует рассматривать как сложную функцию относительного времени τ.
Интегральную дисперсию тока в трехфазной нагрузке будем рассматривать как функцию от коэффициента амплитуды a, относительной частоты модуляции f *, коэффициента смещения импульсов ∆aX и функции предмодуляции g0. Определим интегральную дисперсию тока для двух значений параметра сдвига булевой функции β = 0 и β = f */12. В зависимости от вида функции предмодуляции, полученной в работе [14]:
,
интегральную дисперсию тока можно вычислить по формулам:
(2)
, (3)
где D(gX, γ0, ∆gX, ∆αX) – локальная дисперсия токов в нагрузке трехфазного моста; ε = T0/T – характеристика фильтрующих свойств нагрузки, T – постоянная времени фильтра, T0 – период модуляции; g0HL0 = g0(0) и g0HL1 = g0(f */12) – функции предмодуляции при значениях параметра сдвига булевой функции β = 0 и β = f */12.
По формулам (2) и (3) определяются дисперсии тока при значениях параметра сдвига булевой функции (1) на границах интервала β ∈ [0, f */12].
Для сравнительной оценки алгоритмов Н-ШИМ сформируем критерий в виде коэффициентов эффективности:
и ,
где ED(a, f *, ∆αXО, g0O) – минимальное значение интегральной дисперсии тока в трехфазной нагрузке при оптимальной функции предмодуляции и коэффициенте смещения импульсов ∆aXO = ∆aX (X = A, B, C).
Выражения для минимального значения дисперсии и функции предмодуляции получены в работах [7, 15] и имеют вид:
.
,
где a – коэффициент амплитуды напряжения.
Графики коэффициента эффективности, характеризующие алгоритмы Н-ШИМ при различных значениях параметра сдвига β булевой функции (1) приведены на Рис. 2.
Рис. 2. Графики коэффициента эффективности алгоритмов с минимальным числом коммутаций ключей в функции: a) коэффициента амплитуды; b) относительной частоты модуляции
Fig. 2. Graphs of the efficiency coefficient of algorithms with a minimum number of key switches in the function: a) the amplitude coefficient; b) the relative frequency of modulation
Из данных графиков следует, что параметр сдвига β булевой функции (1) не значительно влияет на дисперсию токов трехфазной нагрузки. Наименьшее значение дисперсия тока принимает при значении параметра сдвига β = f */12. При малых значениях коэффициента амплитуды эффективность использования алгоритма Н-ШИМ существенно снижается. При стремлении коэффициента амплитуды напряжения к нулю a→0 дисперсия тока алгоритма Н-ШИМ увеличивается в 4 раза.
ЗАКЛЮЧЕНИЕ
Использование в системах частотного управления электроприводами алгоритмов Н-ШИМ объективно приводит к увеличению дисперсии тока в нагрузке, которая является основным критерием качества модуляции. Вместе с тем, минимизация числа коммутаций ключевых элементов, которую обеспечивают алгоритмы Н-ШИМ приводит к снижению динамических потерь энергии в этих элементах и как следствие повышает частоту модуляции и снижают дисперсию тока. Полученная оценка эффективности алгоритмов Н-ШИМ позволяет количественно сравнить между собой алгоритмы Н-ШИМ и П-ШИМ в конкретных системах преобразователь–электродвигатель. Дальнейшим направлением исследований может являться разработка оптимального по критерию эффективности алгоритма трехфазной ШИМ с учетом ограничения на потери мощности в электронных ключах.
Авторы заявляют, что:
- У них нет конфликта интересов;
- Настоящая статья не содержит каких-либо исследований с участием людей в качестве объектов исследований.
The authors state that:
- They have no conflict of interest;
- This article does not contain any studies involving human subjects.
About the authors
Alexander V. Saushev
Admiral Makarov State University of Maritime and Inland Shipping
Author for correspondence.
Email: saushev@bk.ru
ORCID iD: 0000-0003-2657-9500
SPIN-code: 9692-8603
Doctor of Sciences in Engineering, Head of the Department of Electric Drive and Electrical Equipment Shore Installations
Russian Federation, Saint PetersburgIgor V. Belousov
Admiral Makarov State University of Maritime and Inland Shipping
Email: igor5.spb@yandex.ru
ORCID iD: 0000-0002-9754-1318
SPIN-code: 9055-5945
Associate Professor, Department of Electric Drive and Electrical Equipment of Coastal Installations
Russian Federation, Saint PetersburgVeniamin F. Samoseyko
Admiral Makarov State University of Maritime and Inland Shipping
Email: samoseyko@mail.ru
SPIN-code: 5813-4505
Professor, Department of Electric Drive and Electrical Equipment of Coastal Installations
Russian Federation, Saint PetersburgReferences
- Hava AM, Çetin NO. A Generalized Scalar PWM Approach with Easy Implementation Features for Three-Phase, Three-Wire Voltage-Source Inverters. IEEE Transactions on Power Electronics. 2010;26(5):1385–1395. doi: 10.1109/TPEL.2010.2081689
- Mao X, Ayyanar R, Krishnamurthy HK. Optimal variable switching frequency scheme for reducing switching loss in single-phase inverters based on time-domain ripple analysis. IEEE Transactions on Power Electronics. 2009;24(4):991–1001. doi: 10.1109/TPEL.2008.2009635
- Klimov V. Chastotno-energeticheskie parametry shim-invertorov sistem bespereboinogo pitaniya. Silovaya elektronika. 2009;22:66–71. (In Russ.) [cited: 09.03.2023] Available from: https://power-e.ru/wp-content/uploads/2009_4_66.pdf
- Madhavi R, Harinath C. Investigation of various space vector pwm techniques for inverter. International Journal of Engineering Research and Management (IJERM). 2014;1(7):162–165. [cited: 09.03.2023] Available from: https://www.ijerm.com/download_data/IJERM0110071.pdf
- Dmitriev BF, Galushin SYa, Likhomanov AM, Rozov AYu. Trekhfaznaya sinusoidal’naya modifitsirovannaya shirotno-impul’snaya modulyatsiya pervogo roda v avtonomnykh invertorakh. Morskoi vestnik. 2017;1(61):69–72. (In Russ.) [cited: 09.03.2023] Available from: http://morvest.ru/Full%20articles/MV-61_to%20Web.pdf
- Gus’kov VO, Lavin AV. Sravnitel’nyi analiz matematicheskikh opisanii i metodov shirotno-impul’snoi modulyatsii. Vestnik Astrakhanskogo gosudarstvennogo tekhnicheskogo universiteta. Seriya: Morskaya tekhnika i tekhnologiya. 2023;3:74–81. (In Russ.). doi: 10.24143/2073-1574-2023-3-74-81
- Belousov IV, Samoseiko VF, Saushev AV. Optimal pulse width modulation in the electric drive control system. Vestnik Gosudarstvennogo universiteta morskogo i rechnogo flota imeni admirala S O Makarova. 2022;14(3):463–71. (In Russ.). doi: 10.21821/2309-5180-2022-14-3-463-471
- Hava AM, Kerkman RJ, Lipo TA. A High Performance Generalized Discontinuous PWM Algorithm. IEEE Transactions on Industry applications. 1998;34(5): 1059–1071. doi: 10.1109/28.720446
- Bakhovtsev IA, Zinoviev GS. Generalized analysis of the output energy of multiphase multilevel voltage inverters with pulse-width modulation. Electricity. 2016;4:26–33. [cited: 09.03.2023] Available from: https://elibrary.ru/download/elibrary_26159419_45377023.pdf
- Chaplygin EE, Khukhtikov SV. Pulse width modulation with passive phase in three-phase voltage inverters. Electricity. 2011;5:53–61. [cited: 09.03.2023] Available from: https://elibrary.ru/download/elibrary_16225936_79381081.pdf
- Hava AM, Çetin NO. A Generalized Scalar PWM Approach with Easy Implementation Features for Three-Phase, Three-Wire Voltage-Source Inverters. IEEE Transactions on Power Electronics. 2011;26(5):1385–1395. doi: 10.1109/TPEL.2010.2081689
- Tan G, Deng Q, Liu Z. An optimized SVPWM strategy for five-level active NPC (5L-ANPC) converter. IEEE Transactions on power electronics. 2013;29(1): 386–395. doi: 10.1109/TPEL.2013.2248172
- Nayeemuddin M, Rao C. Space Vector Based High Performance Discontinuous Pulse Width Modulation Algorithms for VSI Fed AC Drive. Innovative Systems Design and Engineering (IJSR). 2016;5(7):203–208. [cited: 09.03.2023] Available from: https://www.ijsr.net/archive/v5i7/NOV164785.pdf
- Saushev AV, Belousov IV, Bova EV, Rumyantsev AY. Incomplete-phase algorithms for pulse-width modulation of three-phase voltages in frequency control systems of electric drives. Modern Transportation Systems and Technologies. 2024;10(2):231–246. doi: 10.17816/transsyst628299
- Belousov IV, Samoseiko VF, Saushev AV. Evaluation of filtering properties of asynchronous electric drive with pulse width modulation. Assessment of filtering properties of asynchronous electric drive with pulse width modulation. E3S Web of Conferences. 2022;363:1–8. doi: 10.1051/e3sconf/202236301025
Supplementary files






