Ensuring the operability of feeder voltage control relay when power supply voltage harmonics deviate from standard values
- Authors: Shatohin V.A.1, Chernov E.K.1
-
Affiliations:
- Emperor Alexander I St. Petersburg State Transport University
- Issue: Vol 11, No 2 (2025)
- Pages: 291-306
- Section: Original studies
- URL: https://transsyst.ru/transj/article/view/682002
- DOI: https://doi.org/10.17816/transsyst682002
- ID: 682002
Cite item
Full Text
Abstract
BACKGROUND. Due to poor power quality for feeders, the power supply reliability decreases, leading to more failures of railway automation and telemetry devices. This paper discusses the influence of harmonics on the operation of a voltage control relay generating a signal to switch the feeder on load.
The relevance of the study is evidenced by the increased number of voltage control relay failures in operation, resulting in emergency situations and train delays.
AIM. To reduce the number of voltage control relay failures.
MATERIALS AND METHODS. Analysis of failures occurring during operation of voltage control relays, physical modeling of processes leading to failures and synthesis of solutions protecting from destructive processes leading to failures.
RESULTS. The authors determined the cause of voltage control relay failures, modeled destructive processes leading to failures, and proposed solutions to reduce failures associated with poor-quality power supply voltage.
CONCLUSION. The proposed solutions allowed to reduce the number of voltage control relay failures and enhance the power supply reliability of railway automation and telemetry devices.
Full Text
Введение
Посты электрической централизации (ЭЦ), из которых осуществляется управление движением поездов, относятся к особой группе первой категории потребителей электрической энергии [1], перерыв электроснабжения которых не допускается. Для того, чтобы обеспечить надёжное электроснабжение устройств железнодорожной автоматики и телемеханики (ЖАТ) к посту ЭЦ промежуточной станции подводиться два независимых источника электропитания – два внешних фидера энергоснабжения [2]. Для крупных станций с числом централизованных стрелок более 30-ти требования по резервированию энергоснабжения более строгие. Для этой категории потребителей требуются три независимых источника питания: два внешних фидера и резервная автономная электростанция [3].
На Рис. 1 приведена схема ввода питания для станции с двумя источниками питания – фидерами питания 1 и 2. К каждому фидеру подключено реле контроля напряжения (РКН). РКН1 к первому и РКН2 ко второму. РКН непрерывно контролирует напряжение электропитания на предмет нахождения в разрешенном диапазоне между 198 и 242 вольтами. При такой схеме РКН постоянно подключен к фидеру даже в том случае, когда напряжение на фидере находится вне нормативных пределов. Далее через контакты КМ1 и КМ2 контакторов схемы автоматического ввода резерва (АВР), образуется шина гарантированного питания (ШГП). При выходе уровня питающего напряжения за эти рамки, РКН подает команду в схему АВР, которая переключает станцию с одного фидера на другой. Отсюда следует вывод, что РКН является элементом принятия решения о переключении станции с одного источника на другой, от которого зависит надежность функционирования систем ЖАТ [4].
Рис. 1. Схема ввода электропитания для промежуточных станций
Fig. 1. Power entry diagram for intermediate stations
Постановка задачи исследования
В процессе эксплуатации на ряде станций Красноярской, Дальневосточной, Западно-Сибирской и др. железных дорог ОАО «РЖД» имели место случаи отказов РКН. В результате анализа отказавших РКН пришли к выводу, что характер этих повреждений является результатом термического воздействия тока на электронные компоненты, проявляющиеся в виде нагара, обугливания, изменения цвета печатной платы и т.п., показанных на Рис. 2. Не было зафиксировано других видов повреждений, например, разрывов компонентов, выноса металла, характерных в основном для импульсных помех большой энергии [5].
Рис. 2. Вид повреждений реле контроля напряжения
Fig. 2. Nature of damage to voltage monitoring relay
В качестве РКН в электропитающих установках ЖАТ применяются широко выпускаемые промышленностью реле напряжения РНПП-311М [6]. Структурная схема РНПП-311М приведена на Рис. 3.
Рис. 3. Структурная схема РНПП-311М
Fig. 3. Structural diagram of RNPP-311M
Входной напряжение с каждой из фаз попадает на схему нормирования напряжения (НН) и схему внутреннего источника питания (ВИП), которая состоит из схемы понижения напряжения (ПН) и стабилизации (СН). Далее напряжение входного сигнала подается на анализатор (А), которым управляет схема задания критериев анализа (ЗКА). С выхода анализатора отдается команда на включение выходного коммутатора (ВК) и схеме индикации (СИ). Выходной коммутатор выполнен на реле, которое осуществляет переключения в схеме АВР.
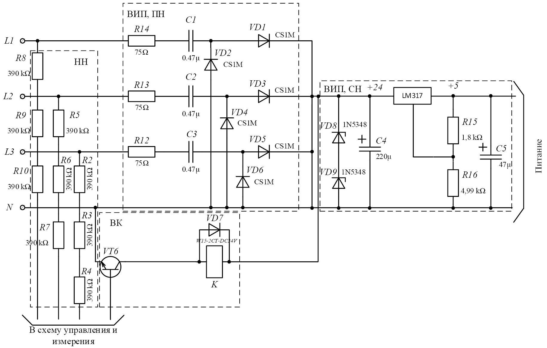
На Рис. 4 показана схема электропитания РНПП-311М, по которой можно сделать вывод, что реле питается от того же источника, который и контролирует. На схеме пунктиром показаны структурные блоки, которые были рассмотрены на Рис. 3.
Рис. 4. Принципиальная электрическая схема электропитания реле РНПП-311
Fig. 4. Power supply diagram of relay RNPP-311
Схема нормирования напряжения НН снимает напряжения с каждой фазы через последовательно соединённые резисторы R2-R10 номиналом 390 кОм. Схема понижения напряжения ПН реализована с помощью каскада на токоограничительном резисторе и «гасящем конденсаторе», то есть «безтрансформаторная» схема питания. После этого каскада расположена схема трехфазного выпрямителя на 6-ти диодах VD1-VD6 предложенная русским учёным электротехником Андреем Николаевичем Ларионовым [7]. Каскад стабилизации напряжения СН выполнен на двух последовательно включенных стабилитронов VD8-VD9, рассчитанных на напряжение стабилизации 12 В. Конденсатор C4 сглаживает пульсации выпрямленного тока. Ещё одним элементом схемы стабилизации является стабилизатор тока LM317 вместе со своей «обвязкой» и следящим делителем, собранным на резисторах R15-R16. LM317 обеспечивает постоянство питающего напряжения 5 В на своем выходе при колебаниях выпрямленного напряжения. Это происходит, к примеру, когда имеется просадка напряжения по одной из фаз или ее отключение. Электромагнитное реле ВК включается от напряжения электропитания 24 В через транзистор VT6, который обеспечивает управление реле по сигналам от микроконтроллера анализатора.
Необходимо отметить, что качество функционирования и тепловой режим работы безтрансформаторных ВИП зависит от качества питающего напряжения, и особенно от его несинусоидальности из-за наличия гармоник высших порядков с тенденцией к их увеличению [8]. Гармоники напряжения – это паразитные колебания, которые возникают в электросетях в следствии комплекса факторов: наличие нелинейной нагрузки, дефицит мощности в энергосистеме, последствия появления переходных процессов и аварийных режимов работы и т.п.
Требования к показателям качества электроэнергии, к которым относятся и несинусоидальность, установлены в стандарте ГОСТ 32144-2013 [9]. В этом документе гармоники напряжения разделены на три большие группы: нечетные гармоники кратные трем, нечетные гармоники не кратные трем и четные гармоники. ГОСТ нормирует показатель KU(n) коэффициент гармонической составляющих напряжения до 40-й в процентах от основной частоты напряжения U1, распределение значений которого показано на Рис. 5. Номер гармоники находится как отношение ее частоты к частоте основной гармоники 50 Гц. Если номер гармоники не является целым числом, то такая гармоника называется интергармоникой, если число выше единицы, и субгармоникой, если ниже. Кроме того, стандарт нормирует суммарный уровень гармоник, который должен составлять длительно не более 8%, кратковременно не более 12% для сети 0,38 кВ. Интересно отметить, что в документе [9] нормы интергармоник находятся «на рассмотрении» на протяжении десятилетий, а вопрос нормирования субгармоник даже не обозначен. Отсутствие нормирования интергармоник и субгармоник может создать угрозу безопасности движения поездов. Например, субгармоника 25 Гц на железнодорожном транспорте является основной рабочей частотой рельсовых цепей и сигналов АЛСН. Интергармоники 420, 480, 520, 580 Гц являются основными рабочими частотами тональных рельсовых цепей. Рельсовые цепи являются датчиками положения подвижного состава и от их корректной работы зависит безопасность ЖАТ [10]. Гармоники выше 40-ой, то есть выше 2 кГц и вовсе не пронормированы, но в статье [11] доказывается, что в сетях присутствуют уровни гармоник свыше нормируемого нормативным документом уровня. Стоит отдельно отметить тот факт, что на современном железнодорожном транспорте применятся все больше вычислительной техники и другой нелинейной нагрузки, которая использует в качестве вторичного источника электропитания – импульсные источники питания [12]. Вводятся в эксплуатацию новые системы управления тяговыми приводами локомотивов, которые так же являются источниками гармонических искажений [13]. Внедрение нелинейных потребителей в систему электроснабжения и на локомотивах, несмотря на значительные преимущества, создает электромагнитные влияния в полосе частот, свыше нормируемых стандартом.
Рис. 5. Распределение коэфицента KU(n)
Fig. 5. KU(n) coefficient distribution
Рис. 6. Осцилограмма питающего напряжения со станции Красноярской ЖД (масштабы: )
Fig. 6. Oscillogram of the supply voltage from the station of Krasnoyarsk Railway (scale: )
Отдельно следует отметить, что межгосударственный стандарт ГОСТ 33436.4-1 – 2015 [14], устанавливающий требования электромагнитной совместимость для устройств ЖАТ, на сегодняшний день не содержит требования по устойчивости к гармоническим искажениям питающего напряжения. На практике имеют места случаи, когда при модернизации станций с релейной системой централизации на микропроцессорную присутствует рост потребляемой мощности вновь вводимой системой. Это происходит по причине того, что микропроцессорные системы непрерывно обрабатывают поступающую информацию, тогда как релейные системы реализуют большинство зависимостей при непосредственном задании маршрута. Однако при реконструкции увеличение энергопотребления микропроцессорными устройствами не приводит к реконструкции питающих линий и увеличении мощностей трансформаторов.
Реальная картина на объектах оказывается еще хуже, чем регламентирует стандарт [9]. На Рис. 6 приведена осциллограмма напряжения питающего фидера на станции Красный Кордон Красноярской железной дороги, откуда были доставлены на диагностику отказавшие реле напряжения. Можно отметить, что форма напряжения далека от синусоидальной, а контроль напряжения даже с помощью традиционных анализаторов качества напряжения показал длительный суммарный уровень гармоник 26% от основной частоты при норме по [9] 8%, то есть был превышен более чем в три раза.
Испытания реле напряжения
Для проверки гипотезы отказов РКН из-за ненормированных значений гармонических искажений проведено физическое моделирование, схема которого показана на Рис. 7a. В качестве генератора применен аттестованный испытательный генератор ИГУ-16.1 производства НПП «ПРОРЫВ» г. Петрозаводск. На Рис. 7b показана осциллограмма тока и напряжения в штатном режиме работы РКН при подаче от генератора «чистой» синусоиды.
Рис. 7. a) схема моделирования, b) осцилограмма напряжений и токов штатного режима (масштабы: )
Fig. 7. a) modelling scheme, b) oscillogram of voltages and currents of normal mode (scale: )
На Рис. 8 показаны термограммы РКН в штатном режиме работы в течении 30-ти минут с трех сторон, из которых видно, что наибольшее тепловыделение приходится на гасящие резисторы.
Рис. 8. Термограммы РКН в штатном режиме
Fig. 8. Thermograms RNPP-311 in normal mode
Критический нагрев токоограничительных резисторов, когда тепловая мощность рассеяния на них превышает 1 Вт, происходит при входном токе свыше 0,115 мА. При воздействии на реле нормативными значениями гармоник из [9] входной ток увеличивался на 5–6 мА и эти воздействия не приводили к критичному перегреву. На Рис. 9 показана осциллограмма напряжения красным цветом и ток черным цветом при подмешивании к основной частоте 89-й гармоники (частота 4450 Гц) с действующим значением 7 В. Суммарный коэффициент гармоник напряжения составляет в этом случае 3,21%, что не превышает допустимых значений по [9].
Рис. 9. Осцилограмма токов и напряжения реле РНПП-311М в режиме со сверхнормируемой гармоникой (масштабы: )
Fig. 9. Oscillogram of currents and voltages of RNPP-311M relay in the over-normalised harmonic mode (scale: )
На Рис. 10а показана термограмма поверхности резисторов перед началом эксперимента, а на Рис. 10b термограмма по истечении 13-ти минут, на которой видно, что температура резисторов увеличилась с 46-ти до 81°C. Более длительного воздействия не проводилось в связи с опасностью возгорания.
Рис. 10. a) термограмма поверхности РКН во время начала эксперимента, b) термограмма поверхности РКН по прошествии 15-ти минут
Fig. 10. a) surface thermogram RNPP-311 at the beginning of the experiment, b) surface thermogram RNPP-311after 15 minutes
Варианты решения проблемы
Первый вариант решения проблемы, который использовали некоторые производители РКН, предполагал использование в качестве гасящего конденсатора, так называемые, X-Y конденсаторы подавления электромагнитных помех, которые отличаются более высокой стойкостью к изменениям напряжения и имеют меньший показатель ESR (расшифровать). Данный вариант не привел к существенному снижению количества отказов РКН в процессе эксплуатации.
Второй вариант предполагает замену бестрансформаторного ВИП на другой, менее чувствительный к гармоникам напряжения. По данному пути производители РКН не пошли из-за удорожания изделия и, тем самым, снижения конкурентоспособности, но в качестве компромиссного решения стали выпускать реле типа РНПП-311 с добавочным индексом «М» с возможностью организации электропитания от внешнего ВИП. Такие реле эксплуатируются в питающих установках на железнодорожных станциях, построенных или реконструированных с 2009 года, а также данным реле оборудованы электропитающие установки ЖАТ в Петербургском метрополитене. Данный вариант решения позволил незначительно снизить количество отказов РКН, но кардинально решить проблему не удалось.
По третьему варианту решение проблемы гармонических искажений при помощи фильтрокомпенсирующих устройств для электропитания систем ЖАТ и вовсе не производилось на практике из-за дороговизны такого решения. Установки фильтрокомпенсирующих устройств требует для энергетических компаний больших капиталовложений.
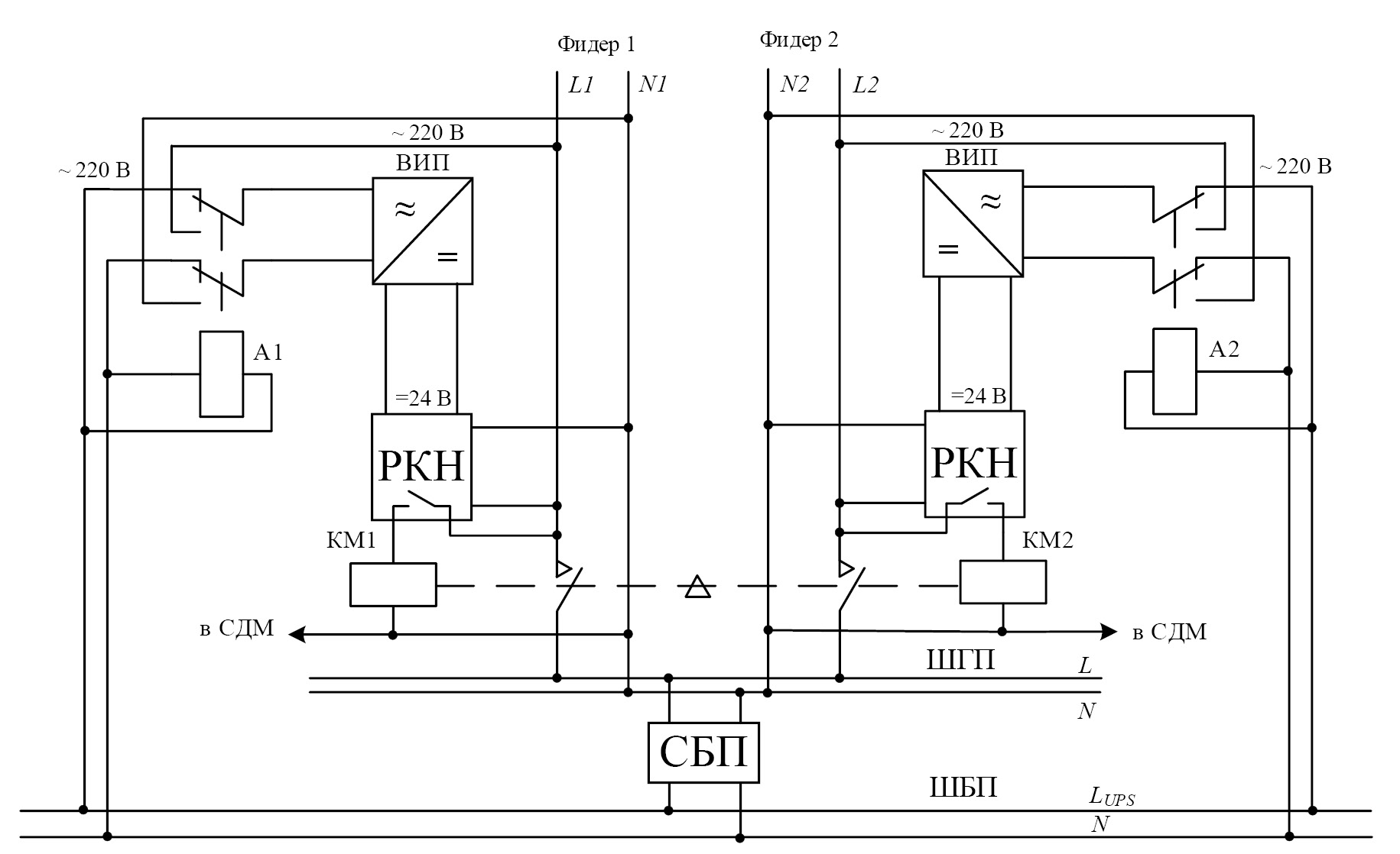
Предложенный авторами четвертый вариант решения оказался более оптимальным и предполагал организацию комбинированного электропитания РКН, показанный на Рис. 11. Для электропитания нагрузок СЦБ на станции применяется система бесперебойного питания (СБП) с диагностикой и мониторингом состояния последней [15]. Электропитание РКН через внешний ВИП в первоначальный момент времени кратковременно осуществляется от фидера и переключается на СБП после ее запуска и появления напряжения на шине бесперебойного питания (ШБП). Наличие напряжения от СБП контролируют аварийные реле, которые осуществляют переключение электропитания внешнего ВИП РКН. Внедрение данного технического решения позволило значительно снизить количество отказов РКН.
Рис. 11. Организация комбинированного электропитания РКН
Fig. 11. Organisation of power supply of RNPP-311M from the SBP bus
Заключение
Несовершенство нормативного регулирования, наличие дефицита мощности, мощные нелинейные нагрузки все это в совокупности может привести к появлению в сети гармоник напряжения, не нормированных стандартом.
Авторы заявляют, что:
- У них нет конфликта интересов;
- Настоящая статья не содержит каких-либо исследований с участием людей в качестве объектов исследований.
The authors state that:
- They have no conflict of interest;
- This article does not contain any studies involving human subjects.
About the authors
Vitaly A. Shatohin
Emperor Alexander I St. Petersburg State Transport University
Email: vital@crtc.spb.ru
ORCID iD: 0000-0003-2167-4189
SPIN-code: 5318-5089
Cand. Sci. (Engineering), Associate Professor
Russian Federation, St. PetersburgEgor K. Chernov
Emperor Alexander I St. Petersburg State Transport University
Author for correspondence.
Email: egorsk-01@yandex.ru
ORCID iD: 0009-0000-7759-3367
SPIN-code: 4278-9776
postgraduate student
Russian Federation, St. PetersburgReferences
- OST RZHD 08.025 – 2015. Ustrojstva elektropitaniya zheleznodorozhnoj avtomatiki i telemekhaniki. (In Russ.) Accessed: 10.05.2025. Available from: http://scbist.com/scb/uploaded/1_1463752464.pdf
- Ter-Oganov EV, Pyshkin AA. Electricity supply for railways. Ekaterinburg: UrGUPS; 2014. (In Russ.)
- Sapozhnikov VV, Kovalev NP, Kononov VA, et al. Power supply for railway automation, telemechanics and communications devices. Moscow: Marshrut; 2005. (In Russ.)
- Sapozhnikov VV, SHamanov VI. Reliability of railway automation, telemechanics and communication systems. Moscow: Marshrut; 2003. (In Russ.)
- Williams T, Armstrong K. EMC for systems and installations. Oxford; Burlington, MA: Newnes Publ.; 2000.
- User manual for RNPP-311M. (In Russ.) Accessed: 10.05.2025. Available from: https://novatek-electro.ru/downloads/РНПП-311М.pdf
- Demirchyan KS, Nejman LR, Korovkin NV, CHechurin VL. Theoretical foundations of electrical engineering. Sankt-Peterburg: Piter; 2003. (In Russ.)
- Morgunov DN. Ensuring sinusoidal voltage in power supply circuits of non-traction railway consumers. [dissertation]. Samara; 2022. (In Russ.) EDN AOWDBC
- GOST R 32144-2013 ([Electric energy. Electromagnetic compatibility of technical equipment. Power quality limits in the public power supply systems]). Moscow: Gosstandart; 2014. (In Russ.)
- Sapozhnikov VV, Kravcov YUA, Sapozhnikov VV. Theoretical foundations of railway automation and telemechanics. Moscow: GOU «Uchebno-metodicheskiy tsentr po obrazovaniyu na zheleznodorozhnom transporte»; 2008.
- NPF «ENERGOSOYUZ». Dokazano: V elektrosetyah sushchestvuyut vysshie garmoniki s chastotami svyshe 2 kGc. (In Russ.) Accessed: 10.05.2025. Available from: https://www.energosoyuz.spb.ru/ru/content/dokazano-v-elektrosetyah-sushchestvuyut-vysshie-garmoniki-s-chastotami-svyshe-2-kgc (In Russ.)
- Morgunov DN, Dobrynin EV. The influence of load with pulse power supplies on non-sinusoidality in power supply networks of non-traction railway consumers. Vestnik transporta povolzh’ya. 2021;5(89):13-18. (In Russ.) EDN: VMQZBC
- Kabeckij AG, Manakov AD. Norms and methods for determining the electromagnetic compatibility of modern automatic locomotive signaling systems and electric rolling stock with an asynchronous traction drive on the subway. Transport automation research. 2021;7(4):503-521. (In Russ.) doi: 10.20295/2412-9186-2021-7-4-503-521
- GOST R 33436.4-1-2015 ([Electromagnetic compatibility of technical equipment. Systems and equipment of railway transport. Part 4-1. Devices and equipment of railway automatics and telemechanics. Requirements and testing methods]). GOST [Moscow]: Gosstandart; 2015
- Poroshin A, Shatokhin V, Nikitin A, Kotenko A. Diagnostics and monitoring of railway automation and remote control power supply devices. In: Proceedings of 2017 IEEE East-West Design and Test Symposium, EWDTS 2017. 2017;592-597. EDN: YQEWCI doi: 10.1109/EWDTS.2017.8110143
Supplementary files















