Electronic differential system based on neural networks for electric vehicles: development, adaptation and prospects of application
- Authors: Lisov A.A.1, Vozmilov A.G.1
-
Affiliations:
- South Ural State University
- Issue: Vol 11, No 1 (2025)
- Pages: 24-42
- Section: Original studies
- URL: https://transsyst.ru/transj/article/view/659809
- DOI: https://doi.org/10.17816/transsyst659809
- ID: 659809
Cite item
Full Text
Abstract
Aim. The analysis of possibilities and prospects of development of an electronic differential system for electric vehicles based on artificial neural networks.
Materials and Methods. We discuss the key advantages of the proposed system, such as its customization capability to various vehicle designs, integration of additional sensors, support for self-driving mode and the ability to interact with the ABS system.
Results. We considered the ways to improve the model, including the introduction of self-learning algorithms, optimization of inverter circuits for controlling multiple motors, and implementation of all-wheel drive configurations. In addition, we discuss the customization of the electronic differential system for operation on low-power devices using quantization, pruning and architecture simplification methods.
Conclusion. The proposed approaches and algorithms have the potential for widespread deployment in the electric vehicle industry, opening new vistas for development of intelligent vehicle control systems.
Full Text
ВВЕДЕНИЕ
В настоящее время во всем мире наблюдается активный переход от использования транспорта, оснащенного двигателями внутреннего сгорания (ДВС), к электротранспорту. Как и в автомобилях с ДВС, в электромобилях тяговый двигатель выполняет ключевую функцию, обеспечивая движение транспортного средства. На данный момент, ведущие производители электроавтомобилей в качестве электропривода используют 2 и более тяговых электродвигателей. Для управления скоростью вращения электродвигателей в этом случае используется специализированный алгоритм – система электронного дифференциала (СЭД).
Ранее в исследованиях [1, 2] была предложена и разработана система электронного дифференциала на основе нейронных сетей, которая по сравнению с традиционными решениями [3, 4] имеет следующие преимущества:
- Подходит для любых компоновок привода автомобиля (2, 4, 6, 8 тяговых двигателей).
- Учитывает конструктив и внутренние параметры автомобиля (колесная база, длинна, радиус колес, масса и др.).
- Учитывает влияние погодных условий (температура, влажность, освещенность и др.);
- Учитывает стиль вождения;
- Пригодна для применения в беспилотном транспорте;
- Отсутствует ограничение по диапазону скорости движения;
- Модель нейронной сети (НС) легко заменить или обновить;
- Учитывает состояние дорожного покрытия (асфальт, гравий, бездорожье);
- Возможность интегрироваться в систему ABS, ESP, круиз-контроля и др;
Функциональная схема разработанной в рамках исследования системы для модели электромобиля с двумя ведущими двигателями сзади показана на Рис. 1, ее работа заключается в следующем. Микроконтроллер (МК) считывает показания с различных датчиков: скорости автомобиля (педаль акселератора), угла поворота рулевого колеса (δруля), гироскопа, акселерометра и датчика температуры. Данные с датчиков отправляются на персональный компьютер (ПК), где нейронная сеть обрабатывает информацию и формирует предсказание (задание) скорости вращения колес. Значение данного задания возвращается на микроконтроллер, который управляет скоростью вращения тяговых двигателей (М1 и М2) посредством силовых преобразователей, что обеспечивает эффективную работу системы управления движением электромобиля при совершении поворотов и маневров.
Рис. 1. Функциональная схема СЭД, основанной на НС (составлено авторами)
Fig. 1. Functional diagram of the ECM based on the NS
Результаты экспериментальной проверки эффективности работы системы при управлении тяговым приводом модели электромобиля показали высокие значения и перспективность данного решения [1, 2]. В связи, с этим в данной статье был предложен ряд возможностей для расширения функционала разработанной системы электронного дифференциала, повышения устойчивости и качества управления за счет расширения спектра применяемых датчиков и устранения недостатков, выявленных во время практической проверки работоспособности СЭД.
1. ПУТИ РАЗВИТИЯ РАЗРАБОТАННОЙ СИСТЕМЫ ЭЛЕКТРОННОГО ДИФФЕРЕНЦИАЛА НА ОСНОВЕ НЕЙРОННЫХ СЕТЕЙ
1.1. Самообучение разработанной модели СЭД на основе НС
Самообучающаяся электронная дифференциальная система (СЭД) – это важное направление в разработке интеллектуальных транспортных средств [5], способное повысить эффективность и безопасность электроавтомобилей. СЭД адаптируется к условиям, учитывая погодные факторы (метель, туман, ураганные условия), привычки водителя и особенности дорожного покрытия, что позволяет оптимизировать управление транспортом и предотвращать пробуксовку в сложных ситуациях, например, при гололеде. В основе работы системы лежат алгоритмы обучения с подкреплением и поведенческого клонирования, которые позволяют накапливать и использовать данные для дальнейшей адаптации, подстраивая скорость и сцепление с дорогой в зависимости от текущих условий [6, 7].
1.2. Использование одного инвертора для независимого управления двумя двигателями
Одной из ключевых проблем при использовании двух независимых электродвигателей для системы электронного дифференциала является необходимость применения двух инверторов для их раздельного управления. Это требование усложняет конструкцию, увеличивает ее стоимость и снижает общую эффективность системы. Однако известны исследования, предлагающие различные подходы к решению данной проблемы, позволяющие использовать один инвертор для независимого управления двумя электродвигателями (Рис. 2).
Рис. 2. Улучшенная реализация силовой части тягового электропривода электромобиля с приводом на задние колеса (составлено авторами)
Fig. 2. Improved implementation of the power section of the traction electric drive of a rear-wheel drive electric vehicle
Для устранения необходимости использования двух инверторов были предложены несколько новых топологий инверторов и схем управления [8–10]. Среди наиболее перспективных решений можно выделить пятивыводной инвертор [10] и инвертор с девятью силовыми ключами [11], которые способны независимо управлять двумя синхронными двигателями с постоянными магнитами (PMSM), что подтверждено исследованиями [8–10].
Более подробное математическое описание работы пятивыводного инвертора и его схемы управления представлено в статье [12]. Инвертор с девятью силовыми ключами (Рис. 3) также представляет собой альтернативное решение, которое позволяет управлять двумя PMSM-двигателями независимо, но требует более сложного управления и дополнительных компонентов. Тем не менее, это решение остается актуальным в контексте высокомощных приложений, где критически важны точность и скорость управления.
Рис. 3. Конфигурация схемы инвертора с девятью силовыми ключами (составлено авторами)
Fig. 3. Configuration of the inverter circuit with nine switch keys
Кроме вышеописанных пятивыводного и девятиключевого инвертора, существуют и другие топологии. В статье [13] описана схема управления с использованием шести силовых ключей, аналогичная инвертору обычного исполнения. Тем не менее, результаты испытаний показали, что предложенная конфигурация с шестью ключами имеет ряд недостатков. В частности, наблюдались значительные пульсации выходного тока, что напрямую влияет на выходной момент и стабильность работы системы. Эти пульсации могут стать критическим ограничением для применения данной схемы в тяговых электроприводах электромобилей, где необходимы высокая точность и стабильность момента на валу двигателя.
Таким образом, для систем тягового электропривода, используемых в электромобилях, целесообразнее применять более сложные схемы инверторов, такие как топологии с 12 или 9 силовыми ключами. Эти схемы обеспечивают более высокое качество выходного момента и лучший КПД.
1.3. Реализация полноприводного автомобиля с четырьмя электродвигателями
Реализация полноприводного автомобиля с четырьмя электродвигателями, по одному на каждое колесо (Рис. 4), является перспективным направлением для применения в беспилотных транспортных средствах, автомобилях класса люкс, а также внедорожных решений. Данный подход, обладает значительным потенциалом для повышения управляемости и эффективности движения в сложных условиях эксплуатации.
Рис. 4. Функциональная схема электронного дифференциала для четырех двигательной модели электромобиля (составлено авторами)
Fig. 4. Functional diagram of the electronic differential for a 4-motor electric vehicle model
Разработанную систему электронного дифференциала, основанного на искусственных нейронных сетях, можно адаптировать для управления таким полноприводным транспортным средством. Для этого требуется интеграция двух дополнительных тяговых приводов на переднюю ось автомобиля, а также внесение изменений в программное обеспечение системы управления электродвигателями. Основные изменения касаются увеличения количества контролируемых параметров, включая дополнительные замеры для передних приводов, а также расширение функционала для управления четырьмя приводами вместо двух.
Для эффективной адаптации системы потребуется также модификация программного обеспечения (ПО), предназначенного для обучения нейронной сети, с учетом новых входных и выходных сигналов, а также обновление принципиальной схемы модели электромобиля. Обновленная функциональная схема электромобиля представлена на Рис. 4, где обозначены основные элементы, включая цифровые входы (DI) и цифровые выходы (DO).
Реализация управления четырьмя электродвигателями может потребовать использования более производительного контроллера для обеспечения стабильной работы системы. В качестве возможных решений можно рассматривать контроллеры серии STM32 или ESP32, которые обладают достаточной вычислительной мощностью и возможностями для эффективного управления многоприводной системой.
1.4. Повышение адаптивности системы электронного дифференциала на основе нейронных сетей за счет интеграции дополнительных сенсоров
Разработанная система электронного дифференциала на базе нейронных сетей продемонстрировала свою эффективность и работоспособность. Для дальнейшего повышения ее адаптивности к изменяющимся дорожным условиям и обеспечению большей безопасности эксплуатации целесообразно ввести дополнительные датчики, такие как датчики освещенности, ультразвуковые и инфракрасные сенсоры
Датчик освещенности позволит системе автоматически определять время суток, а в сочетании с датчиком влажности – фиксировать наличие плохой видимости, вызванной, например, туманом или другими неблагоприятными погодными условиями. Эта информация может использоваться для регулировки скорости и поведения транспортного средства в зависимости от видимости на дороге.
Ультразвуковой датчик будет предназначен для определения расстояния до впереди движущихся объектов, таких как автомобили или мотоциклы. В зависимости от дистанции система сможет корректировать скорость электропривода, что позволит избежать аварийных ситуаций, связанных с внезапными торможениями или пересечением встречной полосы.
Инфракрасный сенсор обеспечит распознавание «живых» объектов, таких как пешеходы или животные, и внесет вклад в предотвращение аварий, регулируя скорость транспортного средства в зависимости от близости таких объектов.
Для эффективного обучения нейронной сети необходимо создать соответствующие тренировочные условия, имитирующие реальные дорожные сценарии. Это может включать в себя создание тренировочных трасс с разделительными ограждениями, симуляцию трафика и расстановку препятствий. В качестве примеров обучения нейронной сети можно использовать не только регистрацию отклонений от маршрута, но и введение штрафов за столкновения, которые могут регистрироваться при помощи акселерометра. Обратная связь нейронной сети может осуществляться на основе функции максимизации, например, при помощи алгоритма Minmax [14, 15].
1.5. Упрощение процесса сбора данных для обучения нейронной сети электронного дифференциала при использовании компьютерного зрения
Для упрощения процесса сбора данных, необходимых для обучения нейронной сети системы электронного дифференциала электромобиля, можно использовать камеру, лазер и компьютер. Основной принцип заключается в установке камеры позади модели (или реального автомобиля), которая фиксирует пройденный путь (Рис. 5), а лазер используется в качестве устройства для разметки траектории движения. Для обеспечения качества съемки и точности данных необходима стабилизация камеры, которая предотвратит искажения изображения, вызванные тряской.
Рис. 5. Расположение камеры для съемки траектории движения автомобиля (составлено авторами)
Fig. 5. Camera position for filming the vehicle’s trajectory
Процесс обучения нейронной сети сохраняет общие принципы, предложенные в данной работе. Ключевым элементом остается вычисление отклонения реальной траектории от эталонной, что изображено на Рис. 6 и представлено в работах [1, 2]. Однако использование камеры открывает дополнительные возможности для более сложного и устойчивого обучения, в частности, теперь система может анализировать не отдельные повороты, а цепочки поворотов, плавно переходящих друг в друга.
Рис. 6. Иллюстрация отклонения от идеальной траектории для его автоматического вычисления (составлено авторами)
Fig. 6. Illustration of deviation from the ideal trajectory for it’s automatic calculation
Расчет отклонений может быть произведен на этапе постобработки данных с помощью перевода изображения из пиксельного формата в координаты. Этот процесс также может быть автоматизирован с использованием методов компьютерного зрения, таких как показано в исследованиях [16, 17].
1.6. Интеграция СЭД в антиблокировочную систему автомобиля
Интеграция ABS с системой электронного дифференциала на основе нейронных сетей открывает перспективы для более точного и адаптивного управления автомобилем в реальном времени. Использование ИНС в таких системах позволит анализировать множество входных данных, включая параметры торможения, скорость вращения колес, поведение транспортного средства в поворотах и дорожные условия. Это приведет к созданию более интеллектуальных систем управления, которые способны адаптироваться к изменяющимся ситуациям и минимизировать риски возникновения аварийных ситуаций.
Структура ABS включает в себя несколько ключевых компонентов. Во-первых, система измеряет скорость вращения колес с помощью датчиков. Во-вторых, ABS генерирует выходные дискретные сигналы, которые управляют гидравлическими клапанами тормозного привода.
Эти сигналы можно интегрировать в структуру электронного дифференциала, что позволит осуществлять более точное управление тормозными механизмами в зависимости от ситуации на дороге. Например, в случае интенсивного торможения система СЭД сможет учитывать работу ABS для оптимального перераспределения тормозных усилий между колесами.
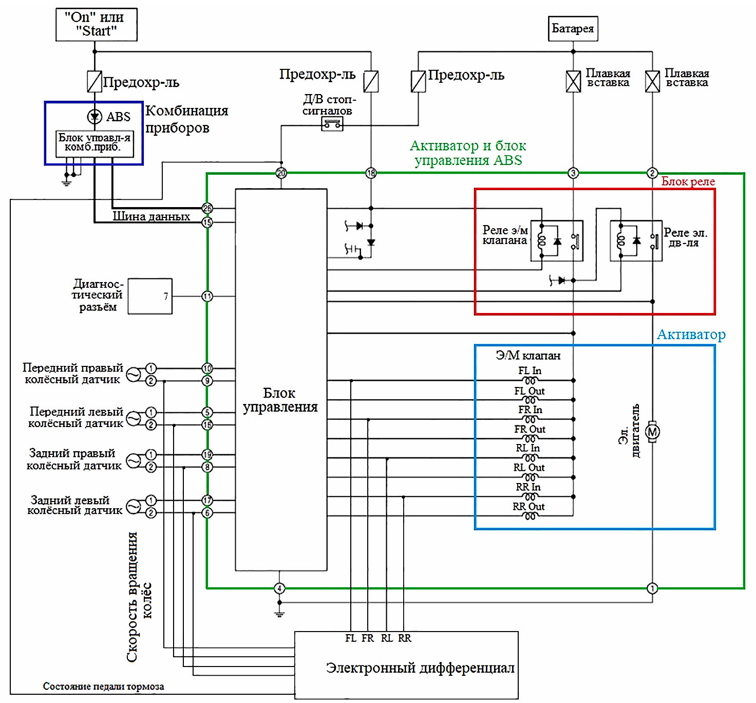
Дополнение системы электронного дифференциала на основе НС, в контексте интеграции с ABS, можно представить в виде функциональной схемы, показанной на Рис. 7. В этой схеме условно обозначены переднее левое (FL), переднее правое (FR), заднее левое (RL) и заднее правое (RR) колеса. В блок электронного дифференциала поступают данные о скорости вращения колес, а также сигналы от блока управления ABS для активации или деактивации клапанов гидравлической системы тормозов. В случае активации ABS, тяговый двигатель может быть автоматически отключен, что позволяет системе оптимизировать процессы торможения и стабилизации автомобиля.
Рис. 7. Функциональная схема дополнения ABS системой электронного дифференциала (составлено авторами)
Fig. 7. Functional diagram of the addition of an electronic differential system to ABS
Более того, если система получает положительный сигнал с датчика педали тормоза и при этом на колесах FL, FR, RL, RR отсутствуют сигналы о высокой скорости вращения, двигатель может быть переведен в режим противовключения. Это позволит сократить тормозной путь за счет использования тягового двигателя для дополнительного замедления транспортного средства, что особенно важно в условиях экстренного торможения на скользких или мокрых поверхностях.
1.7. Адаптация модели НС для работы с маломощными вычислительными устройствами
Разработанная в данной работе система электронного дифференциала требует наличие значительных вычислительных мощностей, однако этот недостаток может скомпенсирован при помощи нескольких техник.
- Квантизация. Квантизация уменьшает разрядность чисел, используемых для представления весов и активаций модели. Обычно модели обучаются с весами и активациями в формате 32-битных чисел с плавающей точкой (FP32). Квантизация переводит их в 8-битные целые числа (INT8), что значительно снижает объем памяти и ускоряет вычисления [18, 19]. Это полезно на мобильных устройствах или микроконтроллерах, где ресурсы ограничены. Варианты реализации:
- Пост-тренировочная квантизация (Post-Training Quantization): модель обучается в FP32, а затем квантизируется.
- Квантизация с дообучением (Quantization Aware Training): модель обучается с учетом предстоящей квантизации, что позволяет сохранить более высокую точность.
- Прореживание весов (Pruning). Прореживание заключается в удалении малозначимых весов из модели. Например, веса с малыми значениями, которые мало влияют на предсказания, могут быть обнулены, что уменьшает количество вычислений и использование памяти [20, 21]. Существует несколько видов прореживания:
- Универсальное (Global Pruning): удаляются веса с наименьшей важностью по всей модели.
- Структурное прореживание и упрощение архитектуры (Structured Pruning): удаляются целые нейроны или фильтры, что упрощает архитектуру модели.
- Сжатие модели (Model Compression). Сжатие модели достигается за счет применения техник таких, как [22, 23]:
- Кодирование весов (Weight Sharing) – веса моделей могут быть закодированы, используя меньше памяти, например, через квантизацию или использование подходов, основанных на кластеризации.
- Сжатие с помощью алгоритмов, таких как SV – разложение весов через метод сингулярных разложений (SVD), что позволяет уменьшить количество параметров.
- Трансформация архитектуры (Model Architecture Transformation). Это процесс упрощения структуры модели за счет использования более легковесных архитектур [24, 25], таких как: MobileNet, SqueezeNet, ShuffleNet. Они разработаны для работы на устройствах с ограниченными ресурсами. Эти архитектуры используют эффективные операции, такие как глубинные свертки (Depthwise Separable Convolutions) и группы сверток (Grouped Convolutions), что снижает объем вычислений без потери производительности.
- Использование специальных библиотек и фреймворков. Такие библиотеки, как TensorFlow Lite, ONNX Runtime, TFLite Micro и PyTorch Mobile, оптимизируют модели для работы на устройствах с ограниченными ресурсами. Эти фреймворки поддерживают квантизацию, принаряжение и прочие методы оптимизации.
- Факторизация матриц (Matrix decomposition). Большие матрицы весов можно разложить на произведение меньших матриц (например, через сингулярное разложение, SVD). Это снижает объем операций умножения и сложения при передаче данных через слои [26, 27].
- Использование аппаратных оптимизаций. Некоторые устройства (например, смартфоны с нейронными процессорами) поддерживают аппаратные ускорители для нейронных сетей [28], что позволяет эффективнее исполнять модель.
ЗАКЛЮЧЕНИЕ
Самообучающаяся электронная дифференциальная система представляет собой перспективное направление в развитии интеллектуальных транспортных средств, способное значительно повысить эффективность и безопасность электроавтомобилей.
Существующая конфигурация электропривода, требующая использования двух инверторов для независимого управления тяговыми электродвигателями, может быть оптимизирована с применением инверторных топологий, содержащих 9 или 12 силовых ключей. Это позволит использовать только один инвертор вместо двух, что приведет к повышению эффективности системы (КПД).
Разработанную систему электронного дифференциала на основе искусственных нейронных сетей можно адаптировать для управления полноприводным транспортным средством.
Процесс получения данных для обучения нейронной сети электронного дифференциала электромобиля может быть автоматизирован с использованием камеры, лазера и компьютера.
Интеграция системы ABS с электронным дифференциалом на основе нейронных сетей создает перспективы для более точного и адаптивного управления автомобилем в реальном времени.
Оптимизация работы нейронной сети для устройств с ограниченными вычислительными ресурсами возможна за счет применения методов квантования, сжатия модели, нормализации весов, трансформации архитектуры с использованием специализированных библиотек и фреймворков, а также факторизации матриц и аппаратных оптимизаций.
Авторы заявляет, что:
- У них нет конфликта интересов;
- Все применимые международные, национальные и/или институциональные принципы ухода и использования животных были соблюдены;
- Настоящая статья не содержит каких-либо исследований с участием людей в качестве объектов исследований.
The authors states that:
- They have no conflict of interest;
- All applicable international, national and/or institutional guidelines for the care and use of animals have been followed;
- This article does not contain any studies involving human subjects.
About the authors
Andrey A. Lisov
South Ural State University
Author for correspondence.
Email: lisov.andrey2013@yandex.ru
ORCID iD: 0000-0001-7282-8470
SPIN-code: 1956-3662
postgraduate student
Russian Federation, ChelyabinskAlexander G. Vozmilov
South Ural State University
Email: vozmiag@rambler.ru
ORCID iD: 0000-0002-1292-3975
SPIN-code: 2893-8730
Professor, Doctor of Technical Sciences
Russian Federation, ChelyabinskReferences
- Lisov AA. Development of an electronic differential system for electric vehicles based on deep neural network. Modern Transportation Systems and Technologies. 2024;10(3):351–367. (in Russ.) doi: 10.17816/transsyst634127
- Lisov AA, Panishev SA, Gundarev KA. Development of an Electronic Differential System Based on Artificial Neural Networks for Electric Transport. In: 2024 International Ural Conference on Electrical Power Engineering (UralCon). 2024;192–196. doi: 10.1109/UralCon62137.2024.10718938
- Yildirim M, Kurum H. Electronic differential system for an electric vehicle with four in-wheel PMSM. In: Proceedings of the 2020 IEEE 91st Vehicular Technology Conference (VTC2020-Spring). 2020;1–5. doi: 10.1109/VTC2020-Spring48590.2020.9129139
- Vozmilov AG, Urmanov VG, Lisov AA, Ilimbetov RYu. Development and simulation of the proportional and integral regulator for the electronic differential of an electric farm tractor. Bulletin of the Bashkir State Agrarian University. 2022;2(62):119–124 (In Russ.). doi: 10.31563/1684-7628-2022-62-2-119-124
- Rigas ES, Ramchurn SD, Bassiliades N. Managing electric vehicles in the smart grid using artificial intelligence: A survey. IEEE Transactions on Intelligent Transportation Systems. 2014;16(4):1619–1635. doi: 10.1109/TITS.2014.2376873
- Nguyen DH, Widrow B. Neural networks for self-learning control systems. IEEE Control Systems Magazine. 2002;10(3):18–23. doi: 10.1109/37.55119
- Li SE. Deep reinforcement learning. In: Reinforcement Learning for Sequential Decision and Optimal Control. Singapore: Springer Nature Singapore. 2023:365–402. doi: 10.1007/978-981-19-7784-8_10
- Hizume M. Independent vector control of parallel-connected two induction motors by a five-leg inverter. In: Proceedings of the 10th European Conference on Power Electronics and Applications. 2003;778.
- Nozawa Y. Independent position control of two permanent magnet synchronous motors with five-leg inverter by the expanded two arm modulation method. JIASC. 2005;79.
- Oka K. Improved method of voltage transfer ratio for five-leg inverter. JIASC2005. 2005;75.
- Gulbudak O, Gokdag M. Dual-hysteresis band control of nine-switch inverter to control two induction motors. IEEE Transactions on Energy Conversion. 2021;37(2):788–99. doi: 10.1109/TEC.2021.3131385
- Krishnakumar V, Kamaraj V, Perianayagam CA. An integrated drive for two PMSMs involved automotive applications and development of current reference expanded two arm modulation technique. Circuits and Systems. 2016;7(08):1794–1799. doi: 10.4236/cs.2016.78155
- Pao YH, Phillips SM. The functional link net and learning optimal control. Neurocomputing. 1995;9:149–164. doi: 10.1016/0925-2312(95)00066-F
- Radunovic B, Le Boudec JY. A unified framework for max-min and min-max fairness with applications. IEEE/ACM Transactions on networking. 2007;15(5):1073–1083. doi: 10.1109/TNET.2007.896231
- Razaviyayn M, Huang T, Lu S, Nouiehed M, Sanjabi M, Hong M. Nonconvex min-max optimization: Applications, challenges, and recent theoretical advances. IEEE Signal Processing Magazine. 2020;37(5):55–66. doi: 10.1109/MSP.2020.3003851
- Kim N, Bae J, Kim C, et al. Object distance estimation using a single image taken from a moving rolling shutter camera. Sensors. 2020;20(14):3860–3870. doi: 10.3390/s20143860
- Zhu W, Anderson B, Zhu S, Wang YA. computer vision-based system for stride length estimation using a mobile phone camera. In: 18th International ACM SIGACCESS Conference on Computers and Accessibility. 2016:121–130. doi: 10.1145/2982142.298215
- Gholami A, Kim S, Dong Z, et al. A survey of quantization methods for efficient neural network inference. Low-Power Computer Vision. 2022:291–326.
- Guo Y. A survey on methods and theories of quantized neural networks. arXiv preprint arXiv:1808.04752. 2018. doi: 10.48550/arXiv.1808.04752
- Blalock D, Gonzalez Ortiz JJ, Frankle J, Guttag J. What is the state of neural network pruning? Proceedings of machine learning and systems. 2020;2:129–146.
- Cheng H, Zhang M, Shi JQ. A survey on deep neural network pruning: Taxonomy, comparison, analysis, and recommendations. IEEE Transactions on Pattern Analysis and Machine Intelligence. 2024. doi: 10.1109/TPAMI.2024.3447085
- Cheng Y, Wang D, Zhou P, Zhang T. Model compression and acceleration for deep neural networks: The principles, progress, and challenges. IEEE Signal Processing Magazine. 2018;35(1):126–36. doi: 10.1109/MSP.2017.2765695
- Deng L, Li G, Han S, et al. Model compression and hardware acceleration for neural networks: A comprehensive survey. Proceedings of the IEEE. 2020;108(4):485–532. doi: 10.1109/JPROC.2020.2976475
- Burgueno L, Cabot J, Li S, Gérard S. A generic LSTM neural network architecture to infer heterogeneous model transformations. Software and Systems Modeling. 2022;21(1):139–156. doi: 10.1007/s10270-021-00893-y
- Burgueno L, Cabot J, Li S, Gérard S. An LSTM-based neural network architecture for model transformations. ACM/IEEE 22nd International Conference on Model Driven Engineering Languages and Systems (MODELS). 2019:294–299. doi: 10.1016/j.cola.2022.101174
- Bulat A, Kossaifi J, Tzimiropoulos G, Pantic M. Matrix and tensor decompositions for training binary neural networks. arXiv preprint arXiv:1904.07852. 2019. doi: 10.48550/arXiv.1904.07852
- Chen S, Zhou J, Sun W, Huang L. Joint matrix decomposition for deep convolutional neural networks compression. Neurocomputing. 2023;516:11–26. doi: 10.1016/j.neucom.2022.10.021
- Capra M, Bussolino B, Marchisio A, et al. Hardware and software optimizations for accelerating deep neural networks: Survey of current trends, challenges, and the road ahead. IEEE Access. 2020;8:225134–225180. doi: 10.1109/ACCESS.2020.3039858
Supplementary files











