Systematization of the application of polymer composite materials in the design of bridge structures
- Authors: Smerdov D.N.1
-
Affiliations:
- Siberian State Railway University
- Issue: Vol 10, No 3 (2024)
- Pages: 419-434
- Section: Original studies
- URL: https://transsyst.ru/transj/article/view/635339
- DOI: https://doi.org/10.17816/transsyst635339
- ID: 635339
Cite item
Full Text
Abstract
Background. This study systematizes the principles of using polymer composite materials in bridge structure design, outlining the fundamental principles for calculating load-bearing structures of bridge spans featuring these materials.
Aim. The goal is to enhance the strength and durability of bridge spans during construction and maintenance, while optimizing costs through the use of polymer composite materials.
Materials and Methods. The research employs a modern approach to bridge structure design, utilizing mathematical statistics for experimental data analysis and numerical methods for calculating bridge structures using nonlinear deformation models of anisotropic materials.
Results. Developed principles for designing bridge spans with polymer composite elements include methods for strengthening and reinforcing concrete bridge structures. These methods account for operational factors such as long-term constant and temporary loads, low and elevated temperatures, as well as methods for designing all-composite spans pedestrian and road bridges
Conclusion. The principles of designing bridge spans with elements made of polymer composite materials have been introduced into the practice of transport construction in the Russian Federation. The technical and economic efficiency of using polymer composite materials in bridge structures of transport infrastructure has been confirmed.
Full Text
ВВЕДЕНИЕ
Проведенный комплекс теоретических и экспериментальных исследований по применению полимерных композиционных материалов в конструкциях мостовых сооружений транспортной инфраструктуры позволил систематизировать область их использования при новом строительстве, реконструкции, ремонте и капитальном ремонте мостов [1–7]. В целом, область использования полимерных композиционных материалов в транспортном строительстве можно разделить на три основных направления. К первому направлению можно отнести композиционные материалы, используемые в качестве составных элементов несущих конструкций мостов, например, внешнее армирование при усилении железобетонных конструкций пролетных строений и опор [8], армирование бетона. Ко второму – композиционные материалы, используемые в качестве материала, из которого изготавливают основные несущие конструкции мостов – цельнокомпозитные конструкции пролетных строений, несущие элементы ферм или главных балок. К третьему – композиционные материалы, используемые для изготовления эксплуатационных обустройств – водоотводные лотки, перильные ограждения тротуаров, основания дорожных знаков [9].
Во всех реализуемых видах строительства существует возможность применения полимерных композиционных материалов при производстве как новых несущих конструктивных элементов мостов, например бетонных со смешенным армированием металлической и полимерной композиционной арматурой, цельнокомпозитных конструкций пролетных строений, так и при ремонте существующих эксплуатируемых несущих конструкций путем их внешнего армирования полимерными композиционными материалами, а для обустройства элементов мостового полотна и коммуникаций установку перильных ограждений тротуаров, водоотводных и коммуникационных лотков из композиционных профилей. Соответственно при проектировании конструкций мостов должен применяться новый подход, который обеспечит повышение их прочности и долговечности как на железных, так и на автомобильных дорогах при их строительстве и содержании на основе применения полимерных композиционных материалов. На Рис. 1 представлена организационная блок-схема, систематизирующая принципы использования полимерных композиционных материалов при строительстве, реконструкции, ремонте и капитальном ремонте мостов, а на Рис. 2 и 3 показаны соответствующие модули проектирования в зависимости от вида строительства.
Рис. 1. Организационная схема применения полимерных композиционных материалов при строительстве, реконструкции, ремонте и капитальном ремонте железобетонных мостов
Fig. 1. Organizational diagram of the use of polymer composite materials in the construction, reconstruction, repair and major repairs of reinforced concrete bridges
Рис. 2. Алгоритм модуля проектирования строительства, реконструкции мостов
Fig. 2. Algorithm of the design module for construction, reconstruction of bridges
Рис. 3. Алгоритм модуля проектирования ремонта, капитального ремонта мостов
Fig. 3. Algorithm of the design module for repair and major repairs of bridges
ПРИНЦИПЫ ПРОЕКТИРОВАНИЯ УСИЛЕНИЯ НЕСУЩИХ КОНСТРУКЦИЙ МОСТОВ ПОЛИМЕРНЫМИ КОМПОЗИЦИОННЫМИ МАТЕРИАЛАМИ
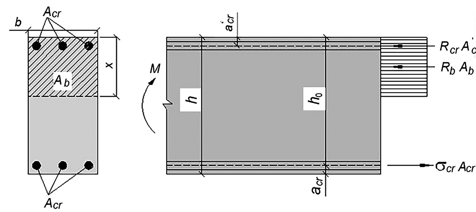
В соответствии с действующими нормативными документами несущие конструкции мостов рассчитывают на действие постоянных и временных нагрузок с использованием метода предельных состояний. Соответственно, принципы проектирования усиления железобетонных конструкций мостов полимерными композиционными материалами должны быть основаны на методе предельных состояний. На Рис. 4 показано расположение внутренних усилий и форма эпюры напряжений в сжатой зоне бетона в предельном состоянии для сечения, перпендикулярного к продольной оси усиленного балочного железобетонного элемента композиционным материалом прямоугольной формы поперечного сечения для определения предельного несущего момента Mу.
Рис. 4. Расположение внутренних усилий и форма эпюры напряжений в сжатой зоне бетона в предельном состоянии для прямоугольного сечения, перпендикулярного к продольной оси усиленного балочного железобетонного элемента композиционным материалом
Fig. 4. Location of internal forces and the shape of the stress diagram in the compressed zone of concrete in the limit state for a rectangular section perpendicular to the longitudinal axis of a reinforced concrete beam element composite material
При расчете усиленных железобетонных конструкций следует ограничивать напряжения в полимерном композиционном материале предельной величиной, что предотвращает возможность разрушения бетонного основания, на которое нанесен композиционный материал, или его возможное отслоение по контакту «клей-бетон» [10, 11]. Значение предельных напряжений в материале усиления, расположенном на нижней грани балки, следует определять по следующей формуле:
, (1)
где ks – коэффициент, учитывающий тип конструкции усиления; bf – единичная ширина полосы материала усиления; tf – толщина одного слоя композиционного материала, мм; Ef – модуль упругости композиционного материала, МПа; h – высота главной балки, м; Rb – расчетная прочность бетона на сжатие, МПа; gc – обобщенный коэффициент, учитывающий снижение физико-механических характеристик полимерного композита в процессе эксплуатации конструктивных элементов; Rft – расчетная прочность композиционного материала на растяжение, МПа.
Прочность усиленных сечений прямоугольного поперечного сечения, перпендикулярных к продольной оси балочных элементов, на действие изгибающих моментов определяют по формуле:
, (2)
высота сжатой зоны x определяется соотношением:
, (3)
где Rsc, Rs, Rb – предельные сопротивления арматуры сжатию и растяжению, бетона сжатию, соответственно, МПа; A's, As – площадь сечения сжатой и растянутой рабочей арматуры, м2; Af – площадь сечения волокон композиционного материала, м2; b – приведенная ширина сечения балочного элемента, м; as, a’s и af – расстояние до центра тяжести растянутой и сжатой арматуры, волокон композиционного материала, м; h0I – размер эффективной высоты неусиленного сечения, м.
Расчет сечений, перпендикулярных к продольной оси усиленного балочного железобетонного элемента композиционным материалом тавровой формы, аналогичен, как для прямоугольных, но предельный момент определяют в зависимости от расположения границы сжатой зоны по высоте элемента. При известной доле временной нагрузки до усиления (Мk/М) может быть определена несущая способность сечения элемента, усиленного без разгрузки от собственного веса согласно:
, (4)
где М=Мр+Мk – суммарная доля изгибающего момента от действия постоянных и временных нагрузок.
Если допустимая температура эксплуатации конструкции Tα, усиленной полимерными композиционными материалами, при которой определяется несущая способность больше, либо равна температуре, при которой осуществляется отверждение эпоксидной матрицы композиционного материала Tf, то предельные нормальные напряжения в композиционном материале необходимо определять по следующей формуле:
, (5)
где σft – нормальные напряжения в композиционном материале от действия температуры при Tα ≥ Tf, определяемые согласно, МПа:
, (6)
где αf, αb – коэффициент температурного расширения композиционного материала и бетона, 10-6 °С-1; Tα – допустимая температура эксплуатации конструкции, усиленной композиционными материалами, °С; Tf – температура, при которой осуществляется отверждение эпоксидной матрицы композиционного материала, °С.
Если расчетная температура эксплуатации конструкции Tα, усиленной композиционными материалами, меньше температуры, при которой осуществляется отверждение эпоксидной матрицы композиционного материала Tf, то предельные нормальные напряжения в композиционном материале необходимо определять по формуле:
, (7)
для которой σft при Tα < Tf рассчитывается согласно выражению:
. (8)
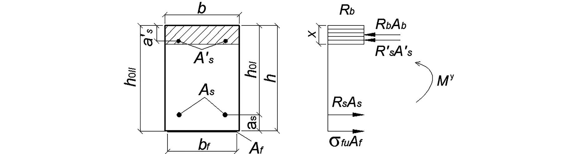
ПРИНЦИПЫ ПРОЕКТИРОВАНИЯ ИЗГИБАЕМЫХ ЖЕЛЕЗОБЕТОННЫХ ЭЛЕМЕНТОВ МОСТОВ СО СМЕШАННЫМ АРМИРОВАНИЕМ МЕТАЛЛИЧЕСКОЙ И ПОЛИМЕРНОЙ КОМПОЗИЦИОННОЙ АРМАТУРОЙ
При проектировании изгибаемых железобетонных элементов со смешанным армированием металлической и полимерной композиционной арматурой следует учитывать ряд особенностей совместной работы бетона в нормальном сечении и композиционной арматуры, которые связанны с высокой прочностью волокон полимерных композиционных материалов и их анизотропными свойствами [12–14]. На Рис. 5 показана схема усилий и эпюра напряжений в сечении, нормальном к продольной оси изгибаемого железобетонного элемента со смешанным армированием, при расчете его по прочности.
Рис. 5. Схема усилий и эпюра напряжений в сечении, нормальном к продольной оси изгибаемого железобетонного элемента со смешанным армированием, при расчете его по прочности
Fig. 5. Scheme of forces and stress diagram in the section normal to the longitudinal axis of a bending reinforced concrete element with mixed reinforcement, when calculating its strength
Предельные нормальные напряжения в полимерной композиционной арматуре могут определяться по формуле:
, (9)
с учетом условия:
, (10)
где εcr – предельные относительные деформации растяжения в полимерной композиционной арматуре в момент наступления предельного состояния в сечении, нормальном к продольной оси элемента; Ecr – модуль упругости полимерной композиционной арматуры, МПа, Rcr – расчетное сопротивление полимерной композиционной арматуры растяжению, соответственно, МПа.
При этом величину предельных нормальных напряжений scr в полимерной композиционной арматуре в данном представлении возможно определить только с использованием расчета сечений, нормальных к продольной оси элемента, по диаграммам деформирования бетона и арматуры. В случае применения метода предельных состояний без использования нелинейной деформационной модели расчет прямоугольных сечений при следует производить из следующего условия:
, (11)
где М – изгибающий момент от внешних сил, кН; R’cr – расчетное сопротивление полимерной композиционной арматуры, МПа; x – относительная высота сжатой зоны; xy – предельная относительная высота сжатой зоны, определяемая по пункту 7.61 СП 35.13330.2011 «Мосты и трубы»; h0 – рабочая высота сечения, м, определяемая по формуле (12):
, (12)
где h – высота поперечного сечения элемента, м; a’cr, a cr – расстояния от верхней грани элемента до центра тяжести сжатой полимерной композиционной арматуры, от нижней грани элемента до центра тяжести растянутой полимерной композиционной арматуры соответственно, м (см. Рис. 4).
При этом высоту сжатой зоны x следует определять из уравнения равновесия по формуле:
, (13)
где Acr, A’cr – площадь поперечного сечения растянутой и сжатой полимерной композиционной арматуры, м2; b – ширина поперечного сечения элемента (ребра), м.
В связи с тем, что прочность полимерной композиционной арматуры во много раз выше, чем металлической, и при этом сортамент композиционной арматуры по диаметру аналогичен металлической, то в случае смешанного армирования изгибаемых железобетонных элементов расчетное сопротивление композиционной арматуры Rcr в первом приближении можно считать условно бесконечной величиной, а в принятых расчетных моделях метода предельных состояний определять в ней нормальные напряжения scr, когда x = h0xy. То есть условно считать, что предельное состояние бетона сжатой зоны изгибаемых элементов наступает ранее достижения в растянутой полимерной композиционной арматуре напряжения, равного их расчетному сопротивлению Rcr. Исходя из вышесказанного величина предельных нормальных напряжений в полимерной композиционной арматуре scr в момент наступления предельного состояния в бетоне сжатой зоны изгибаемых элементов прямоугольного поперечного сечения может быть найдена из уравнения равновесия в виде:
, (14)
из которого
. (15)
Расчет изгибаемых элементов таврового поперечного сечения по изгибающему моменту производится по аналогичным формулам в зависимости от положения границы сжатой зоны x.
ПРИНЦИПЫ ПРОЕКТИРОВАНИЯ ЦЕЛЬНОКОМПОЗИТНЫХ ГЛАВНЫХ БАЛОК ПРОЛЕТНЫХ СТРОЕНИЙ МОСТОВ ИЗ ПУЛТРУЗИОННОГО СТЕКЛОПЛАСТИКА
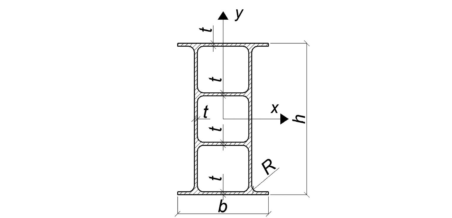
Применение пултрузионного стеклопластика при изготовлении пролетных строений пешеходных мостов широко известно. В большинстве случаев это ферменные конструкции, элементы которых выполнены из определенного стеклопластикового сортамента, объединение которых осуществляется через металлические накладки, каркасы и фасонки с помощью металлических болтовых соединений [15]. На сегодняшний день в России отсутствуют рекомендации по проектированию цельнокомпозитных пролетных строений автодорожных мостов. Ниже представлены принципы проектирования цельнокомпозитных главных балок автодорожных мостов.
Главные балки пролетных строений автодорожных мостов из полимерных композиционных материалов следует проектировать коробчатого поперечного сечения с поперечными перегородками между вертикальными стенками по высоте (не менее двух) с толщиной стенок t не менее 15 мм, изготовленные методом пултрузии. Оптимальное соотношении высоты h главной балки к ее ширине b – 2,6:1. Форма поперечного сечения представлена на Рис. 6. Материалы для изготовления главных балок пролетных строений автодорожных мостов из полимерных композитов должны соответствовать требованиям ГОСТ 33344-2015. Значения расчетных характеристик полимерных композитов следует принимать по пунктам 12.5, 12.6, 12.7 и 12.8 СП 35.13330.2011. Расчет главных балок автодорожных мостов из полимерных композитов следует проводить в предположении их линейно-упругой работы с использованием компьютерных программ по методу конечных элементов (с использованием пространственных конечно-элементных моделей), позволяющему учитывать анизотропность свойств полимерного композита.
Рис. 6. Форма поперечного сечения главной балки композитного пролетного строения
Fig. 6. Cross-sectional shape of the main beam of a composite superstructure
Строительный подъем, компенсирующий вертикальные деформации пролетного строения от постоянной нагрузки, коэффициент надежности по нагрузке, вертикальные упругие прогибы пролетных строений, расчетные периоды собственных колебаний в пролетных строениях автодорожных мостов принимаются по соответствующим разделам СП 35.13330.2011.
Расчеты по предельным состояниям главных балок автодорожных мостов из полимерных композитов должны проводиться с учетом положений ГОСТ 27751. Расчет конструкций из полимерных композитов по изгибающему моменту следует производить в соответствии с СП 35.13330.2011 с использованием следующего неравенства:
, (16)
где Mx, My – величина изгибающего момента от действия расчетных постоянных и временных нагрузок, кНм; Wx, Wy – момент инерции и момент сопротивления сечения относительно осей x и y, м3 (Рис. 6); – расчетное сопротивление при изгибе вдоль пултрузии, определяемое по п. 12.5 СП 35.13330.2011, МПа.
Расчет конструкций из полимерных композитов по поперечной силе следует производить в соответствии с СП 35.13330.2011 с использованием следующего неравенства:
, (17)
где Qy – величина поперечной силы в опорном сечении главной балки от действия расчетных постоянных и временных нагрузок, кН; Sx – статический момент площади отсеченной части относительно оси x, м2; ∑t – суммарная толщина вертикальных стенок главной балки коробчатого сечения на уровне исследуемой точки, м; Ix – момент инерции сечения относительно оси x, м4; RLT_0n – предел прочности при сдвиге в плоскости вдоль пултрузии, определяемое по п. 12.5 СП 35.13330.2011, МПа.
Проверка прочности главных балок пролетных строений автодорожных мостов по способности воспринимать напряжения при сжатии и растяжении поперек пултрузии производится по результатам анализа напряженно-деформированного состояния их пространственных конечно-элементных моделей путем сравнения полученных фактических напряжений, от действия расчетных постоянных и временных нагрузок, с величинами соответствующих расчетных сопротивлений. При этом конечно-элементные модели композитных пролетных строений автодорожных мостов должны быть выполнены из пластинчатых или объемных конечных элементов.
ЗАКЛЮЧЕНИЕ
Разработаны теоретические основы оценки несущей способности пролетных строений мостов с элементами из полимерных композиционных материалов, которые должны применяться при проектировании таких конструкций. Принципы проектирования пролетных строений мостов с элементами из полимерных композиционных материалов учитывают различные климатические условия эксплуатации мостов, особенности их работы под воздействием постоянных и временных нагрузок, а также анизотропные свойства полимерных композиционных материалов. Для возможности более широкого практического использования полимерных композиционных материалов в мостовых сооружениях необходимо включить результаты настоящих исследований в национальные стандарты и своды правил.
Автор заявляет, что настоящая статья не содержит каких-либо исследований с участием людей в качестве объектов исследований.
The author declares that this article does not contain any studies involving human subjects.
About the authors
Dmitry N. Smerdov
Siberian State Railway University
Author for correspondence.
Email: DNSmerdov@mail.ru
ORCID iD: 0000-0003-2022-4565
SPIN-code: 7141-4210
Candidate of Sciences in Engineering, Senior Researcher
Russian Federation, NovosibirskReferences
- Smerdov DN, Yashchuk MO. Experimental studies of the load-carrying capacity of flexible reinforced concrete elements strengthened by prestressed polymer composites. Russian Journal of Building Construction and Architecture. 2019;3(55):72–83. (In Russ.) doi: 10.25987/VSTU.2019.55.3.008
- Selivanova EO, Smerdov DN. Experimental study of creep in composite materials, bending reinforcement concrete elements. Akademicheskii vestnik UralNIIproekt RAASN. 2017;2(33):95–99. (In Russ.) EDN: ZAEKKP
- Nevolin DG, Smerdov MN, Smerdov DN. Experimental investigations of supporting capacity of reinforced-concrete constructions at mining-technical buildings and constructions. Izvestiya vysshikh uchebnykh zavedenii. Gornyi zhurnal. 2015;8:138–142. (In Russ.) EDN: VAYFKJ
- Klement’ev AO, Smerdov DN, Smerdov MN. Experimental studies of reliability and deformability of bending concrete elements reinforced in compression and tension areas by non-metallic composites. Transport Urala. 2014;4(43):50–55. (In Russ.) EDN: TFCSEB
- Bokarev SA, Kostenko AN, Smerdov DN, Nerovnykh AA. Experimental studies of reinforced with polymer composites ferroconcrete specimens at low and high temperatures. Internet-zhurnal ‘Naukovedenie’. 2013;3(16):168. (In Russ.) EDN: QZYAAT
- Bokarev SA, Smerdov DN. Experimental studies of bent reinforced concrete elements reinforced with composite materials. Automation in Construction. 2010;2(614):112–124. (In Russ.)
- Bokarev SA, Smerdov DN. Research of multiple freezing and thawing influence on change of bearing and deformative abilities of the reinforced concrete flexural elements strengthened by the composite materials. Transport Urala. 2010;3(26):98–104. (In Russ.) EDN: MVLIBL
- Bokarev SA, Ustinov VP, Yashnov AN, Smerdov DN. Usilenie proletnykh stroenii s ispol’zovaniem kompozitnykh materialov. Put’ i putevoe khozyaistvo. 2008;6:30–31. (In Russ.)
- Bokarev SA, Smerdov DN. Polymer composite materials in transport construction industry. Transport Urala. 2016;1(48):24–30. (In Russ.) EDN: VRDJSL doi: 10.20291/1815-9400-2016-1-24-30
- Bokarev SA, Smerdov DN, Nerovnykh AA. Metodika rascheta po prochnosti sechenii ekspluatiruemykh zhelezobetonnykh proletnykh stroenii, usilennykh kompozitnymi materialami. Izvestiya vysshikh uchebnykh zavedenii. Stroitel’stvo. 2010;10(622):63–74. (In Russ.)
- Bokarev SA, Smerdov DN. The nonlinear analysis of bending reinforced concrete structures strengthened by composite materials. Vestnik of Tomsk State University of Architecture and Building. 2010;2(27):113–125. (In Russ.) EDN: MNGZUN
- Smerdov DN, Klementyev AO. The calculation of the strength of the cross-sections normal to the longitudinal axis of bendable concrete elements with combined reinforcement in metal and polymer composite fittings, using a nonlinear deformation model of the material. Internet-zhurnal Naukovedenie. 2017;1(9):34. (In Russ.) EDN: YMXOVP
- Nevolin DG, Klementyev AO, Smerdov DN, Smerdov MN. A method to analyze performance of bendingconcrete elements reinforced with polymer composites. Transport Urala. 2015;3(46):98–101. (In Russ.) EDN: UKFQTT
- Plevkov VS, Baldin IV, Nevskii AV. Estimated Stresses in Steel and Carbon Reinforced Composite Rebar of Normal Sections in Concrete Structures. Vestnik of Tomsk State University of Architecture and Building. 2017;(1):96–113. (In Russ.) Accessed: 23.08.2024 Available from: https://vestnik.tsuab.ru/jour/article/view/273/274
- Ushakov AE, Klenin UG, Sorina TG, et al. Bridge structures made of composites. Composites and Nanostructures. 2009;(3):25–37. (In Russ.)]. Accessed: 23.08.2024 Available from: http://www.issp.ac.ru/journal/composites/2009/2009_3/ushakov.pdf
Supplementary files










