Incomplete-phase algorithms for pulse-width modulation of three-phase voltages in frequency control systems of electric drives
- Authors: Saushev A.V.1, Belousov I.V.1, Bova E.V.1, Rumyantsev A.Y.1
-
Affiliations:
- Admiral Makarov State University of Maritime and Inland Shipping
- Issue: Vol 10, No 2 (2024)
- Pages: 231-246
- Section: Original studies
- URL: https://transsyst.ru/transj/article/view/628299
- DOI: https://doi.org/10.17816/transsyst628299
- ID: 628299
Cite item
Full Text
Abstract
Aim. This study aims to analyze incomplete-phase algorithms for pulse-width modulation of three-phase voltages in the frequency control of electric drives, focusing on the criterion of minimizing the number of switching keys in the frequency converter.
Materials and methods. To study processes pulse-width modulation processes the in frequency control of electric drives, methods of the theory of electric circuits were used. The proposed algorithms are illustrated in figures and can be implemented in MATLAB software environment.
Results. The study examines the pulse-width modulation process in frequency control systems for electric drives. It was established that using incomplete-phase pulse-width modulation algorithms is advisable to minimize the number of switching keys in the frequency converter. Various premodulation functions were analyzed, including pulse-width modulation algorithms with uniform and uneven energy loss distribution across the keys. Analytical models of premodulation functions for pulse-width modulation algorithms were developed, incorporating the use of lower keys in the converter half-bridges and alternating inclusion of their upper and lower keys.
Conclusion. The results can be applied to the development of algorithms for controlling frequency converters in asynchronous electric drive systems.
Full Text
ВВЕДЕНИЕ
Системы широтно-импульсной модуляции (ШИМ) находят широкое применение в различных областях техники и, в частности, при управлении электродвигателями в составе автоматизированного электропривода. На транспорте, в настоящее время, основное применение находит асинхронный электропривод, для управления которым наиболее широко используются системы частотного и векторного управления. Важнейшей задачей ШИМ напряжения, формируемого электронно-ключевым преобразователем в системе преобразователь – электродвигатель, является снижение пульсаций тока на периоде модуляции [1–5]. При этом под ШИМ понимается процесс аппроксимации импульсами синусоидального напряжения, которое необходимо для управления электродвигателями.
Мера расхождения между желаемым напряжением и его импульсной аппроксимацией является важнейшей характеристикой качества модуляции. Чем меньше это расхождение, тем выше качество модуляции. Показатели качества ШИМ существенно зависят от частоты следования импульсов. При этом, с одной стороны, увеличение частоты модуляции позволяет более точно формировать напряжение на выходе преобразователя частоты, приблизив его к синусоидальной функции, а, с другой стороны, ведет к возрастанию динамических потерь в электронных ключах этого преобразователя, который является важнейшим силовым элементом электропривода. Таким образом, повышение качества модуляции лишь за счет повышения частоты модуляции не дает желаемого эффекта и приводит к дополнительным потерям. Вместе с тем известно, что повышение качества модуляции напряжения на нагрузке объективно ведет к снижению потерь мощности и уменьшению виброшумовых характеристик электроприводов. Отсюда следует важность решения задач, направленных на повышение качества модуляции в системе электропривода.
В настоящее время известно достаточно большое количество методов, реализующих ШИМ, для сравнения которых используются различные критерии – качества модулированного напряжения [6, 7] и тока [8, 9], коэффициент гармоник [6, 10], потери мощности в электродвигателе [11].
В работе [12] установлено, что основным критерием, определяющим качество модуляции, по которому следует сравнивать алгоритмы ШИМ, является дисперсия тока в нагрузке. Можно показать, что при фиксированной частоте модуляции неполнофазные алгоритмы ШИМ (Н-ШИМ) будут уступать по критерию дисперсии тока в нагрузке оптимальным полнофазным алгоритмам ШИМ (П-ШИМ) [12].
Важнейшим показателем качества ШИМ является также число коммутаций ключей преобразователя частоты. Это обусловлено тем, что уменьшение числа коммутаций ключей на периоде модулирующей функции ведет к снижению динамических потерь энергии в электронных ключах. Если положить, что потери энергии в трехфазном электронно-ключевом мосте ограничены способностью рассеивания их без нарушения работоспособности моста, то при заданных динамических потерях энергии можно поднять частоту модуляции и поднять ее качество. Это особенно актуально для мощных преобразователей частоты.
В работах [3–16] показано, что для минимизации числа коммутаций ключей преобразователя частоты целесообразно применение неполнофазных алгоритмов ШИМ. На основе алгоритмов с минимальным числом коммутаций ключей преобразователя актуальны также алгоритмы ШИМ с равномерным распределением потерь энергии в ключах. Очевидно, что при наличии датчиков температуры ключей у мощных электронных преобразователей энергии можно синтезировать алгоритмы, которые будут автоматически следить за равномерным распределением потерь энергии в ключах. Работы в этом направлении уже ведутся [17]. Рассмотрим возможные алгоритмы неполнофазной трехфазной ШИМ.
АЛГОРИТМЫ НЕПОЛНОФАЗНОЙ ТРЕХФАЗНОЙ ШИМ
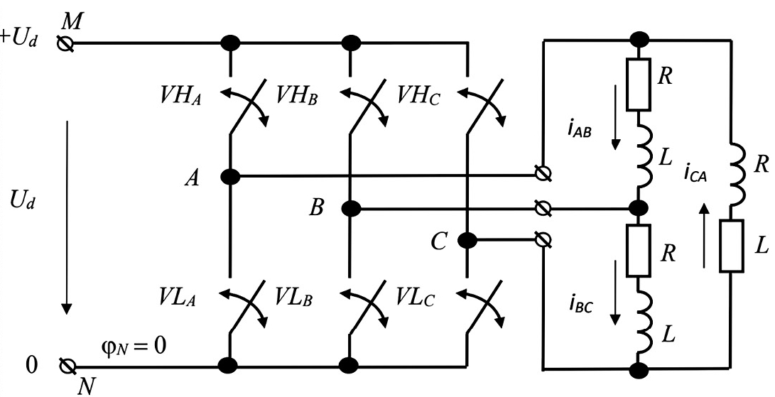
Как известно, широтно-импульсная модуляция трехфазного напряжения реализуется на трех электронно-ключевых полумостах преобразователя частоты (см. Рис. 1).
Полумосты трехфазного электронно-ключевого моста далее обозначаются A, B, C. Управление полумостами осуществляется так, что включен либо верхний, либо нижний ключ. Следовательно, для описания управления полумостами X = A, B, C достаточно задать, коммутационные импульсные функции верхних ключей [12].
Пусть заданы модулирующие функции фазных напряжений gA = uA/Ud; gB = uB/Ud; gC = uC/Ud, где uA, uB, uC – фазные напряжения на нагрузке; Ud – напряжение источника питания. Будем полагать, что они удовлетворяют следующему соотношению
(1)
Модулирующие функции линейных напряжений gAB = uAB/Ud; gBC = uBC/Ud; gCA = uCA/Ud связаны с модулирующими функциями фазных напряжений и модулирующими функциями потенциалов полумостов соотношениями, которые следуют из второго закона Кирхгофа для трехфазного моста (см. Рис. 1):
(2)
где – скважность импульса в полумосте X = A, B, C.
Решение уравнений (2) относительно модулирующих функций потенциалов полумостов X = A, B, C можно записать в следующем виде:
(3)
где γ₀ – нулевая потенциальная функция, являющаяся свободной переменной; – переменная, называемая функцией предмодуляции.
Нулевая потенциальная функция линейно связана с модулирующими функциями ключей следующим выражением
. (4)
Многообразие алгоритмов модуляции определяется выбором функции предмодуляции. Заметим, что модулирующие функции ключей полумостов X = A, B, C имеют линейную связь. Следовательно, одна из трех модулирующих функций ключей может быть выбрана произвольно. В настоящей статье связи модулирующих функции полумостов выберем так, чтобы минимизировать число коммутаций ключей.
Для формального описания алгоритма будем полагать, что заданы модулирующие функции фазных напряжений gA, gB, gC. Упорядочим эти функции в порядке убывания. Возможны шесть комбинаций неравенств:
gA>gB>gC; gB>gA>gC; gB>gC>gA;
gC>gB>gA; gC>gA>gB; gA>gС>gB (5)
Неравенства (5) разобьем на три группы:
группа 1: gA > gB > gC; gA > gС > gB
группа 2: gB > gA > gC; gB > gC > gA
группа 3: gC > gB > gA; gC > gA > gB
Положим, что имеет место первая группа неравенств, в которой наибольшая модулирующая функция напряжения gA. Есствэто так, то будем полагать, что коммутационная функция полумоста χA=1 (включен верхний ключ полумоста A). Тогда модулирующая функция полумоста A, на основании выражения (3) будет иметь вид:
Из данного выражения следует, что функция предмодуляции
.
Полученная функция предмодуляции определяет модулирующие функции других двух полумостов:
; .
Очевидно, что при выполнении первой группы неравенств, модулирующие функции линейных напряжений gAB = gA – gC; gAC = gA – gC будут удовлетворять неравенствам 0 ≤ gAB, gAC ≤ 1.
Таким образом, на одной третьей периода можно без коммутаций ключей полумоста A обеспечить модуляцию линейных и фазных напряжений. Аналогично, если выполняются равенства второй и третьей группы, то будут включены верхние ключи полумостов B и C.
В общем виде функция предмодуляции для всех трех интервалов времени на периоде модулирующих функций фазных напряжений запишется в следующем виде:
. (6)
Тогда модулирующие функции ключей (3) полумостов X = A, B, C будут определяться выражением
.
Графики модулирующих функций потенциалов полумоста γA и нулевой потенциальной функции с функцией предмодуляции приведены на Рис. 2 а. Число коммутаций ключей полумостов за период модулирующих функций фазных и линейных напряжений N = 2×f * + 3, где f * – относительная частота модуляции.
АЛГОРИТМ ШИМ С ВКЛЮЧЕНИЕМ НИЖНИХ КЛЮЧЕЙ ПОЛУМОСТОВ ПРЕОБРАЗОВАТЕЛЯ
Неравенства (5) разобьем на следующие три группы:
группа 1: gC>gB>gA; gB>gC>gA;
группа 2: gA>gС>gB; gC>gA>gB;
группа 3: gA>gB>gC; gB>gA>gC.
Положим, что имеет место первая группа неравенств. Можно принять, что модулирующая функция полумоста A (3):
.
Значению γA= 0 соответствует значение коммутационной функции полумоста χA= 0 (включен нижний ключ полумоста A). Тогда функция предмодуляции будет иметь вид: .
Данное равенство определяет остальные модулирующие функции других двух полумостов: ; .
Очевидно, что при выполнении первой группы неравенств, модулирующие функции линейных напряжений будут удовлетворять неравенствам Таким образом, на одной третьей периода можно без коммутаций ключей полумоста A обеспечить модуляцию линейных и фазных напряжений. Аналогично, если выполняются равенства второй и третьей группы, то будут включены верхние ключи полумостов B и C.
В общем виде функция предмодуляции для всех трех интервалов времени на периоде модулирующих функций фазных напряжений запишется в следующем виде:
.(7)
Тогда модулирующие функции ключей (3) полумостов X = A, B, C будут определяться выражением: .
Графики модулирующих функций потенциалов полумоста γA и нулевой потенциальной функции функцией предмодуляции g₀H приведены на Рис. 2 b. Число коммутаций ключей полумостов за период модулирующих функций фазных и линейных напряжений можно вычислить по формуле
N = 2×f * + 3,
где f * – относительная частота модуляции.
АЛГОРИТМ ШИМ С ЧЕРЕДОВАНИЕМ ВКЛЮЧЕНИЯ ВЕРХНИХ И НИЖНИХ КЛЮЧЕЙ ПОЛУМОСТОВ ПРЕОБРАЗОВАТЕЛЯ
Если применять один из рассмотренных выше алгоритмов, то верхние или, соответственно, нижние ключи будут иметь большие статические потери мощности. Для равномерного нагрева ключей целесообразно чередовать алгоритмы с включением нижних и верхних ключей.
Рис. 1. Иллюстрация широтно-импульсной модуляции напряжения
Fig. 1. Illustration of pulse-width voltage modulation
Для формального описания алгоритма будем полагать, что заданы модулирующие функции фазных напряжений gA(τ), gB(τ), gC(τ). С помощью данных функций синтезируем булеву переменную x₀, определяющую чередование включенного состояния верхних и нижних ключей мостовой схемы (см. Рис. 1).
В результате получим следующее выражение:
, (8)
где τ – относительное врмя; β – параметр сдвига булевой функци; f * – относительная частота модуляции.
Рис. 2. Графики модулирующих функций потенциалов полумоста γA и нулевой потенциальной функции γ₀ с функцией предмодуляции: а) ; b)
Fig. 2. Graphs of the modulating functions of the half-bridge potentials γA and the zero potential function γ₀ with the premodulation function: a) ; b)
Рис. 3. График булевой переменной x₀(β), определяющей чередование включенного состояния верхних и нижних ключей
Fig. 3. Graph of the Boolean variable x₀(β), which determines the alternation of the enabled state of the upper and lower keys
Булева переменная x₀(β) будет периодической функцией времени, частота которой в три раза выше частоты модулирующих функций напряжения. Вариация параметра сдвига в интервале β ∈ [–f */12, f */12], исчерпывает все возможные варианты трехфазной модуляции с минимальным числом коммутаций ключей. График булевой переменной x₀, определяющей чередование включенного состояния верхних и нижних ключей приведен на Рис. 3.
Используя функцию x₀(β), запишем функцию предмодуляции
. (9)
Модулирующие функции ключей запишутся в виде
. (10)
Выбор β функции предмодуляции g₀(β) определяет алгоритм модуляции и его качество. Графики модулирующих функций ключей полумостов и их функция предмодуляции g₀(0), обеспечивающая минимальное число коммутаций ключей при синусоидальных модулирующих функциях фазных напряжений, приведены на Рис. 4.
Рис. 4. Графики: a) модулирующих функции ключей полумостов и b) их функция предмодуляции g₀(0), обеспечивающая минимальное число коммутаций ключей
Fig. 4. Graphs: a) the modulating functions of the half-bridge keys and b) their premodulation function g₀(0), which provides the minimum number of key switches
На Рис. 4 b пунктиром показана оптимальная функция предмодуляции по рассматриваемому критерию.
Графики модулирующих функций ключей полумостов и их функция предмодуляции , обеспечивающая минимальное число коммутаций ключей при синусоидальных модулирующих функциях фазных напряжений приведены на Рис. 5. На Рис. 5 b пунктиром показана оптимальная по критерию минимума дисперсии токов функция предмодуляции g₀, определенная выражением [12]
. (11)
Логично предположить, что наиболее предпочтительной по критерию дисперсии тока функцией предмодуляции будет такая функция, которая имеет минимальные отклонения от оптимальной функции предмодуляции, определенной выражением (11). В качестве меры отличия функций предмодуляции и при может быть использован интегральный квадратичный функционал на периоде функции предмодуляции:
G(β) = .
График зависимости G(β) при синусоидальных модулирующих функциях фазных напряжения приведен на Рис. 6. Из представленных графиков следует, что наибольшее и наименьшее среднеквадратичное отклонение функции предмодуляции от оптимальной функции предмодуляции достигается при g₀HL0 = g₀(0) и g₀HL1 = g₀(f */12). Следовательно, наименьшую дисперсию тока неполнофазная ШИМ будет обеспечивать при использовании функции предмодуляции g₀HL1 при β = (f */12). При уменьшении коэффициента амплитуды модуляции a величина G(β) возрастает.
Число коммутаций ключей полумостов за период модулирующих функций фазных и линейных напряжений N = 2×f * + , где f * – относительная частота модуляции. Заметим, что чередование включения верхних и нижних ключей полумостов приводит к некоторому повышению числа коммутаций ключей.
Коммутационные функции ключей полумостов X = A, B, C, позволяющие реализовать алгоритм Н-ШИМ с равномерным распределением потерь энергии на электронных ключах, запишутся в следующем виде:
,
где γX – модулирующая потенциальная функция полумоста, определенная выражением(10); ∆αX – коэффициент смещения импульса относительно середины интервала ШИМ [12] φ = φ(τ) – пилообразная функция времени.
Рис. 5. Графики: a) модулирующей функции ключей полумоста A и b) функции предмодуляции g₀(f */12), обеспечивающая минимальное число коммутаций ключей
Fig. 5. Graphs: a) the modulating function of the half-bridge keys A and b) the premodulation function g₀(f */12), which provides the minimum number of key switches
Рис. 6. График зависимости G(β) при синусоидальных модулирующих функциях фазных напряжений
Fig. 6. Graph of the dependence of G(β) for sinusoidal modulating functions of phase voltages
ЗАКЛЮЧЕНИЕ
Реализация рассмотренного алгоритма Н-ШИМ на практике приведет к увеличению дисперсии тока, которая является основным критерием качества модуляции. Однако, с другой стороны, минимизация числа коммутаций ведет к снижению динамических потерь энергии в ключах, что позволит увеличить частоту модуляции и уменьшить дисперсию тока. Таким образом, дальнейшим направлением исследований является сравнение алгоритмов модуляции Н-ШИМ и П-ШИМ по величине дисперсии тока при заданных потерях энергии в ключах. Такое сравнение может быть выполнено по величине интегральной дисперсии тока.
Авторы заявляют, что:
- У них нет конфликта интересов;
- Настоящая статья не содержит каких-либо исследований с участием людей в качестве объектов исследований.
The authors state that:
- They have no conflict of interest;
- This article does not contain any studies involving human subjects.
About the authors
Aleksandr V. Saushev
Admiral Makarov State University of Maritime and Inland Shipping
Author for correspondence.
Email: saushev@bk.ru
ORCID iD: 0000-0003-2657-9500
SPIN-code: 9692-8603
Dr. Sci (Tech), Head of the Department of Electric Drive and Electrical Equipment Shore Installations
Russian Federation, St. PetersburgIgor V. Belousov
Admiral Makarov State University of Maritime and Inland Shipping
Email: igor5.spb@yandex.ru
ORCID iD: 0000-0002-9754-1318
SPIN-code: 9055-5945
Associate Professor, Department of Electric Drive and Electrical Equipment of Coastal Installations
Russian Federation, St. PetersburgElena V. Bova
Admiral Makarov State University of Maritime and Inland Shipping
Email: elena.bova2015@bk.ru
ORCID iD: 0000-0003-3677-3075
SPIN-code: 6074-8082
Associate Professor, Department of Electric Drive and Electrical Equipment of Coastal Installations
Russian Federation, St. PetersburgAlexey Yu. Rumyantsev
Admiral Makarov State University of Maritime and Inland Shipping
Email: stehnika@mail.ru
ORCID iD: 0000-0001-9080-515X
SPIN-code: 1239-5936
Cand. Sci (Tech), Associate Professor, Department of Electric Drive and Electrical Equipment of Coastal Installations
Russian Federation, St. PetersburgReferences
- Madhavi R, Harinath C. Investigation of various space vector pwm techniques for inverter. International Journal of Engineering Research and Management (IJERM). 2014;1(7):162–165. [cited: 09.03.2023] Available from: https://www.ijerm.com/download_data/IJERM0110071.pdf
- Klimov V. Chastotno-energeticheskie parametry shim-invertorov sistem bespereboinogo pitaniya. Silovaya elektronika. 2009;22:66–71. (In Russ.) [cited: 09.03.2023] Available from: https://power-e.ru/wp-content/uploads/2009_4_66.pdf
- Hava AM, Çetin NO. A Generalized Scalar PWM Approach with Easy Implementation Features for Three-Phase, Three-Wire Voltage-Source Inverters. IEEE Transactions on Power Electronics. 2010;26(5):1385–1395. doi: 10.1109/TPEL.2010.2081689
- Dmitriev BF, Galushin SYa, Likhomanov AM, Rozov AYu. Trekhfaznaya sinusoidal’naya modifitsirovannaya shirotno-impul’snaya modulyatsiya pervogo roda v avtonomnykh invertorakh. Morskoi vestnik. 2017;1(61):S. 69–72. (In Russ.) [cited: 09.03.2023] Available from: http://morvest.ru/Full%20articles/MV-61_to%20Web.pdf
- Mao X, Ayyanar R, Krishnamurthy HK. Optimal variable switching frequency scheme for reducing switching loss in single-phase inverters based on time-domain ripple analysis. IEEE Transactions on Power Electronics. 2009;24(4):991–1001. doi: 10.1109/TPEL.2008.2009635
- Bulatov OG, Oleshchuk VI. Avtonomnye tiristornye invertory s uluchshennoi formoi vykhodnogo napryazheniya. Kishinev: Shtiintsa, 1980. (In Russ.)
- Gus’kov VO, Lavin AV. Sravnitel’nyi analiz matematicheskikh opisanii i metodov shirotno-impul’snoi modulyatsii. Vestnik Astrakhanskogo gosudarstvennogo tekhnicheskogo universiteta. Seriya: Morskaya tekhnika i tekhnologiya. 2023;3:74–81. (In Russ.) doi: 10.24143/2073-1574-2023-3-74-81
- Hava AM, Kerkman RJ, Lipo TA. A High Performance Generalized Discontinuous PWM Algorithm. IEEE Transactions on Industry applications. 1998;34(5):1059–1071. doi: 10.1109/28.720446
- Orlov YuI, Petrenko YuN. A search algorithm for optimizing the output voltage of an inverter. Technical electrodynamics. 1986;4:50–57.
- Tan G, Deng Q, Liu Z. An optimized SVPWM strategy for five-level active NPC (5L-ANPC) converter. IEEE Transactions on power electronics. 2013;29(1):386–395. doi: 10.1109/TPEL.2013.2248172
- Tomasov VS, Usol’tsev AA, Vertegel DA, Denisov KM. Issledovanie pul’satsii elektromagnitnogo momenta v pretsizionnom servoprivode pri sinusoidal’noi shirotno-impul’snoi modulyatsii. Nauchno-tekhnicheskii vestnik informatsionnykh tekhnologii, mekhaniki i optiki. 2019;19(2):359–368. (In Russ.) doi: 10.17586/2226-1494-2019-19-2-359-368
- Belousov IV, Samoseiko VF, Saushev AV. Assessment of filtering properties of asynchronous electric drive with pulse width modulation. E3S Web of Conferences. 2022;363:1–8. doi: 10.1051/e3sconf/202236301025
- Hava AM, Çetin NO. A Generalized Scalar PWM Approach with Easy Implementation Features for Three-Phase, Three-Wire Voltage-Source Inverters. IEEE Transactions on Power Electronics. 2011;26(5):1385–1395. doi: 10.1109/TPEL.2010.2081689
- Bakhovtsev IA, Zinoviev GS. Generalized analysis of the output energy of multiphase multilevel voltage inverters with pulse-width modulation. Electricity. 2016;4:26–33. EDN: WALPQZ
- Chaplygin EE, Khukhtikov SV. Pulse width modulation with passive phase in three-phase voltage inverters. Electricity. 2011;5:53–61. EDN: NRBWQP
- Nayeemuddin M, Rao C. Space Vector Based High Performance Discontinuous Pulse Width Modulation Algorithms for VSI Fed AC Drive. Innovative Systems Design and Engineering (IJSR). 2016;5(7):203–208. [cited: 09.03.2023] Available from: https://www.ijsr.net/archive/v5i7/NOV164785.pdf
- Anuchin AS, Gulyaeva MA, Shpak DM, et al. Minimization and redistribution of switching losses in a voltage inverter using a pulse width modulation algorithm with prediction. Bulletin of the MEI. 2019;1:79–85. doi: 10.24160/1993-6982-2019-1-79-85
Supplementary files










