Options for the structure of an autonomous electric power system with a battery of hydrogen fuel cells
- Authors: Karabadzhak I.D.1, Nikitin V.V.1
-
Affiliations:
- Emperor Alexander I St. Petersburg State Transport University
- Issue: Vol 10, No 1 (2024)
- Pages: 59-75
- Section: Original studies
- URL: https://transsyst.ru/transj/article/view/624890
- DOI: https://doi.org/10.17816/transsyst624890
- ID: 624890
Cite item
Full Text
Abstract
Background. Recently, interest in the problem of reducing the emissions of hydrocarbon fuel combustion products into the atmosphere and the use of alternative and renewable energy sources has sharply increased. This problem is relevant to both stationary and transport energy. One of the ways to reduce the harmful impact of primary energy sources in autonomous transport power plants on the environment is their hybridization, i.e., use, along with traditional energy sources (turbogenerators and diesel generators), of hydrogen sources of electricity (fuel cell batteries).
Aim. This study presents a justification of the optimal variant of the structure of an autonomous electric power system with a combined power plant based on hydrogen sources of electricity.
Materials and Methods. To achieve this goal, a comparative analysis of the parameters and characteristics of the power system elements was performed, as well as a method for modeling processes in the power system under study using the MATLAB Simulink package. Two options for the structure of an autonomous electric power system are being considered, namely, a common AC and DC bus. An analysis of the parameters and characteristics of these options was performed for three typical operating modes, namely, turning on a static load, direct starting of an asynchronous motor with a load on the shaft, and transferring consumers from power from a diesel generator to power from a battery of hydrogen fuel cells.
Results. In all considered modes, the VTE battery is characterized by a rapid response to load changes and stable efficiency. The nature of transient processes is aperiodic or low oscillatory, rapidly decaying. In terms of the number of semiconductor converters, filtering devices, and their total power, the structure of an autonomous power system with a common AC bus is more preferable.
Full Text
ВВЕДЕНИЕ
Энергоустановки, использующие водород в качестве топлива, являются весьма перспективными источниками энергии, поскольку принципиально позволяют сочетать высокую энергетическую эффективность с сокращением вредных выбросов в атмосферу. Энергия, получаемая при сжигании одного килограмма угля, составляет 34 МДж/кг, для дизельного топлива этот показатель составляет 43 МДж/кг, а для водорода – 120 МДж/кг [1].
В последние два десятилетия интерес к созданию источников электрической энергии с использованием водородных топливных элементов резко возрос; это направление энергетики активно развивается как в сфере разработки стационарных объектов большой и малой энергетики, так и в транспортной сфере. В частности, для крупных транспортных объектов (судов, подвижного состава железных дорог) разработаны и проходят опытную эксплуатацию водородные источники электрической энергии на уровне мощностей в несколько сотен кВт [2–8].
Для энергообеспечения тяговых и вспомогательных нужд автономного моторвагонного подвижного состава в настоящее время используются преимущественно дизельные первичные источники энергии. Ведутся также перспективные разработки гибридного подвижного состава, где в качестве источников энергии используются тяговая аккумуляторная батарея и водородные источники энергии – топливные элементы (ВТЭ). По технико-экономическим оценкам ведущих мировых компаний-производителей железнодорожного подвижного состава затраты на эксплуатацию, пробег между заправками топливом (около 1000 км) и время заправки при пустых баках (около 15 минут) моторвагонного поезда с ВТЭ практически сопоставимы с аналогичными показателями для дизель-поезда. Однако, затраты на организацию необходимой инфраструктуры для заправки подвижного состава водородом более высокие. Для моторвагонных поездов, привод которых питается от тяговых аккумуляторных батарей, затраты на инфраструктуру ниже. Тем не менее, недостаточно высоки показатели пробега между подзарядками батареи (до 200 км), массы и времени зарядки бортовых систем хранения энергии (30–35 тонн и 45 минут соответственно) [9–12].
При разработке автономных электроэнергетических систем с водородными источниками энергии одной из первых задач, подлежащих решению, является задача обоснования структуры энергосистемы.
СТРУКТУРА АВТОНОМНОЙ ЭЛЕКТРОЭНЕРГЕТИЧЕСКОЙ СИСТЕМЫ С ВОДОРОДНЫМИ ИСТОЧНИКАМИ ЭНЕРГИИ
Рассмотрим автономную электроэнергетическую систему (АЭЭС) транспортного или стационарного исполнения, которая включает в себя основной источник энергии в виде дизель-генераторного агрегата, вырабатывающего энергию трехфазного переменного тока, и вспомогательный источник энергии в виде батареи ВТЭ, вырабатывающий энергию постоянного тока. Потребителями энергии в рассматриваемой системе будут приняты асинхронный двигатель с короткозамкнутым ротором (за прототип принят двигатель серии 5А200М4) и статическая нагрузка активно-индуктивного характера. Основные технические характеристики источников и потребителей электрической энергии, входящих в структуру рассматриваемой АЭЭС, представлены в табл. 1.
Таблица 1. Характеристики источников и приемников электрической энергии, входящих в состав рассматриваемой АЭЭС
Table 1. Characteristics of sources and receivers of electrical energy that are part of the considered autonomous electric power system
Параметр | Ед.изм. | Величина |
Источники энергии | ||
Мощность синхронного генератора | кВт | 100 |
Линейное напряжение синхронного генератора | В | 400 |
Мощность батареи топливных элементов | кВт | 100 |
Выходное напряжение батареи топливных элементов при номинальной мощности | В | 400 |
Потребители энергии | ||
Мощность асинхронного двигателя на валу | кВт | 37 |
КПД асинхронного двигателя | – | 0,92 |
Коэффициент мощности асинхронного двигателя | – | 0,85 |
Мощность статической нагрузки | кВА | 30 |
Коэффициент мощности статической нагрузки | – | 0,8 |
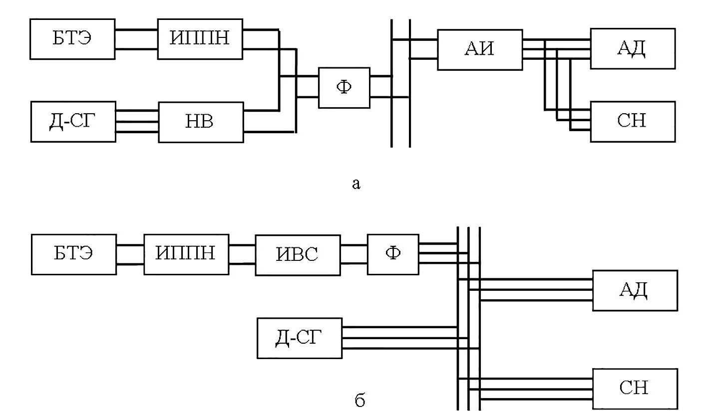
Поскольку источники энергии в АЭЭС генерируют энергию разного рода тока, для согласования параметров питания потребителей в составе АЭЭС необходимо использование полупроводниковых преобразователей [13–15]. Варианты структуры АЭЭС с общей шиной постоянного и переменного тока представлены на рис. 1.
Рис. 1. Структурная схема АЭЭС с общей шиной постоянного (а) и общей шиной переменного (б) тока.
БТЭ – батарея топливных элементов; Д-СГ — синхронный дизель-генератор; ИППН – импульсный преобразователь постоянного напряжения; НВ – неуправляемый выпрямитель; ИВС – инвертор, ведомый сетью; Ф — фильтр; АИ – автономный инвертор; АД – асинхронный двигатель; СН — статическая нагрузка
Fig. 1. Block diagram of an autonomous electric power system with a common DC bus (a) and a common AC bus (b).
БТЭ – fuel cells battery; Д-СГ – synchronous diesel generator; ИППН – pulsed DC voltage converter; НВ – uncontrolled rectifier; ИВС – grid-driven inverter; Ф – filter; АИ – autonomous inverter; АД – asynchronous motor; CH – static load
Для структурной схемы с общей шиной постоянного тока (рис. 1а) в составе АЭЭС необходимо иметь импульсный преобразователь постоянного напряжения, рассчитанный на номинальную мощность БТЭ (100 кВт), неуправляемый трехфазный выпрямитель, рассчитанный на номинальную мощность синхронного генератора (100 кВт) и автономный инвертор, рассчитанный на суммарную мощность потребителей (при заданных потребителях – 77 кВА) и допускающий 7,5-кратную перегрузку по току при прямом пуске асинхронного двигателя. Фильтр с учетом возможности подключения к общей шине других приемников энергии необходимо рассчитать на суммарную мощность источников энергии (200 кВт).
Для структурной схемы с общей шиной переменного тока (см. рис. 1б) в составе АЭЭС необходимо иметь импульсный преобразователь постоянного напряжения и инвертор, ведомый сетью, рассчитанные на мощность БТЭ (100 кВт). Фильтр необходимо рассчитать на выходную мощность канала БТЭ–ИППН–ИВС (100 кВА).
Таким образом, по количеству и суммарной мощности преобразователей энергии и фильтрующих устройств, структура с общей шиной переменного тока для рассматриваемой системы является более предпочтительной.
ПЕРЕХОДНЫЕ И УСТАНОВИВШИЕСЯ ПРОЦЕССЫ В АВТОНОМНОЙ ЭЛЕКТРОЭНЕРГЕТИЧЕСКОЙ СИСТЕМЕ С ВОДОРОДНЫМИ ТОПЛИВНЫМИ ЭЛЕМЕНТАМИ
Важным элементом сравнительного анализа вариантов структуры АЭЭС является моделирование и анализ переходных и установившихся процессов в системе. Рассмотрим следующие типовые переходные режимы в АЭЭС с дизель-генератором и батареей ВТЭ: включение статической нагрузки при питании от батареи ВТЭ; прямой пуск асинхронного двигателя при включенной статической нагрузке и питании от ВТЭ; перевод питания статической нагрузки и асинхронного двигателя с дизель-генератора на батарею ВТЭ. В качестве критериев сравнения примем следующие показатели: суммарные потери мощности в полупроводниковых преобразователях; качество и длительность переходных процессов; расход топлива (воздух, водород), пульсации и гармонический состав тока батареи ВТЭ; гармонический состав напряжения общей шины.
Исследование указанных типовых режимов выполнено на имитационной модели, реализованной в пакете MATLAB-Simulink.
Режим включения статической нагрузки при питании от батареи ВТЭ. Графики переходных процессов, возникающих при подключении статической нагрузки к батарее ВТЭ представлены на рис. 2. В табл. 2 представлены результаты моделирования по показателям характера и длительности переходных процессов, суммарным потерям мощности в полупроводниковых преобразователях, амплитуде пульсаций и гармоническому составу тока батареи ВТЭ, а также гармоническому составу напряжения общей шины.
Рис. 2. Переходные процессы при подключении статической нагрузки к батарее ВТЭ в АЭЭС с общей шиной постоянного (а) и переменного (б) тока.
Fig. 2. Transient processes when connecting a static load to a fuel-cells battery in an autonomous electric power system with a common DC (a) and common AC (b) bus
Таблица 2. Результаты моделирования режима включения статической нагрузки
Table 2. Simulation results for static load switching mode
Показатель | АЭЭС с общей шиной постоянного тока | АЭЭС с общей шиной переменного тока |
Суммарные потери мощности в преобразователях в установившемся режиме, кВт | 0,44 | 0,23 |
Длительность переходного процесса*, с | 0,2 | 0,3 |
Характер переходного процесса* | Апериодический | Апериодический |
Средний ток батареи ВТЭ, А | 36,9 | 52,0 |
Амплитуда пульсаций тока батареи ВТЭ, А | 5 | 5 |
Коэффициент пульсаций тока батареи ВТЭ | 0,135 | 0,096 |
Коэффициент гармоник тока батареи ВТЭ (THDI), % | 13,01 | 10,33 |
Напряжение общей шины, В** | 554 | 566 |
Коэффициент гармоник напряжения общей шины (THDU) | 0,38 | 5,40 |
*Примечание: здесь и далее длительность и характер переходного процесса оцениваются по изменению напряжения общей шины.
**Примечание: здесь и далее для общей шины постоянного тока дано значение постоянной составляющей, для общей шины переменного тока – действующее значение основной гармоники (50 Гц).
Режим прямого пуска асинхронного двигателя при включенной статической нагрузке и питании от батареи ВТЭ. В рассматриваемом режиме совместно с включенной статической нагрузкой (S = 30 кВА, cosφ = 0,8) к батарее ВТЭ путем прямого пуска подключается асинхронный двигатель с нагрузкой на валу в виде турбомеханизма. Нагрузка на валу асинхронного двигателя описывается зависимостью:
,
где МС0 – начальный (при нулевой скорости вращения) статический момент сопротивления исполнительного механизма (МС0 = 50 Нм); К – статический момент сопротивления исполнительного механизма при вращении (К = 200 Нм); nм, nном – текущее и номинальное значения частоты вращения ротора асинхронного двигателя (nном = 1467 об/мин).
Графики переходных процессов, возникающих в рассматриваемых АЭЭС при прямом пуске асинхронного двигателя, представлены на рис. 3. В табл. 3 представлены результаты моделирования по ряду важных показателей.
Рис. 3. Переходные процессы в АЭЭС с общей шиной постоянного (а) и переменного (б) тока при прямом пуске асинхронного двигателя и работающей статической нагрузке
Fig. 3. Transient processes in an autonomous electric power system with a DC common bus (a) and AC common bus (b) with direct start of an asynchronous motor and a working static load.
Таблица 3. Результаты моделирования режима прямого пуска асинхронного двигателя с нагрузкой на валу при включенной статической нагрузке
Table 3. Results of modeling the direct start mode of an asynchronous motor with a load on the shaft and a static load turned on
Показатель | АЭЭС с общей шиной постоянного тока | АЭЭС с общей шиной переменного тока |
Суммарные потери мощности в преобразователях в установившемся режиме, кВт | 0,115 | 0,075 |
Длительность переходного процесса, с | 0,8 | 1,5 |
Характер переходного процесса | Апериодический | Апериодический |
Амплитуда пульсаций тока батареи ВТЭ, А | 5 | 5 |
Коэффициент пульсаций тока батареи ВТЭ | 0,035 | 0,034 |
Коэффициент гармоник тока батареи ВТЭ (THDI), % | 9,91 | 7,98 |
Коэффициент гармоник напряжения общей шины (THDU) | 4,62 | 4,59 |
Провал напряжения общей шины при пуске двигателя, % | 4,6 | 8,3 |
Режим перевода питания статической нагрузки и асинхронного двигателя с синхронного дизель-генератора на батарею ВТЭ. Статическая нагрузка и асинхронный двигатель включены и работают в установившемся режиме с номинальными мощностями. Питание нагрузок переводится с синхронного дизель-генератора на батарею ВТЭ в три этапа: на первом этапе нагрузки питает только дизель-генератор, на втором этапе осуществляется совместное питание нагрузок от дизель-генератора и батареи ВТЭ, на третьем этапе нагрузки получают питание только от батареи ВТЭ (дизель-генератор отключен). Графики переходных и установившихся процессов в рассматриваемом режиме представлены на рис. 4. В табл. 4 представлены результаты моделирования; показатели приведены для второго этапа, когда питание потребителей осуществляется при совместной работе дизель-генератора и батареи ВТЭ.
Рис. 4. Переходные процессы в АЭЭС с общей шиной постоянного (а) и переменного (б) тока при переводе питания статической нагрузки и асинхронного двигателя с дизель-генератора на батарею ВТЭ.
Fig. 4. Transient processes in an autonomous electric power system with a DC common bus (a) and AC common bus (b) when transferring power of a static load and an asynchronous motor from a diesel generator to a fuel-cells battery
Таблица 4. Результаты моделирования режима перевода питания статической нагрузки и асинхронного двигателя
Table 4. Results of modeling the power transfer mode of a static load and an asynchronous motor
Показатель | АЭЭС с общей шиной постоянного тока | АЭЭС с общей шиной переменного тока |
Суммарные потери мощности в преобразователях в установившемся режиме, кВт | 0,166 | 0,066 |
Длительность переходного процесса, с | 0,5 | 0,4 |
Характер переходного процесса | Колебательный | Колебательный |
Средний ток батареи ВТЭ, А | 56,26 | 55,06 |
Амплитуда пульсаций тока батареи ВТЭ, А | 7,5 | 7,6 |
Коэффициент пульсаций тока батареи ВТЭ | 0,133 | 0,138 |
Коэффициент гармоник тока батареи ВТЭ (THDI), % | 13,37 | 13,13 |
Напряжение общей шины, В* | 608,8 | 563,4 |
Коэффициент гармоник напряжения общей шины (THDU), % | 0,37 | 4,10 |
ОБСУЖДЕНИЕ РЕЗУЛЬТАТОВ
Моделирование переходных и установившихся процессов в АЭЭС показало, что батарея ВТЭ характеризуется достаточно быстрым откликом на изменение нагрузки: при скачкообразных колебаниях мощности потребителей время отклика не превышает нескольких десятых долей секунды. Батарея ВТЭ характеризуется относительно стабильным КПД, который изменяется в диапазоне η = 0,57…0,62 при изменении мощности потребителей более чем в два раза. В процессе пуска и разбега асинхронного двигателя КПД батареи ВТЭ может кратковременно (на время разбега) уменьшаться до η = 0,50…0,52. Значения КПД батареи ВТЭ в установившихся режимах представлены в табл. 5.
Таблица 5. КПД батареи ВТЭ в установившихся режимах.
Table 5. The efficiency of a fuel-cell battery in a static modes.
Режим | ОШ постоянного тока | ОШ переменного тока | ||
Мощность нагрузки ВТЭ, кВт | КПД батареи | Мощность нагрузки ВТЭ, кВт | КПД батареи | |
1 | 24 | 0,62 | 24 | 0,62 |
2 | 40 | 0,58 | 40 | 0,58 |
3 | 64 | 0,57 | 64 | 0,57 |
Переменная составляющая тока батареи ВТЭ представлена высокочастотными гармониками: первая – 10 кГц. Коэффициент гармоник тока батареи ВТЭ мало меняется при изменении величины нагрузки. Относительное значение амплитуд гармоник переменной составляющей тока батареи ВТЭ в процентах от постоянной составляющей тока и коэффициент гармоник для установившихся процессов рассматриваемых режимов работы АЭЭС представлены в табл. 6.
Таблица 6. Относительные значения амплитуд гармоник тока батареи ВТЭ (общая шина постоянного/переменного тока)
Table 6. Relative values of harmonic amplitudes of the fuel-cell battery current (common DC/AC bus)
Режим | Порядок гармоники тока батареи ВТЭ | THDI | |||
1 (10 кГц) | 2 (20 кГц) | 3 (30 кГц) | 4 (40 кГц) | ||
1 | 11,5 | 5,0 | 2,75 | 1,5 | 13,01 |
9,25 | 4,0 | 2,0 | 1,0 | 10,33 | |
2 | 4,24 | 1,67 | 0,70 | 0,21 | 4,62 |
4,25 | 1,59 | 0,57 | 0,09 | 4,59 | |
3 | 12,5 | 4,5 | 1,5 | 0,25 | 13,37 |
12,25 | 4,5 | 1,75 | 0,1 | 13,13 | |
Характер переходных процессов в АЭЭС в рассмотренных режимах удовлетворительный: апериодический или малоколебательный. Длительность переходных процессов для режимов 1 и 3 не превышает нескольких десятых долей секунды, для режима 2 (прямой пуск асинхронного двигателя) – определяется временем разбега двигателя, по окончании которого все величины стабилизируются в течение 0,5 с.
По количеству полупроводниковых преобразователей и фильтрующих устройств, а также по их суммарной расчетной мощности АЭЭС с общей шиной переменного тока является более предпочтительной для питания заданных потребителей. Наиболее рациональная структура АЭЭС должна быть установлена в каждом конкретном случае, исходя из соотношения мощностей и функционального назначения источников и потребителей энергии. Если основной (наиболее мощный) источник энергии представляет собой источник переменного тока, а вспомогательный источник (менее мощный) – источник постоянного тока, тогда предпочтение следует отдать АЭЭС с общей шиной переменного тока. Также целесообразной будет структура с общей шиной переменного тока, если основные потребители энергии являются потребителями переменного тока постоянной частоты (например, статические нагрузки и нерегулируемые асинхронные электроприводы). АЭЭС с общей шиной постоянного тока целесообразна в тех случаях, когда батарея ВТЭ является основным источником энергии, а синхронный дизель-генератор выполняет вспомогательные функции, и основными потребителями энергии являются потребители постоянного тока или потребители переменного тока регулируемой частоты (например, асинхронные электроприводы с частотным управлением).
ЗАКЛЮЧЕНИЕ
Применение батарей ВТЭ в качестве вспомогательных или основных источников энергии в составе АЭЭС позволяет обеспечивать электрической энергией потребители во всех типовых режимах работы, оптимизировать режим нагрузки дизель-генератора, сократить его вредные выбросы в атмосферу и при необходимости выводить дизель-генератор из работы, например, для профилактического осмотра или технического обслуживания.
Батарея ВТЭ как источник энергии характеризуется быстрым откликом на резкое изменение нагрузки и относительно стабильным КПД. Переходные процессы в АЭЭС при использовании БТЭ имеют удовлетворительное качество и быстро затухают. Качество электрической энергии, которой снабжаются потребители, определяется алгоритмами управления полупроводниковыми преобразователями и параметрами фильтрующих устройств в составе энергосистемы.
Оптимальный вариант структуры АЭЭС необходимо устанавливать, исходя из мощности и функционального назначения источников энергии, а также требований по энергообеспечению потребителей. Для энергообеспечения типовых потребителей переменного тока неизменной частоты более предпочтительным вариантом структуры АЭЭС является структура с общей шиной переменного тока, т.к. она требует меньшего количества и меньшей суммарной расчетной мощности полупроводниковых преобразователей энергии.
Авторы заявляют что:
- У них нет конфликта интересов;
- Настоящая статья не содержит каких-либо исследований с участием людей в качестве объектов исследований.
The authors state that:
- They have no conflict of interest.
- This article does not contain any studies involving human subjects.
About the authors
Ivan D. Karabadzhak
Emperor Alexander I St. Petersburg State Transport University
Author for correspondence.
Email: iwan.karabajack@yandex.ru
SPIN-code: 4353-5098
engineer, post-graduate student
Russian Federation, St. PetersburgVictor V. Nikitin
Emperor Alexander I St. Petersburg State Transport University
Email: pgups.emks@mail.ru
ORCID iD: 0000-0002-5699-0424
SPIN-code: 6864-5678
Dr. Sci (Tech.), Associate Professor
Russian Federation, St. PetersburgReferences
- Shnipova AI. Development of hydrogen energy in Russia: a new energy policy. Energy of Unified Grid. 2022;62(1):58–69. [cited: 13.12.2023] Available from: https://энергия-единой-сети.рф/annotatsii-nomerov/1-62-2022/
- Tezuka K. 20 Years of Railway Technical Research Institute. Japan Railway & Transport Review. 2007;47(3):9–15. [cited: 13.12.2023] Available from: https://www.ejrcf.or.jp/jrtr/jrtr47/pdf/f09_Tez.pdf
- The Fuel Cell Industry Review, 2021. [internet] [cited 13 Dec. 2023] Available from: https://fuelcellindustryreview.com
- Klebsch W, Guckes N, Heininger P. Evaluation of climate-neutral alternatives to diesel multiple units. Economic viability assessment based on the example of the Düren network. June, 2020. [cited: 13.12.2023] Available from: https://www.vde.com/resource/blob/2068330/
- Ogawa K, Yoneyama T, Sudo T, et al. Performance Improvement of Fuel Cell Hybrid Powered Test Railway Vehicle. Quarterly Report of RTRI. 2021;62(1):16–21. doi: 10.2219/rtriqr.62.1_16
- Kasatkin MA, Landgraf IK. Perspektivy vodorodnyh energoustanovok na toplivnyh elementah dlya razvitiya elektrotransporta. Transport of Russian Federation. 2019;6(85):46–49 (In Russ.) [cited: 13.12.2023] Available from: https://www.elibrary.ru/download/elibrary_42194760_27245461.pdf EDN: TBTUPX
- Karasev D. Vodorodnaya i akkumuliatornaya tyaga: proekty TMH. (In Russ.) [cited: 13.12.2023] Available from: https://tmholding.ru/media/article/7135.html
- Dugin GS, Grigoriev SA. New possibilities for fuel cells application on the transport means. Alternative Fuel Transport. 2010;2(14):76–78. [cited: 13.12.2023] Available from: https://ngvrus.ru/file/journal-history/tat-2-2010-preview.pdf EDN: MBWLIZ
- Study of Hydrogen Fuel Cell Technology for Rail Propulsion and Review of Relevant Industry Standards. № DOT/FRA/ORD-21/20. Washington: Federal Railroad Administration, 2021. [cited: 13.12.2023] Available from: https://railroads.dot.gov/sites/fra.dot.gov/files/2021-06/Study%20of%20Hydrogen%20Fuel%20Cell%20Tech.pdf
- Lapidus BM. Improvements in energy efficiency and the potential use of hydrogen fuel cells in railway transport. The Russian Railway Science Journal. 2019;5: 274–283. (In Russ.) doi: 10.21780/2223-9731-2019-78-5-274-283
- Kim KK, Tkachuk AA. The three-phase transformer with stabilizing properties. Electronics and electrical equipment of transport. 2016;5:18–21. (In Russ.) [cited: 13.12.2023] Available from: http://eet-journal.ru/upload/iblock/336/6j1cafwyohyzloe8qniupvrhzuwsa2z9.pdf
- Asabin V, Garanin M, Kurmanova L, et al. Prospects for using hydrogen on railway transport. IOP Conf. Ser.: Mater. Sci. Eng. 2020;953:012074. doi: 10.1088/1757-899X/953/1/012074
- Baiko AV, Nikitin VV, Sereda EG. Hydrogen energy sources with current inverters in ship AC power plants. Russian Electrical Engineering. 2017;6(88):355–360. doi: 10.3103/S1068371217060037
- Nikitin VV, Marikin AN, Tret’yakov AV. Generator cars with hybrid power plants. Russian Electrical Engineering. 2016;5(87):260–265. doi: 10.3103/S1068371216050138
- Kim KK, Panychev AYu, Blazhko LS. Innovative Energy Sources for Hyperloop High-Speed Transport. BRICS Transport. 2022;1(1):1–10. doi: 10.46684/2022.1.1
Supplementary files








