Linear generator for power supply to on-board consumers of high-speed magnetically levitated carriages
- Authors: Nikitin V.V.1, Zhao T.1
-
Affiliations:
- Emperor Alexander I St. Petersburg State Transport University
- Issue: Vol 9, No 4 (2023)
- Pages: 59-71
- Section: Original studies
- URL: https://transsyst.ru/transj/article/view/611008
- DOI: https://doi.org/10.17816/transsyst20239459-71
- ID: 611008
Cite item
Full Text
Abstract
Background: Maglev transport is a promising mode of transport that can provide passenger and freight transportation at speeds of up to 400-500 km/h, and in the longer term – up to 1000 km/h. Active research in this area is being conducted in China, Japan, and the USA. Currently, in China and Japan, speeds of 450-500 km/h have been achieved for commercial transportation, and promising programs have been adopted for the construction of high-speed maglev tracks and the creation of rolling stock. At such speeds, one of the pressing problems is the problem of contactless energy transfer for on-board consumers located on the carriage, because it is very difficult to ensure reliable contact current collection at speeds of 450-500 km/h and above.
Aim: development of the design, calculation and analysis of the characteristics of a linear generator of electrical energy for contactless power transfer to the moving crew of high-speed magnetically levitated transport.
Materials and methods: to calculate the external magnetic field of the linear generator inductor and the EMF induced in the receiving coil of the crew, methods of electromagnetic field theory and electrical circuit theory were used; calculation algorithms are implemented in the Visual Basic for Applications software environment.
Results: a design was proposed and the calculation of the external magnetic field of an inductor with transposition of conductors was performed; to increase the EMF induced in the receiving coil of the crew, it is proposed to give the receiving coil a double 8-shape; the most rational inter-circuit distance of the linear generator inductor has been established; the nature of the change in the magnetic flux penetrating the receiving coil when the vehicle moves, and the magnitude of the emf induced in the receiving coil are determined.
Conclusion: the results can be used in the development of rolling stock for promising high-speed maglev transport systems.
Full Text
ВВЕДЕНИЕ
Высокоскоростные магнитолевитационные экипажи должны нести на борту ряд потребителей электрической энергии, которые обеспечивают собственные нужды экипажа. Основными из них являются: системы криогенного обеспечения сверхпроводящих магнитов тяги, подвеса и направления экипажей с электродинамическим подвесом; вспомогательные системы выпуска и подъема разгонно-посадочных колесных шасси экипажей с электродинамическим подвесом; системы питания электромагнитов подвеса, тяги и направления экипажей с электромагнитным подвесом; системы автоматического управления и радиосвязи; системы освещения пассажирских салонов; системы кондиционирования воздуха пассажирских салонов; системы информационного обеспечения пассажирских салонов [1–5].
Учитывая имеющийся опыт разработки и создания высокоскоростных магнитолевитационных экипажей, а также богатый опыт разработки современного моторвагонного подвижного состава для железных дорог, можно оценить величину суммарной мощности бортовых потребителей на уровне 100-120 кВт на вагон (экипаж) [6–9].
Можно выделить два основных практически реализуемых способа бесконтактной передачи энергии для потребителей собственных нужд высокоскоростных магнитолевитационных экипажей:
- Бесконтактная система передачи энергии на движущийся экипаж на основе электромагнитной индукции. Такие системы способны передавать энергию на экипаж как на стоянке (линейные трансформаторы), так и при движении экипажа (линейные генераторы) от наземных стационарных систем тягового электроснабжения;
- Бортовые системы производства и хранения энергии (аккумуляторные батареи, электрохимические генераторы на основе водородных топливных элементов). Такие системы после пополнения от стационарных источников способны обеспечивать бортовые потребители независимо от устройств внешнего электроснабжения (автономные системы энергообеспечения).
Поскольку бортовые потребители энергии различного назначения характеризуются весьма разнообразными требованиями к мощности, напряжению, стабильности и качеству электропитания, необходимым элементом в системе энергообеспечения должны быть полупроводниковые преобразователи электрической энергии, получаемой от источников (линейных генераторов, трансформаторов или систем производства и хранения энергии).
В настоящей статье рассматривается вариант конструкции, основные расчетные соотношения и характеристики бесконтактного линейного генератора электрической энергии (ЛГЭЭ), принцип действия которого основан на явлении электромагнитной индукции ЭДС и тока в приемной катушке, размещенной на движущемся экипаже, при ее перемещении относительно переменно-полюсной магнитной системы неподвижного индуктора, размещенного на путевом полотне (эстакаде).
МАГНИТНОЕ ПОЛЕ ЛИНЕЙНОГО ГЕНЕРАТОРА С ТРАНСПОЗИЦИЕЙ ТОКОПРОВОДОВ ИНДУКТОРА
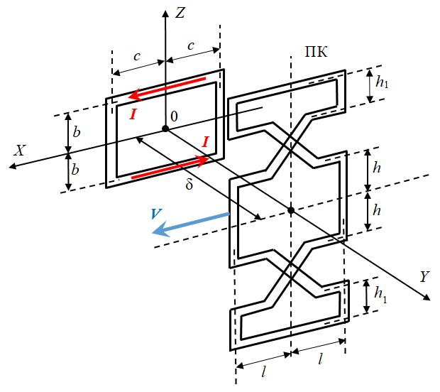
Принципиальная схема ЛГЭЭ с транспозицией проводников индуктора представлена на Рис. 1. На боковой (вертикальной) поверхности путевой эстакады размещены проводники индуктора, питаемые постоянным током от источника тока. Для уменьшения потерь энергии питание проводников индуктора должно осуществляться посекционно, по мере движения высокоскоростного экипажа. Транспозиция проводников индуктора обеспечивает изменение направления намагничивающей силы на каждом полюсном делении, благодаря чему создается переменно-полюсная магнитная система индуктора. Приемная катушка экипажа движется со скоростью V вдоль оси Х на расстоянии δ, которое представляет собой воздушный зазор между первичной (индуктор) и вторичной (приемная катушка) частями ЛГЭЭ.
Рассматриваемая система взаимодействующих контуров индуктора с током I и приемной катушки экипажа (ПК) расположена в однородной среде с магнитной проницаемостью μ0=4π∙10-7 Гн/м. Магнитная индукция поля индуктора в зоне движения ПК характеризуется тремя пространственными компонентами:
где – единичные векторы по координатным осям X, Y, Z;
BX, BY, BZ – компоненты магнитной индукции по осям X, Y, Z.
Для определения ЭДС, наводимой в ПК экипажа, необходимо знать распределение компоненты магнитного поля индуктора BY (x, z), нормальной к поверхности ПК. Для ее расчета примем упрощающее допущение: шестиугольный контур индуктора заменим прямоугольным контуром с такой же намагничивающей силой. Принятое допущение позволяет воспользоваться следующим выражением для расчета Y-компоненты магнитного поля индуктора, в точке наблюдения Q(x, y, z) [10, 11]:
Рис. 1. Линейный генератор с транспозицией проводников индуктора
(1)
где
Для удобства расчетов все геометрические размеры магнитной системы целесообразно выразить в относительных единицах, приняв за базис размер с катушки индуктора. Относительные размеры будем обозначать чертой сверху:
В дальнейшем будем рассматривать Y-компоненту магнитной индукции в расчете на единицу намагничивающей силы контура индуктора, тогда выражение (1) примет вид:
(2)
где
Характер изменения Y-компоненты магнитного поля уединенного контура индуктора в зоне размещения ПК экипажа при z=0 и b=0,5 (по продольной оси симметрии конура индуктора) в зависимости от воздушного зазора δ представлен на Рис. 2. Из графиков следует, что, например, для контура индуктора с размерами с=1,0 м и b=0,5 м при намагничивающей силе F=wI=1000 А в точке с координатами x=0, y=0,2 м, z=0 (точка, соответствующая геометрическому центру контура индуктора) магнитная индукция составит By=0,777 мТл.
Рис. 2. Распределение Y-компоненты магнитной индукции по координате Х для уединенного токового контура при Z=0 и различных значениях воздушного зазора. 1 – δ=0,01; 2 – δ=0,05; 3 – δ=0,1; 4 – δ=0,2
Характер распределения нормальной к поверхности ПК компоненты магнитного поля индуктора по координате Z аналогичен ее распределению по координате Х. С целью увеличения магнитного потока, пронизывающего контур ПК экипажа, и ЭДС, наводимой в ней, целесообразно использовать Y-компоненту магнитного поля за пределами проекции контура индуктора на плоскость ПК, т.е. поле в областях │Z│>b. Для этого ПК экипажа можно придать двойную 8-образную форму, изображенную на Рис. 3.
Рис. 3. Приемная катушка двойной 8-образной формы
Индуктор ЛГЭЭ представляет собой переменно-полюсную систему, образованную последовательностью токовых контуров, расположенных вдоль путевого полотна (эстакады). По этой причине необходимо учесть влияние соседних контуров индуктора на распределение Y-компоненты магнитного поля на полюсном делении. Поскольку рассматриваемая магнитная система характеризуется линейными свойствами, результирующее магнитное поле можно определить по принципу наложения полей соседних контуров, рассчитываемых с помощью выражения (2). Расчеты показывают, что для определения результирующего поля в продольных границах данного токового контура достаточно учитывать поля двух соседних с ним контуров, расположенных слева и справа.
Характер распределения Y-компоненты магнитного поля индуктора вдоль оси Х на двойном полюсном делении при Z=0, δ=0,1 и различных значениях межконтурного промежутка d дан на Рис. 4.
Рис. 4. Распределение Y-компоненты магнитного поля индуктора вдоль оси Х на двойном полюсном делении при Z=0, δ=0,1 и различных значениях межконтурного промежутка d. 1 – уединенный контур; 2 – система контуров при d=0,1; 3 – система контуров при d=0,5
Как видно, влияние соседних токовых контуров на распределение Y-компоненты магнитного поля данного контура проявляется в некотором увеличении индукции за счет токов, протекающих по вертикальным ребрам соседних контуров сонаправленно с токами данного контура. При d=0,1 это влияние более выражено, чем при d=0,5. При d=0,1 распределение Y-компоненты магнитного поля индуктора более равномерное, чем при d=0,5. Следовательно, спектр пространственных гармоник магнитного поля индуктора в первом случае (при d=0,1) будет содержать меньше составляющих. Выбор размера d=0,1 представляется более целесообразным еще и по той причине, что уменьшение размера d даст возможность уменьшить полюсное деление τ индуктора, что при заданной скорости движения экипажа позволит получить большую частоту и амплитуду ЭДС, индуктированной в ПК экипажа.
МАГНИТНЫЙ ПОТОК И ЭДС ПРИЕМНОЙ КАТУШКИ ЛИНЕЙНОГО ГЕНЕРАТОРА С ТРАНСПОЗИЦИЕЙ ТОКОПРОВОДОВ ИНДУКТОРА
Магнитный поток (в расчете на единицу намагничивающей силы контура индуктора), пронизывающий контур ПК, можно найти, проинтегрировав Y-компоненту магнитного поля индуктора площади поверхности ПК экипажа:
(3)
В выражении (3) первое слагаемое соответствует магнитному потоку, который пронизывает основную часть контура ПК размером 2lX2h, а второе слагаемое – магнитному потоку, пронизывающему "добавочные" контуры ПК размером 2lX2h1, если ПК экипажа имеет двойную 8-образную форму.
На Рис. 5 приведены кривые изменения результирующего магнитного потока , определенного по выражению (3), в зависимости от относительного смещения для ПК, имеющих прямоугольную и двойную 8-образную форму при следующих геометрических размерах:
Рис. 5. Зависимость удельного магнитного потока, пронизывающего ПК, от ее относительного смещения для прямоугольной (кривая 1) и двойной 8-образной формы ПК (кривая 2)
Представленные на Рис. 5 кривые достаточно точно могут быть аппроксимированы суммой основной (первой) и третьей гармоник. При расчете ЭДС, наводимой в ПК экипажа, удобнее перейти к абсолютным геометрическим размерам магнитной системы.
Учитывая, что линейное смещение контура ПК относительно контура индуктора связано со скоростью движения экипажа V соотношением a=Vt, получим для удельного (в расчете на единицу намагничивающей силы индуктора) магнитного потока выражение:
, (4)
Дифференцируя по времени выражение (4), находим действующие значения ЭДС первой и третьей гармоник магнитного потока, пронизывающего ПК экипажа (в расчете на единицу намагничивающей силы катушки индуктора):
(5)
где wпк, Nпк – число витков ПК и число ПК на экипаже.
Действующее значение результирующей ЭДС ПК:
Например, для ПК прямоугольной формы при с=1,0 м; d=0,1 м; τ=2(с+0,5d)=2,1 м имеем: Фm(1)=4,3 Вб/А; Фm(3)=1,0 Вб/А. Если ПК имеет wпк=1000 витков, а намагничивающая сила индуктора составляет Fи=200 А, тогда в каждой ПК экипажа при скорости движения V=100 м/с (360 км/ч) будет наводиться ЭДС Е=110 В. Если ПК придать двойную 8-образную форму, то при сохранении тех же основных размеров и той же скорости в каждой ПК экипажа будет наводиться ЭДС Е=215 В.
Требуемых для питания бортовых потребителей значений ЭДС и тока можно добиться путем последовательного и параллельного соединения нескольких приемных катушек экипажа. Поскольку величина ЭДС зависит от скорости движения экипажа, для стабилизации напряжения питания бортовых потребителей необходимо применение полупроводниковых преобразователей [12–16].
ЗАКЛЮЧЕНИЕ
Питание бортовых потребителей высокоскоростных магнитолевитационных экипажей при движении со скоростями 200-500 км/ч целесообразно осуществлять от линейных генераторов, основными частями которых являются индуктор (источник переменно-полюсного магнитного поля), размещаемый на путевом полотне, и приемная катушка, размещаемая на экипаже. Предложен вариант линейного генератора, в котором индуктор представляет собой токопровод с транспозицией проводников, питающихся от источников постоянного тока. С целью снижения потерь энергии целесообразно поочередное питание секций протяженного индуктора при движении экипажа. Вариант характеризуется сравнительно невысоким значением ЭДС, наводимой в витке приемной катушки экипажа, поэтому для обеспечения необходимой мощности бортовых потребителей требуется размещать до десяти приемных катушек на экипаже. Для увеличения ЭДС, наводимой в приемной катушке, предложено придать ей двойную 8-образную форму, что позволит увеличить амплитуду ЭДС почти в два раза по сравнению с простой, прямоугольной формой приемной катушки.
ЭДС, наводимая в приемной катушке экипажа, зависит от скорости его движения, нормальной (к поверхности приемной катушки) компоненты магнитной индукции, числа витков и размеров приемной катушки. Для стабилизации напряжения питания бортовых потребителей при изменяющейся скорости движения экипажа необходим полупроводниковый преобразователь напряжения в виде повышающе-понижающего импульсного преобразователя постоянного напряжения. Целесообразной структурой бортовой энергосистемы магнитолевитационного экипажа является структура «приемная катушка – выпрямитель – импульсный преобразователь – общая шина постоянного тока – бортовые потребители с индивидуальными полупроводниковыми преобразователями».
About the authors
Victor V. Nikitin
Emperor Alexander I St. Petersburg State Transport University
Author for correspondence.
Email: pgups.emks@mail.ru
ORCID iD: 0000-0002-5699-0424
Dr. Sci (Tech.), Associate Professor, Professor of Electrical Engineering and Heat Power Engineering
Russian Federation, St.-PetersburgTianzhong Zhao
Emperor Alexander I St. Petersburg State Transport University
Email: 2115173625@qq.com
ORCID iD: 0009-0002-4028-3677
post-graduate student of Electrical Engineering and Heat Power Engineering
Russian Federation, St.-PetersburgReferences
- Магнитолевитационный транспорт: научные проблемы и технические решения / под ред. Ю.Ф. Антонова, А.А. Зайцева. – М.: ФИЗМАТЛИТ, 2015. – 612 с. [Zaitsev AA, Antonov YuF, editors. Magnitolevitacionnyj transport: nauchnye problemy i tekhnicheskie resheniya. Moscow: FIZMATLIT; 2015. 612 р. (In Russ.)]. Ссылка активна на 06.10.2023. Доступно по: http://www.search.rsl.ru
- Kluehspies J. Maglev trends in public transport: the perspectives of maglev transportation systems. Transportation Systems and Technology. 2018;4(3 suppl. 1):5-15. doi: 10.17816/transsyst201843s15-12
- Ukita K, Kashiwagi T, Sakamoto Y, Kato Y. Power Transmission Performance Verification of a Non-Contact Power Supply System for Railway Vehicles. Quarterly Reports of RTRI, 2016;57(3): 228-233. doi: 10.2219/rtriqr.57.3_228
- Yoda H, Ukita K. Wireless Power Transfer System for Railway Vehicles with Improved Power Density of Onboard Coil. Quarterly Reports of RTRI, 2023;64(1):67-72. doi: 10.2219/rtriqr.64.1_67
- Никитин В.В., Васильев В.А., Чжао Тяньчжун. Бесконтактная передача энергии на экипажи высокоскоростного магнитолевитационного транспорта // Электроника и электрооборудование транспорта. – 2022. – № 1. – С. 23–26. [Nikitin VV, Zhao Tianzhong. Wireless Power Transmission to the Carriage of High Speed Magnetolevitational Transport. Electronics and Electrical Equipment of Transport. 2022(1):23-26 (Russ., Engl.)]. Ссылка активна на 06.10.2023. Доступно по: http://www.eet-journal.ru/
- Guo L, Lu Q, Ye Y. FEM analysis of the linear generator EMF in Maglev. 2005 International Conference on Electrical Machines and Systems. 2005, Nanjing, China. Vol. 3, Pp. 2112-2115. doi: 10.1109/ICEMS.2005.202937
- Song BM, Kratz R, Gurol S. Contactless inductive power pickup system for Maglev applications. Industry Applications Conference, 2002. 37th Annual Meeting. 2002, Vol. 3. Pp. 1586-1591. doi: 10.1109/IAS.2002.1043746
- Yang Y, Dai C, Long Z. Research on Contactless Power Supply System of Medium Speed Maglev Train Based on Inductive Power Transfer 2020 Chinese Automation Congress (CAC), Shanghai, China, 2020. p. 2068-2073. doi: 10.1109/CAC51589.2020.9326922
- Ying W, Weiguo L, Hongyun H, et al. Research on Contactless Power Supply of High Speed Maglev Train Based on MCR-WPT. 2019 14th IEEE Conference on Industrial Electronics and Applications (ICIEA), Xi'an, China, 2019. Pp. 2297-2302. doi: 10.1109/ICIEA.2019.8834278
- Сика З.К., Куркалов И.И., Петров Б.А. Электродинамическая левитация и линейные синхронные двигатели транспортных систем. – Рига: Зинатне, 1988. – 258 с. [Sika ZK, Kourkalov II, Petrov BA. Electrodinamicheskaya levitatsija i lineinye sinkhronnye dvigateli transportnykh system. Riga: ZINATNE; 1988. 258 p. (In Russ.)]. Доступно по: http://www.search.rsl.ru Ссылка активна на 06.10.2023.
- Ким К.К., Карпова И.М. К вопросу разработки систем подвеса на постоянных магнитах для транспортных систем // Инновационные транспортные системы и технологии. – 2022. – Т. 8. – №4. – C. 91–106. [Kim KK, Karpova IM. Оn the issue of the development of permanent magnet suspension systems for transport systems. Modern Transportation Systems and Technologies. 2022;8(4):91-106. (In Russ.)]. doi: 10.17816/transsyst20228491-106
- Wen YH, Yang X, Long ZQ. Contactless Power Supply Technology and Its Application in Rail Transport. Electric Drive for Locomotives, 2016(6):14-20. Доступно по: http://www.oriprobe.com Ссылка активна на 06.10.2023.
- Mi CC, Buja G, Choi SY, Rim CT. Modern advances in wireless power transfer systems for roadway powered electric vehicles. IEEE Transactions on Industrial Electronics. 2016: 63(10):6533-6545. doi: 10.1109/TIE.2016.2574993
- Prasad N, Jain S, Gupta S. Electrical Components of Maglev Systems: Emerging Trends. Urban Rail Transit. 2019(5):67-79. doi: 10.1007/s40864-019-0104-1
- Razek A. Review of Contactless Energy Transfer Concept Applied to Inductive Power Transfer Systems in Electric Vehicles. Appl. Sci. 2021;11(7):3221. doi: 10.3390/app11073221
- Li L., Lu Q. Investigation of Linear Generator for High Speed Maglev Train by 2D Finite Element Model. 12th International Symposium on Linear Drives for Industry Applications (LDIA); Neuchatel, Switzerland, 2019, p. 1-6, doi: 10.1109/LDIA.2019.8771004
Supplementary files









