Simulation models and application options of electric power storage systems in traction power supply
- Authors: Nezevak V.L.1, Dmitriev A.D.1
-
Affiliations:
- Omsk State Transport University
- Issue: Vol 8, No 4 (2022)
- Pages: 74-90
- Section: Original studies
- URL: https://transsyst.ru/transj/article/view/111554
- DOI: https://doi.org/10.17816/transsyst20228474-90
- ID: 111554
Cite item
Full Text
Abstract
Background: the determination of the energy indicators of the traction power supply system based on the train schedule in the conditions of operation of storage devices is based on the solution of a number of instantaneous schemes, each of which corresponds to the established operating mode. These methods require adaptation to account for non-linear characteristics or indicators, the value of which is associated with the retrospective of the change. In this regard, it is necessary to use calculation methods based on the solution of differential equations to solve problems related to the assessment of performance in transient or emergency modes, taking into account dynamic characteristics. Modeling the operation of storage devices in the traction power supply system allows you to evaluate the change in indicators depending on the parameters of the devices, traction load and circuit solutions for various topologies.
Aim: to determine the structure of models of electric power storage devices in DC and AC traction power supply systems, to consider the results of calculating the main energy indicators, to determine ways to improve circuit solutions based on the identified features, to determine the technical requirements for electric power storage devices in traction power supply.
Materials and Methods: to obtain the results, methods for solving differential equations corresponding to various variants of the topology of storage devices in traction power supply, implemented in the Matlab software package, are used.
Results: the results obtained allow us to determine the structure of storage devices for traction power supply, evaluate models of devices for traction power supply of direct and alternating current, outline the prospects for further research in the field of circuit solutions and required device parameters.
Conclusion: the results of the study allow models of electricity storage devices and technical solutions for their implementation aimed at introducing DC and AC traction power supply into the system.
Full Text
ВВЕДЕНИЕ
Широкое обсуждение и исследование возможных перспектив применения систем накопления электроэнергии, обусловлено меняющейся проблематикой вопросов, стоящих перед электроэнергетикой, обусловленных появлением распределенной генерации, возобновляемых источников электроэнергии, способов оптимизации режимов работы и др.
Возможности систем накопления электроэнергии позволяют подойти к решению ряда задач, среди которых следует отметить: выравнивание графика нагрузки; повышение качества электроэнергии; стабилизацию напряжения; повышение эффективности источников возобновляемой энергетики; автоматическое регулирование частоты и перетоков активной мощности; повышение надежности электроснабжения; компенсацию реактивной мощности и др. [1].
Применение систем накопления рассматривается в концепции построения энергетического хаба, как это показано, например, в [2, 3], где накопители используются для хранения различных видов энергии, в том числе электрической энергии, представлена модель в Matlab, учитывающая работу данных накопителей. Системы накопления находят применение и прорабатываются варианты их использования в автономных системах электроснабжения, для которых разрабатываются соответствующие модели с целью оценки различных режимов работы. Разрабатываемые в Matlab модели содержат электростанции и преобразователи для подключения накопителей электроэнергии, например, как это показано в [4, 5]. В области возобновляемых источников энергии исследования включают в себя моделирование на основе моделей в Matlab с использованием различных источников энергии и накопителей различного вида, как это показано, например, в [6, 7].
В ряде случаев работу системы накопления электроэнергии в автономных системах электроснабжения исследуют для случаев их подключения к шинам постоянного тока, использующихся для возобновляемых источников энергии (фото- или ветрогенерации), как это показано на примере модели в Matlab в статье [8].
Исследованию статической характеристики системы накопления электроэнергии посвящено моделирования в Matlab распределенной генерации с использованием способа разбивки статической характеристики на отдельные участки с разной крутизной (коэффициентом статизма) [9].
Сдерживающим фактором при внедрении систем накопления электроэнергии является стоимость. В настоящее время существует несколько вариантов снижения стоимости проектов указанных проектов, которые включают в себя определение параметров систем с учетом срока службы и деградации емкости накопителей, ресурса работы, участия в управлении спросом на электроэнергию (мощность), регулирования частоты и др. [10]. Различие характеристик систем накопления привело к появлению гибридных систем, для которых рассматривается различная топология реализации, например, полуактивная, в которой суперконденсатор выполняет роль буфера для сглаживания пиковых нагрузок аккумуляторной батареи, как это показано на основе моделирования в Matlab [11].
В области систем тягового электроснабжения постоянного и переменного тока применение систем накопления электроэнергии направлено на решение двух важнейших задач – повышение пропускной и провозной способности и энергетической эффективности. Указанные задачи наиболее эффективно могут быть решены на участках с применением электроподвижным составом рекуперативного торможения. В работе на примере модели системы электроснабжения железнодорожного транспорта в Matlab показано влияние систем накопления электроэнергии на снижение глубины провала напряжения и перерегулирование частоты вращения роторов генераторов распределенной генерации [12].
Применение систем накопления в системах тягового электроснабжения рассматривается для различных мест размещения: тяговые подстанции; линейные устройства; устройства распределенной генерации. В качестве примера можно привести исследования по применению систем накопления на тяговых подстанциях метрополитена [13], определения энергоемкости бортовых систем накопления для тягового подвижного состава [14], исследованию гибридных систем накопления в системах тягового электроснабжения [15].
Указанные выше результаты исследований не позволяют в полной мере оценить технических требований к системам накопления электроэнергии в системах тягового электроснабжения постоянного и переменного тока, содержащих преобразователи, силовые трансформаторы, комплекс релейной защиты и автоматики, заземление, телемеханику и др. Кроме того, существует ряд задач по оценке условий эксплуатации систем накопления электроэнергии в различных режимах работы системы тягового электроснабжения и условиях формирования тяговой нагрузки, например, ресурса работы [16].
Для решения указанных задач необходимо исследовать отдельные вопросы в указанных областях и определить рекомендуемые параметры систем накопления электроэнергии, помимо основных энергетических показателей работы системы тягового электроснабжения, с учетом накопленного опыта моделирования указанных систем в Matlab.
РАЗМЕЩЕНИЕ СИСТЕМ НАКОПЛЕНИЯ ЭЛЕКТРОЭНЕРГИИ
Основными задачами, стоящими перед системами накопления электроэнергии в системах тягового электроснабжения, являются задачи, связанные с повышением пропускной и провозной способности.
Кроме указанных задач системы накопления позволяют решать задачи, связанные
- с повышением энергетической эффективности;
- с повышением качества электроэнергии;
- выравнивания графика нагрузки;
- эффективности рекуперативного торможения электроподвижного состава;
- работы возобновляемых источников энергии и объектов распределенной генерации.
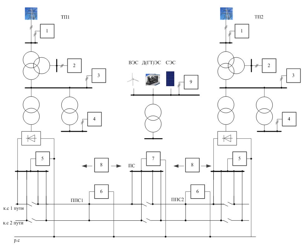
В зависимости от решаемых задач определяется место размещения систем накопления электроэнергии в тяговом электроснабжении. На примере системы тягового электроснабжения постоянного тока размещение систем накопления электроэнергии для решения наиболее распространенных задач выглядит следующим образом (Рис. 1). Задачи повышения качества электроэнергии на границах балансовой принадлежности и эксплуатационной ответственности могут решаться при размещении систем на стороне высшего напряжения (блоки 1 на Рис. 1). Задачи по повышению качества электроэнергии на шинах среднего и низшего напряжения решаются путем размещения в соответствующих распределительных устройствах или на присоединениях (блоки 2 и 3). Резервирование источников собственных нужд и ликвидация провалов напряжения выполняются за счет размещения систем со стороны низшего напряжения собственных нужд переменного или постоянного тока (блоки 4). Повышение нагрузочной способности, ограничение перегрузки преобразовательных агрегатов и прием энергии рекуперации выполняется за счет подключения систем накопления к шинам постоянного тока напряжением 3,3 кВ (блоки 5). Стабилизация напряжения в контактной сети и прием энергии рекуперации реализуется за счет размещения систем на линейных объектах контактной сети – пунктах параллельного соединения и постов секционирования (ППС и ПС, блоки 6 и 7). Для решения задач в послеаварийных и вынужденных режимах могут использоваться мобильные системы, подключаемые в требуемых ординатах к контактной сети для усиления тягового электроснабжения (блоки 8). При внедрении мобильных газотурбинных или дизельных электростанций, возобновляемых источников энергии (солнечный, ветряных и др. видов) системы накопления позволяют повысить эффективность их работы при подключении к соответствующим распределительным устройствам (блоки 9). Эффективность решения задач путем размещения систем накопления электроэнергии определяется на основе фактических энергетических показателей работы, показателей качества электроэнергии и надежности электроснабжения, ограничения пропускной и провозной способности участка железной дороги и др. условиями.
Рис. 1. Размещение систем накопления электроэнергии в системе тягового электроснабжения
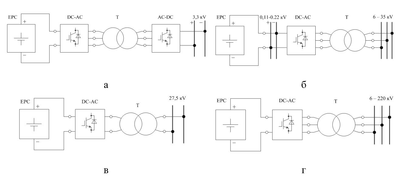
Применение систем накопления в системах тягового электроснабжения постоянного и переменного тока обусловливает использование схем подключений, имеющих гальваническую развязку, а для гибридных систем, содержащих два или более различных видов накопителей, схем с активной, полуактивной или пассивной топологией. Имеющиеся варианты подключения систем накопления электроэнергии в системе тягового электроснабжения позволяют представить их в виде следующих основных схем (без учета модификаций в зависимости от выбранной топологии): подключение к шинам постоянного тока напряжением выше 1000 В (3 кВ) (Рис. 2 а); подключение к шинам собственных нужд до 1000 В (220/400 В переменного или 110/220 В постоянного тока) (Рис. 2 б); подключение к шинам однофазного переменного тока напряжением свыше 1000 В (25 кВ) (Рис. 2 в); подключение к шинам трехфазного тока напряжением свыше 1000 В (6 – 220 кВ) (Рис. 2 г).
Подключение накопителя электроэнергии (EPC, Рис. 2) к шинам постоянного тока напряжением 3,3 кВ осуществляется с помощью двунаправленного преобразователя DC-AC и силового трансформатора T. При подключении EPC к шинам собственных нужд переменного тока используется прямое подключение к силовому трансформатору и шинам переменного тока напряжением до 0,4 кВ или подключение к шинам постоянного тока напряжением 110 – 220 В с последующим подключением к силовому трансформатору и шинам переменного тока напряжением 0,4 кВ. При подключении EPC к тяговой сети или шинам трехфазного напряжения используется преобразователь DC-AC и силовой однофазный или трехфазный трансформатор соответственно.
Рис. 2. Основные схемы подключения систем накопления электроэнергии в тяговом электроснабжении: — подключение к шинам 3 кВ (а); – подключение к шинам собственных нужд (б); — подключение к шинам 27,5 кВ (в); — подключение к шинам 6 – 220 кВ (г)
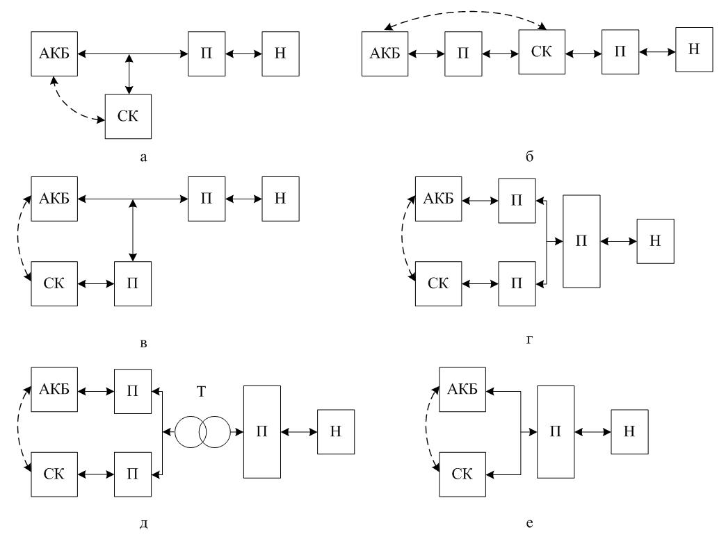
Варианты подключения гибридных систем накопления электроэнергии к шинам постоянного напряжения зависят от применяемой топологии. На Рис. 2 показано подключение системы наколпения к шинам, от которых подключен преобразователь DC-AC. В случае использования гибридных накопителей возможна реализация схем подключения на основе пассивной, полуактивной или активной топологии с использованием дополнительных преобразователей.
Появление гибридных систем накопления обусловлено широким применением электрохимических накопителей (различного рода аккумуляторов) и их характеристик, связанных с необходимостью учета глубины разряда в рабочих режимах, циклирования и деградации емкости. Использование суперконденсаторов в составе гибридной системы позволяет снизить влияние на аккумулятор резкопеременной нагрузки за счет компенсации ее воздействия при работе суперконденсатора. Работа суперконденсаторов позволяет снизить глубину разряда аккумуляторов при набросе нагрузки и уменьшить циклическую деградацию аккумуляторов при работе в режиме разряда, разряда, в том числе при рекуперативном торможении [17].
Рассмотрим топологию гибридных систем накопления, построенную на основе электрохимических и электрических накопителей, в которых нагрузка подключена с помощью преобразователя DC-AC, который может включать в свой состав силовой трансформатор, как было рассмотрено ранее (см. Рис. 2). В общем случае в состав гибридной системы накопления электроэнергии входят следующие элементы (Рис. 3): аккумулятор (АКБ) и суперконденсатор (СК); преобразователь DC-DC или DC-AC (П); силовой трансформатор (Т); нагрузка (Н).
Рис. 3. Топология гибридных систем накопления: пассивная (а); полуактивная (б); ряд активной топологии (в); параллельная активная (г); изолированная активная (д); многоуровневая (е)
Реализация топологий требует применения различного количества двунаправленных преобразователей DC-DC и DC-AC и позволяет оценить схемные решения по стоимостным характеристикам. Пассивная топология характеризуется отсутствием преобразователя между АКБ и СК, в то время как для полуактивной или активной топологии накопители АКБ и СК разделены работающим преобразователем. Схемные различия позволяют реализовать различные алгоритмы управления накопителями в составе системы, в основе которых лежит использование СК для компенсации наброса нагрузки и высокочастотчных возмущений, а АКБ, в зависимости от решаемых задач, для использования в качестве оперативного резерва, замены вращающегося резерва или выравнивания графика нагрузки [18].
В тяговом электроснабжении использование систем накопления электроэнергии направлено на решение одной из важнейших задач по повышению показателей нагрузочной способсности, позволяющих обеспечить на заданном уровне пропускную и провозную способность участка железной дороги по устройствам энергетики.
МОДЕЛИ СИСТЕМ НАКОПЛЕНИЯ В ТЯГОВОЙ ЭНЕРГЕТИКЕ
Построение систем накопления на основе одного вида накопителя электроэнергии не требует дополнительных преобразователей и строится с использованием двунаправленных преобразователей DC-AC. Имитационное моделирование систем накопления рассмотрим на примере реализации для тягового электроснабжения постоянного и переменного тока (Рис. 2 а, б). Модель содержит следующие основные элементы: аккумулятор, преобразователи, силовой трансформатор, машины постоянного тока, имитирующие работу коллекторных тяговых электродвигателей.
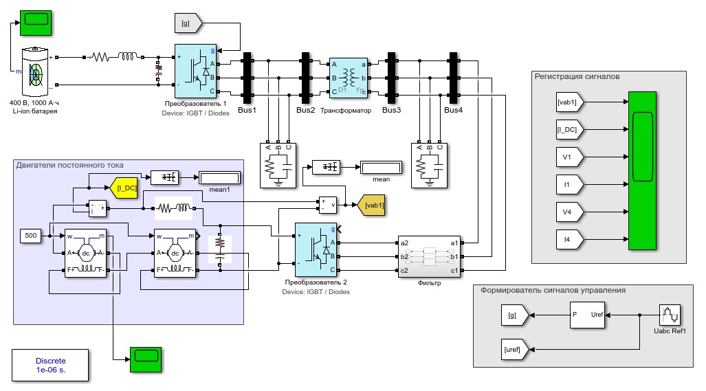
Моделирование работы в режиме разряда системы накопления для тягового электроснабжения постоянного тока представляется в виде следующей модели (Рис. 4). В качестве аккумуляторной батареи используется литий-ионный аккумулятор с номинальным напряжением 400 В и емкостью 1000 А·ч. Для моделирования принято, что начальная степень заряженности SoC равна 100 %. Для моделирования используются трехфазные мостовые преобразователи на базе IGBT-модулей. Модель трехфазного силового трансформатора имеет следующие параметры: схема соединения обмоток – треугольник-звезда; номинальная мощность – 1 МВ·А; номинальное фазное напряжение вторичной обмотки – 2600 В; номинальная частота – 50 Гц. Для регулирования работы IGBT-модулей двухуровневого преобразователя используется PWM-генератор, позволяющий реализовать широтно-импульсное (ШИМ) управление для несущей частоты 50 Гц.
Рис. 4. Модель системы накопления электроэнергии в тяговом электроснабжении постоянного тока для режима разряда
Результаты имитационного моделирования работы системы накопления электроэнергии для тягового электроснабжения постоянного тока в режиме разряда приведены на Рис. 5.
Рис. 5. Результаты моделирования работы преобразователя: токов и напряжений на стороне переменного тока низшего (а) и высшего (б) напряжения
Результаты моделирования с нагрузкой позволяют построить графики токов и напряжений, формирующихся на уровне низшего и высшего напряжения переменного тока (Рис. 5), и со стороны напряжения постоянного тока (Рис. 6). Представленные на рисунках графики токов и напряжений для одной из фаз получены для условий включения системы на нагрузку для интервала времени, соответствующего двум периодам – 0,04 с.
Рис. 6. Результаты моделирования работы преобразователя на стороне контактной сети: напряжения (а) и тока (б)
Представленная модель позволяет выполнить расчет системы накопления для различных режимов работы системы тягового электроснабжения постоянного тока:
- параметров системы накопления для заданных условий работы тяговой нагрузки, в том числе выбор вида накопителя (включая гибридные системы и варианты топологии);
- параметров двунаправленных преобразователей системы накопления;
- структуры и алгоритмов системы управления преобразователями;
- фильтров для оценки качества электроэнергии на выходе системы накопления;
- силового трансформатора;
- уставок релейной защиты и автоматики;
- параметров системы заземления.
Модель системы накопления электроэнергии, соответствующая условиям подключения к контактной сети переменного тока (Рис. 2, б) для режима разряда системы накопления на электротяговую нагрузку, приведена на Рис. 7.
Рис. 7. Модель системы накопления электроэнергии в тяговом электроснабжении переменного тока для режима разряда
Результаты моделирования токов и напряжения на выходе системы накопления электроэнергии на основе разработанной модели приведены на Рис. 8, на выходе однофазного тягового выпрямителя, работающего на двигатели постоянного тока на Рис. 9.
Рис. 8. Результаты моделирования работы преобразователя: токов и напряжений на стороне переменного тока высшего (а) и низшего (б) напряжения
Рис. 9. Результаты моделирования работы преобразователя на электроподвижном составе: напряжения (а) и тока (б)
Разработанная модель системы накопления электроэнергии для системы тягового электроснабжения переменного тока позволяет выполнить апробацию расчетов по определению параметров элементов, входящих в систему (накопитель электроэнергии; преобразователь; силовой трансформатор; алгоритмы системы управления; топология системы накопления; сглаживающих устройств и др.).
Алгоритмы управления режимами работы систем накопления определяются решаемой задачей, а для гибридных систем должны дополнительно учитывать распределение мощности между различными накопителями.
В качестве примера можно привести задачу стабилизации напряжения на посту секционирования, для решения которой внешняя характеристика системы накопления должна корректироваться с учетом уровней напряжения на шинах и тяговой нагрузки смежных подстанций.
ЗАКЛЮЧЕНИЕ
Задачи, стоящие перед системами накопления электроэнергии в тяговом электроснабжении, определяют места их размещения, схемные решения и энергетические параметры. Количество преобразователей систем накопления определяется с учетом специфики систем тягового электроснабжения постоянного и переменного тока, в том числе и для гибридных систем, для которых количество определяется реализуемой топологией.
Полученные в части разработки моделей систем накопления электроэнергии для тягового электроснабжения результаты ориентированы в дальнейшем на решение задач, связанных с отработкой способов управления режимами работы, алгоритмов систем управления преобразователями, выбора топологии гибридных систем накопления, апробации параметров силового оборудования, сглаживающих устройств и согласования условий и режимов работы системы тягового электроснабжения с тяговой нагрузкой электроподвижного состава.
БЛАГОДАРНОСТИ
Исследование выполнено за счет гранта Российского научного фонда № 22-29-00002 https://rscf.ru/project/22-29-00002/
Авторы заявляют что:
- У них нет конфликта интересов.
- Настоящая статья не содержит каких-либо исследований с участием людей в качестве объектов исследований.
About the authors
Vladislav L. Nezevak
Omsk State Transport University
Email: nezevakwl@mail.ru
ORCID iD: 0000-0002-1205-1994
SPIN-code: 8626-0883
Candidate of Technical Sciences, Associate Professor
Russian Federation, OmskAleksandr D. Dmitriev
Omsk State Transport University
Author for correspondence.
Email: alexandrorado@mail.ru
ORCID iD: 0000-0003-3593-0737
SPIN-code: 6503-3961
Aspirant
Russian Federation, OmskReferences
- Зырянов В.М., Кирьянова Н.Г., Коротков И.Ю. и др. Системы накопления энергии: российский и зарубежный опыт // Энергетическая политика. – 2020. – № 6(148). – С. 76–87. [Zyryanov VM, Kiryanova NG, Korotkov IY, et al. Energy storage systems: russian and international experience. Energy Policy. 2020;6(148):76-87. (In Russ.)]. doi: 10.46920/2409-5516_2020_6148_76
- Воропай Н.И., Уколова Е.В., Герасимов Д.О. и др. Исследование мультиэнергетического объекта методами имитационного моделирования // Вестник Иркутского государственного технического университета. – 2018. – Т. 22. – № 12(143). – С. 157–168. [Voropaj NI, Ukolova EV, Gerasimov DO, et al. Issledovanie mul'tienergeticheskogo ob"ekta metodami imitacionnogo modelirovaniya. iPolytech Journal. 2018;22.12(143):157-168. (In Russ.)]. doi: 10.21285/1814-3520-2018-12-157-168
- Сердюкова Е.В. Принципы преобразования в интегрированной энергетической системе при применении концепции энергетического хаба // Вестник ИжГТУ имени М.Т. Калашникова. – 2021. – Т. 24. – № 3. – С. 88–96. [Serdyukova EV. Principy preobrazovaniya v integrirovannoj energeticheskoj sisteme pri primenenii koncepcii energeticheskogo haba. Vestnik IzhGTU imeni M.T. Kalashnikova. 2021;24.3:88-96. (In Russ.)]. doi: 10.22213/2413-1172-2021-3-88-96
- Соснина Е.Н., Шалухо А.В., Веселов Л.Е. Исследование режимов работы системы электроснабжения с ТОТЭ на биогазе // Кибернетика энергетических систем: Сборник материалов ХL сессии научного семинара по тематике «Диагностика энергооборудования», Новочеркасск, 25–26 сентября 2018 года. – Новочеркасск: Южно-Российский государственный политехнический университет (НПИ) имени М.И. Платова, 2018. – С. 29–33. [Sosnina EN, Shaluho AV, Veselov LE. Issledovanie rezhimov raboty sistemy elektrosnabzheniya s TOTE na biogaze. Kibernetika energeticheskih sistem: Sbornik materialov ХL sessii nauchnogo seminara po tematike "Diagnostika energooborudovaniya", Novocherkassk, 25–26 sentyabrya 2018 goda. Novocherkassk: YUzhno-Rossijskij gosudarstvennyj politekhnicheskij universitet (NPI) imeni M.I. Platova, 2018:29-33. (In Russ.)]. Ссылка активна на: 02.10.2022. Доступно по: https://www.npi-tu.ru/science/activities/konferentsii/conf_archive/assets/Kibernetika_2018.pdf
- Шалухо А.В., Липужин И.А., Шароватов Р.А. Разработка алгоритма управления и Simulink-модели автономной системы электроснабжения с ТОТЭ на биогазе // Электроэнергетика глазами молодежи: Материалы ХII Международной научно-технической конференции, Нижний Новгород, 16–19 мая 2022 года. – Нижний Новгород: Нижегородский государственный технический университет им. Р.Е. Алексеева, 2022. – С. 94–97. [Shaluho AV, Lipuzhin IA, Sharovatov RA. Razrabotka algoritma upravleniya i Simulink-modeli avtonomnoj sistemy elektrosnabzheniya s TOTE na biogaze. Elektroenergetika glazami molodezhi: Materialy ХII Mezhdunarodnoj nauchno-tekhnicheskoj konferencii, Nizhnij Novgorod, 16–19 maya 2022 goda. Nizhnij Novgorod: Nizhegorodskij gosudarstvennyj tekhnicheskij universitet im. R.E. Alekseeva, 2022:94-97. (In Russ.)].
- Ян Ю., Соломин Е.В., Сюе Ж. и др. Исследование MPPT-управления горизонтально-осевой ветроэнергетической установкой // Электропитание. – 2020. – № 1. – С. 48–61. [An Yu, Solomin EV, Syue ZH, et al. Horizontal axis wind turbine MPPT-control research. Power supply. 2020;1:48-61. (In Russ.)]. Ссылка активна на: 02.10.2022. Доступно по: https://www.elibrary.ru/item.asp?id=43871879
- Лукутин Б.В., Муравьев Д.И. Имитационная модель фотодизельной системы электроснабжения с интеллектуальным управлением в matlab/simulink // Омский научный вестник. – 2021. – № 4(178). – С. 52-62. [Lukutin BV, Murav'ev DI. Imitacionnaya model' fotodizel'noj sistemy elektrosnabzheniya s intellektual'nym upravleniem v matlab/Simulink. Omskij nauchnyj vestnik. 2021;4(178):52-62. (In Russ.)]. doi: 10.25206/1813-8225-2021-178-52-62
- Lukutin BV, Murav'ev DI. Optimization of operational control of autonomous photo-diesel power supply system with DC bus. Bulletin of the Tomsk Polytechnic University. Geo Assets Engineering. 2022;333.4:224-235. doi: 10.18799/24131830/2022/4/3619
- Илюшин П.В., Шавловский С.В. Использование сегментированной статической характеристики по частоте для поддержания уровня заряда системы накопления электроэнергии // Электроэнергия. Передача и распределение. – 2021. – № 5(68). – С. 44–53. [Ilyushin PV, SHavlovskij SV. Ispol'zovanie segmentirovannoj staticheskoj harakteristiki po chastote dlya podderzhaniya urovnya zaryada sistemy nakopleniya elektroenergii. Elektroenergiya. Peredacha i raspredelenie. 2021;5(68):44-53. (In Russ.)]. Ссылка активна на: 02.10.2022. Доступно по: https://www.eriras.ru/files/_ilyushin_5_68_2021_eepir_verstka_final.pdf
- Илюшин П.В., Шавловский С.В. Механизмы окупаемости инвестиций в системы накопления электрической энергии при их использовании для снижения пиковых нагрузок и затрат на мощность // Релейная защита и автоматизация. – 2021. – № 1(42). – С. 12–20. [Ilyushin PV, SHavlovskij SV. Mekhanizmy okupaemosti investicij v sistemy nakopleniya elektricheskoj energii pri ih ispol'zovanii dlya snizheniya pikovyh nagruzok i zatrat na moshchnost'. Relejnaya zashchita i avtomatizaciya. 2021;1(42):12-20. (In Russ.)]. Доступно по: https://www.eriras.ru/files/statya_ilyushin_shavlovskiy._mekhanizmy_okupaemosti_snee.pdf Ссылка активна на: 02.10.2022.
- Илюшин П.В., Шавловский С.В. Принципы построения систем управления гибридными СНЭЭ на основе детерминированного подхода в изолированных промышленных энергорайонах // Релейная защита и автоматизация. – 2022. – № 3(48). – С. 32–42. [Ilyushin PV, SHavlovskij SV. Principy postroeniya sistem upravleniya gibridnymi SNEE na osnove determinirovannogo podhoda v izolirovannyh promyshlennyh energorajonah. Relejnaya zashchita i avtomatizaciya. 2022;3(48):32-42. (In Russ.)]. Ссылка активна на: 02.10.2022. Доступно по: https://www.eriras.ru/files/_statya_ilyushin_shavlovskiy_final.pdf
- Булатов Ю.Н. Крюков А.В., Нгуен В.Х. Применение накопителей энергии и управляемых установок распределенной генерации для снижения провалов напряжения в сетевом энергетическом кластере // Системы. Методы. Технологии. – 2018. – № 2(38). – С. 38–43. [Bulatov YuN. Kryukov AV, Nguen VH. Primenenie nakopitelej energii i upravlyaemyh ustanovok raspredelennoj generacii dlya snizheniya provalov napryazheniya v setevom energeticheskom klastere. Sistemy. Metody. Tekhnologii. 2018;2(38):38-43. (In Russ.)]. doi: 10.18324/2077-5415-2018-2-38-43
- Шевлюгин М.В., Голицына А.Е., Стадников А.Н. Опытная эксплуатация накопителей энергии неуправляемого типа на тяговых подстанциях Московского метрополитена // Электропитание. – 2019. – № 4. – С. 51–60. [SHevlyugin MV, Golicyna AE, Stadnikov AN. Opytnaya ekspluataciya nakopitelej energii neupravlyaemogo tipa na tyagovyh podstanciyah Moskovskogo metropolitena. Elektropitanie. 2019;4:51-60. (In Russ.)]. Ссылка активна на: 02.10.2022. Доступно по: https://www.elibrary.ru/item.asp?id=42851490
- Валинский О.С., Евстафьев А.М., Никитин В.В. К вопросу определения емкости накопителя энергии для тягового подвижного состава железных дорог // Электроника и электрооборудование транспорта. – 2021. – № 2. – С. 8–11. [Valinskiy OS, Evstafev AM, Nikitin VV. To the question of determining the capacity of the energy storage for traction rolling storage of railways. Electronics and electrical equipment of transport. 2021;2:8-11. (In Russ.)]. Ссылка активна на: 02.10.2022. Доступно по: https://www.elibrary.ru/item.asp?id=47379511
- Незевак В.Л., Плотников Ю.В., Шатохин А.П. Моделирование процессов работы гибридного накопителя электроэнергии в системе тягового электроснабжения на физической модели. Часть 1. // Электроника и электрооборудование транспорта. – 2020. – № 1. – С. 33–37. [Nezevak VL, Plotnikov YV, Shatohin AP. Modeling of work processes hybrid drive power on the physical model. Part 1. Electronics and electrical equipment of transport. 2020;1:33-37. (In Russ.)]. Ссылка активна на: 02.10.2022. Доступно по: https://www.elibrary.ru/item.asp?id=42492382
- Sauer DU, Wenzl H. BATTERIES. Lifetime Prediction. Encyclopedia of Electrochemical Power Sources. 2009;522-538. doi: 10.1016/b978-044452745-5.00852-2
- Keil P, Jossen A. Impact of Dynamic Driving Loads and Regenerative Braking on the Aging of Lithium-Ion Batteries in Electric Vehicles. Journal of the electrochemical society. 2017;164(13):3081-3092. doi: 10.1149/2.0801713jes
- Дубицкий М.А., Рыкова А.А. Классификация резервов мощности электроэнергетических cиcтем // Вестник Иркутского государственного технического университета. – 2014. – № 8(91). – С. 141–147. [Dubickij MA, Rykova AA. Klassifikaciya rezervov moshchnosti elektroenergeticheskih cictem. Vestnik Irkutskogo gosudarstvennogo tekhnicheskogo universiteta. 2014;8(91):141-147. (In Russ.)].
Supplementary files













