Development of a systematic approach to the regulation and adjustment of high-frequency induction heating unit for the needs of electrothermy
- Authors: Kazymov I.M.1, Kompaneets B.S.1
-
Affiliations:
- Altai State Technical University named I. I. Polzunov
- Issue: Vol 8, No 3 (2022)
- Pages: 105-122
- Section: Original studies
- URL: https://transsyst.ru/transj/article/view/110876
- DOI: https://doi.org/10.17816/transsyst202283105-122
- ID: 110876
Cite item
Full Text
Abstract
Background: The development and implementation of a systematic approach to the regulation and mutual adaptation of sources and consumers of increased frequency electrical energy in induction heating equipment, based on the study of the relationships and patterns of changes in the main parameters of induction equipment, including uncontrolled changes that occur during the technological process, is an urgent task for improving production efficiency today in the Russian Federation and abroad.
Aim: Creating an effective approach to the regulation and adjustment of equipment operation modes for a sustainable increase in the level of unification of induction heating equipment.
Methods: Experimental study of operating modes of induction installations, computer modeling and CAD.
Results: Description of the developed approach, introduction of a systematic approach, possibilities and prospects for application, recommendations for practical use in industry.
Conclusion: Obtained results make it possible to deepen the understanding of the electrical processes occurring in induction heating installations and can be used in practice in industry to unify the applied high-frequency energy sources; may be of interest to researchers working in this field, as well as to developers of industrial equipment for induction heating.
Full Text
ВВЕДЕНИЕ
Широкое распространение технологии индукционного нагрева в Российской Федерации и в мире является значимым вектором развития современной промышленности, что особенно заметно в сфере формообразования (кузнечные, штамповочные, прокатные, литейные производства) и термообработки различных изделий.
Развитие технологий индукционного нагрева берет начало в конце XIX – начале XX веков, когда были созданы первые установки индукционной плавки металлов. Позднее индукционный нагрев нашел применение в термообработке и формообразовании [1].
Сегодня применение данной технологии не ограничивается металлообработкой и широко используется в различных сферах промышленности и экономики [1, 2]:
- плавка металла;
- объемный нагрев;
- поверхностная термообработка;
- сварка металлов;
- сварка изделий из термопластичных материалов;
- нагрев диэлетриков;
- плазменные технологии.
Очевидно, что для различных сфер промышленности применяются индукционные установки различных видов и типов. Основными параметрами индукционного оборудования являются [3–5]:
- частота индукционного тока;
- размеры и форма индуктора;
- мощность источника индукционного тока.
Частота индукционного тока непосредственно определяет сферу использования оборудования: с повышением частоты снижается глубина прогрева материала, что позволяет организовать как объемный, так и поверхностный нагрев [6].
Размеры и форма индуктора определяют область заготовки, подвергающуюся нагреву, что позволяет организовать как объемный, так и местный нагрев заготовки [7–9].
Мощность источника индукционного тока определяет главным образом производительностью оборудования, характеризуется количеством одновременно обрабатываемых заготовок. Однако, мощность источника индукционного тока в некоторых случаях является критическим параметром скорости нагрева, т.к. для ряда процессов (в том числе термообработка) низкая скорость нагрева приводит к ухудшению качества процесса (например, образование окалины) и к расширению зоны прогрева под воздействием естественной теплопередачи из поверхностных слоев вглубь заготовки, что также может негативно отразиться на качестве и в некоторых случаях является недопустимым [10].
Таким образом, не возникает противоречий для использования различных потребителей индукционного тока в паре с незначительно отличающимися источниками (например, близкие частоты 8,0 и 10,0 кГц, используемые для поверхностной закалки средних и крупных заготовок). Например, при использовании источника индукционного тока меньшей частоты, но большей мощности возможно подбором режимов получить аналогичную глубину прогрева. В ряде случаев такая унификация позволит выполнять резервирование технологического индукционного оборудования: унифицировать как источники индукционного тока для повышения надежности их эксплуатации, так и потребителей индукционного тока для создания возможности производить технологические операции на различных установках с применением переналадки.
Однако на сегодняшний день зачастую установки индукционного нагрева являются в значительной мере индивидуализированными и проектируются рассчитанными на работу исключительно в паре «источник – потребитель», что ограничивает надежность эксплуатации промышленного оборудования по причине низкой степени унификации применяемых узлов и агрегатов даже в однотипных установках. Основным различием при этом является частота тока в индукционной установке, что накладывает определенные ограничения для использования аналогичных, но спроектированных для использования в составе иной установки индукционного нагрева, модулей и блоков [11, 12].
Создание и внедрение системных методов регулирования и настройки оборудования индукционного нагрева для решения задачи практического использования различных комбинаций источников и потребителей индукционного тока является актуальной задачей на современном этапе развития электротермии в Российской Федерации и за рубежом [13].
ПОСТАНОВКА ЗАДАЧИ
Системный подход к регулированию и настройке установок индукционного нагрева повышенной частоты для нужд электротермии должен обеспечивать:
- возможность моделирования электрических процессов в индукционной установке;
- возможность обеспечить требуемый режим работы путем изменения параметров элементов, поддающихся настройке и предполагающих вмешательство;
- возможность обеспечить защиту от несанкционированного вмешательства и/или смягчение последствий такого вмешательства путем ограничения пределов регулирования режимов работы;
- перспективность (ориентированность на развитие отрасли, в том числе в части цифровизации автоматизированных систем управления технологическими процессами) [3, 4].
В силу объективных причин, широкие пределы унификации (например, унификация литейного и закалочного оборудования) не являются в достаточной мере оправданными. Однако, для правильного и надежного функционирования производства унификация однотипного оборудования возможна и желательна [14].
В связи с этим разрабатываемый подход к настройке установок индукционного нагрева должен позволять получать подтверждаемые с достаточной для практического использования точностью результаты моделирования режимов работы оборудования индукционного нагрева; получать обоснованные наборы численных значений параметров для настройки с целью достижения требуемых результатов, а также иметь возможность для дальнейшей трансформации в автоматизированную информационно-измерительную систему для контроля работы оборудования для индукционного нагрева в реальном времени.
ПРОТЕКАНИЕ ЭЛЕКТРИЧЕСКИХ ПРОЦЕССОВ В УСТАНОВКАХ ИНДУКЦИОННОГО НАГРЕВА
Вне зависимости от детального конструктива оборудования для индукционного нагрева подобные установки содержат следующие основные узлы:
- преобразователь трехфазного переменного напряжения промышленной частоты (низкого или среднего класса напряжения) в однофазное переменное напряжение повышенной частоты (фиксированной или регулируемой) – источник;
- нагрузка индукционной установки, представляющая собой подключаемый к источнику напрямую или через согласующий трансформатор индуктор – потребитель;
- вспомогательные элементы (в большинстве случаев конденсаторы), при помощи которых возможно регулировать режимы работы установки.
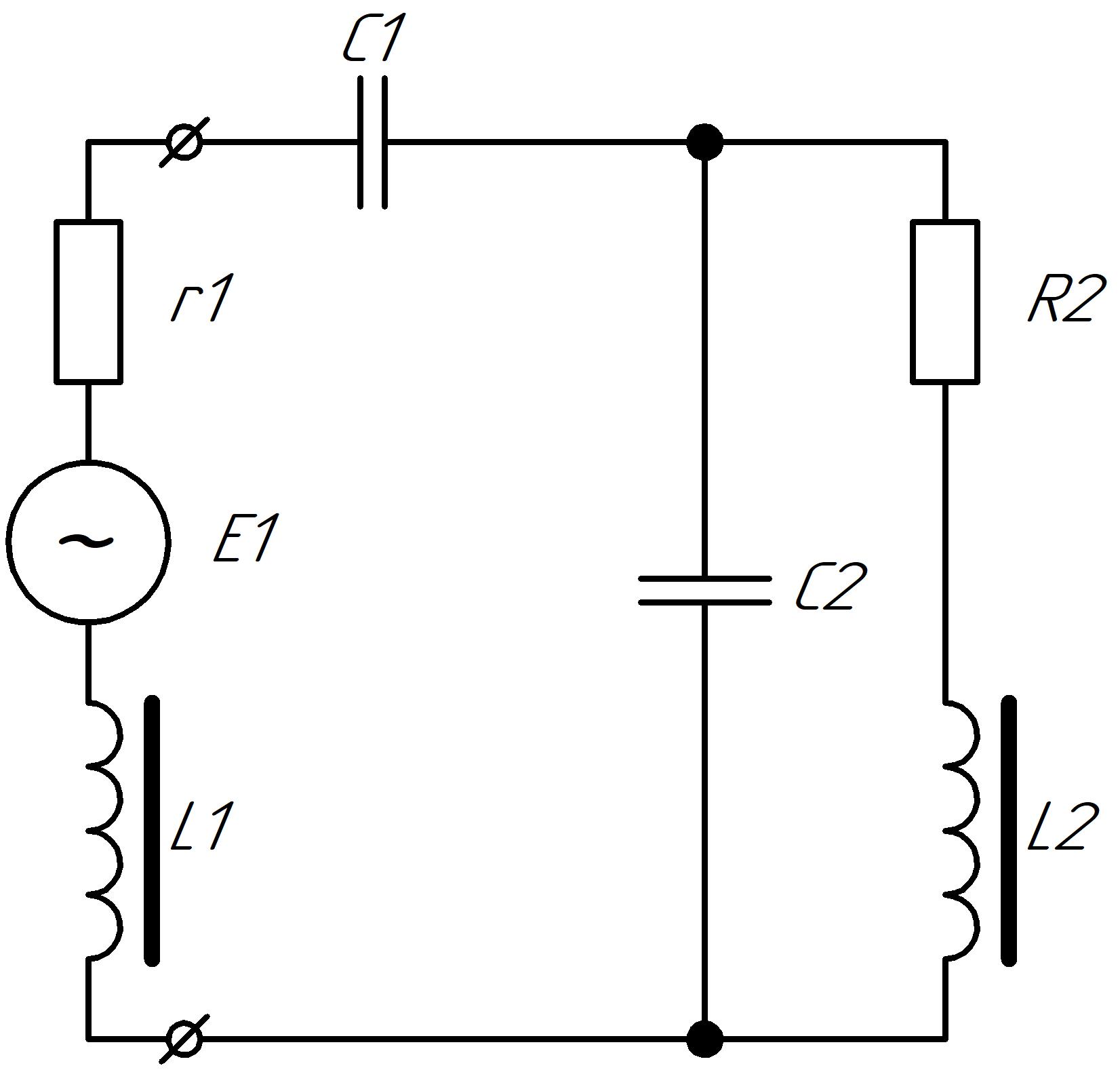
Упрощенная электрическая схема типичной индукционной установки показана на Рис. 1.
Как видно из Рис. 1, указанным образом может быть представлена любая индукционная установка, будь то установка с электромеханическим генератором однофазного напряжения повышенной частоты (специальный тип электрической машины), с ламповым генератором высокочастотных колебаний или тиристорная (транзисторная) установка со звеном постоянного тока. Необходимость получения синусоидальной формы протекающего через нагрузку тока диктует требование к использованию реактивных элементов в цепи нагрузки (индуктивность, емкость). В том числе схема, приведенная на Рис. 1, в достаточной для практического использования мере применима и к установкам, предполагающим подключение нагрузки через согласующий трансформатор, например, типа ТЗ4-800М.
В рамках настоящей статьи описывается исследование, проведенное на основании результатов эксперимента с использованием индукционной установки с источником индукционного тока, представленного генератором повышенной частоты типа ВПЧ-100-8000 УХЛ4 (мощность 100 кВт, выходная частота 8000 Гц) и с нагрузкой, представленной индуктором, подключаемым напрямую.
Результаты эксперимента сведены в Табл. 1.
Рис. 1. Упрощенная электрическая схема типичной индукционной установки. E1 – ЭДС источника индукционного тока; L1 – внутренняя индуктивность источника индукционного тока; r1 – внутреннее активное сопротивление источника индукционного тока; C1 – продольная емкость цепи; R2 – активная составляющая сопротивления нагрузки; L2 – индуктивность нагрузки; C2 – параллельная емкость нагрузки
Таблица 1. Результаты эксперимента
№ опыта [№ exp.] | , мкФ [µF] | , мкФ [µF] | , В [V] | , В [V] | , В [V] | , А [A] | Примечание [Note] | |
1 | 2 | 3 | 4 | 5 | 6 | 7 | 8 | 9 |
1 | 0 | 41 | 800 | - | 50 | - | - |
|
2 | 0 | 56 | 800 | - | 250 | - | - |
|
3 | 0 | 76 | 200 | - | 0 | 10 | - |
|
4 | 0 | 76 | 400 | - | 0 | 20 | - |
|
5 | 0 | 76 | 600 | - | 0 | 30 | - |
|
6 | 0 | 76 | 800 | - | 40 | 50 | - |
|
7 | 10 | 41 | 800 | - | 50 | - | - |
|
8 | 10 | 56 | 800 | - | 250 | - | - |
|
9 | 20 | 41 | 200 | - | 50 | 10 | - |
|
10 | 20 | 41 | 400 | - | 50 | 20 | - |
|
11 | 20 | 41 | 600 | - | 80 | 30 | - |
|
12 | 20 | 41 | 800 | - | 100 | 40 | - |
|
13 | 20 | 56 | 200 | - | 80 | 15 | - |
|
14 | 20 | 56 | 400 | - | 140 | 20 | - |
|
15 | 20 | 56 | 600 | - | 220 | 30 | - |
|
16 | 20 | 56 | 800 | - | 320 | 40 | - |
|
17 | 10 | 61 | 200 | - | 50 | 20 | - |
|
18 | 10 | 61 | 400 | - | 140 | 40 | - |
|
19 | 10 | 61 | 600 | - | 240 | 50 | - |
|
20 | 10 | 61 | 800 | - | 240 | 60 | - |
|
21 | 10 | 66 | 200 | - | 40 | 20 | - |
|
22 | 10 | 66 | 400 | - | 80 | 35 | - |
|
23 | 10 | 66 | 600 | - | 120 | 50 | - |
|
24 | 10 | 66 | 800 | - | 200 | 70 | - |
|
25 | 10 | 76 | 800 | 250 | 40 | 60 | - |
|
26 | 10 | 66 | 800 | 425 | 200 | 70 | - |
|
27 | 10 | 56 | 800 | 300 | 320 | 40 | - |
|
28 | 10 | 46 | 800 | 50 | 160 | 40 | - |
|
29 | 10 | 41 | 800 | 20 | 120 | 40 | - |
|
30 | 10 | 31 | 800 | 80 | 80 | 50 | - |
|
31 | 10 | 21 | 800 | 100 | 80 | 50 | - |
|
32 | 20 | 56 | 800 | 250 | 300 | 40 | - |
|
33 | 20 | 46 | 800 | 50 | 120 | 40 | - |
|
34 | 20 | 41 | 800 | 50 | 120 | 40 | - |
|
35 | 20 | 31 | 800 | 0 | 80 | 40 | - |
|
36 | 20 | 26 | 800 | 0 | 80 | 40 | - |
|
37 | 20 | 66 | 800 | 350 | 240 | 60 | - |
|
38 | 4,6 | 66 | 800 | 1300 | 600 | - | - |
|
39 | 8,2 | 66 | 400 | 280 | 120 | 40 | - |
|
40 | 8,2 | 66 | 600 | 400 | 220 | 60 | - |
|
41 | 8,2 | 66 | 800 | 450 | 200 | 70 | - |
|
42 | 6,9 | 66 | 200 | - | 40 | 20 | - |
|
43 | 6,9 | 66 | 400 | - | 160 | 40 | - |
|
44 | 6,9 | 66 | 600 | 650 | 240 | 70 | - |
|
45 | 6,9 | 66 | 800 | 700 | 220 | 70 | - |
|
46 | 6,9 | 56 | 200 | 50 | 80 | 10 | - |
|
47 | 6,9 | 56 | 400 | 100 | 200 | 20 | - |
|
48 | 6,9 | 56 | 600 | 150 | 280 | 30 | - |
|
49 | 6,9 | 56 | 800 | 200 | 360 | 40 | - |
|
50 | 6,2 | 56 | 400 | 250 | 200 | 30 | - |
|
51 | 6,2 | 56 | 600 | 250 | 280 | 32 | - |
|
52 | 6,2 | 56 | 800 | 250 | 360 | 40 | - |
|
53 | 6,2 | 66 | 400 | 350 | 120 | 40 | - |
|
54 | 6,2 | 66 | 800 | 800 | 320 | 90 | 0,75 ёмк [cap] |
|
55 | 5,6 | 56 | 200 | 150 | 100 | 20 | - |
|
56 | 5,6 | 56 | 400 | 300 | 200 | 30 | - |
|
57 | 5,6 | 56 | 600 | 350 | 320 | 40 | - |
|
58 | 5,6 | 56 | 800 | 300 | 360 | 50 | - |
|
59 | 4,95 | 56 | 400 | 100 | 200 | 30 | - |
|
60 | 4,95 | 56 | 600 | 350 | 300 | 40 | - |
|
61 | 4,95 | 56 | 800 | 250 | 380 | 50 | - |
|
62 | 4,6 | 56 | 400 | 300 | 200 | 30 | - |
|
63 | 4,6 | 56 | 600 | 300 | 300 | 35 | - |
|
64 | 4,6 | 56 | 800 | 350 | 400 | 50 | 0,7 инд [ind] |
|
65 | 4,6 | 60,95 | 400 | 630 | 400 | 30 | <0,7 ёмк [cap] |
|
66 | 4,6 | 60,3 | 400 | 600 | 420 | 30 | 0,9 ёмк [cap] |
|
67 | 4,6 | 58,5 | 400 | 400 | 280 | 25 | 1,0 инд [ind] |
|
68 | 4,6 | 58,5 | 600 | 550 | 440 | 35 | 0,9 инд [ind] |
|
69 | 4,6 | 58,5 | 800 | 500 | 520 | 40 | 0,9 инд [ind] |
|
70 | 4,6 | 58,5 | 800 | 500–750 | 520 | 50 | 0,92–0,95 инд [ind] |
|
71 | 4,6 | 58,5 | 850 | 550–800 | 560 | 55 | 0,95–1,0 инд [ind] |
|
72 | 4,6 | 58,5 | 875 | 560–810 | 560 | 55 | 0,95–1,0 инд [ind] |
|
73 | 4,6 | 59,1 | 800 | 550–750 | 560 | 55–60 | 0,95–1,0 инд [ind] |
|
74 | 4,6 | 59,1 | 850 | 600–800 | 600 | 50 | 0,95–1,0 инд [ind] | рабочий режим [work mode] |
Примечание: 1. ЭДС генератора E1 измерена аналогично напряжению на генераторе U1 в режиме холостого хода.
- Напряжение на нагрузке U2 измерено как напряжение на параллельно соединенных элементах C2 и R2-L2.
- При указании диапазонов значений имеется в виду изменение параметров электрического режима по мере нагревания заготовки – приводятся максимальное и минимальное значения.
- Заведомо недостоверные значения исключены из таблицы и заменены дефисом.
- Примечание «рабочий режим» приведено для режима, при которых достигаются требуемые параметры нагрева заготовки.
С использованием набора полученных экспериментальных данных и достоверно известных параметров емкости, включенной в цепь, возможно полноценно (или с некоторыми допущениями) при помощи простейших арифметических действий рассчитать неизвестные параметры электрической цепи (Рис. 1). Полученные результаты сведены в Табл. 2 (для случая опыта № 74, приведенного в Табл. 1).
Таблица 2. Результаты расчета параметров цепи
, Ом [Ohm] | , мкГн [µH] | , мкФ [µF] | , мкФ [µF] | , Ом [Ohm] | , мкГн [µH] |
1 | 2 | 3 | 4 | 5 | 6 |
0 | 262 | 4,6 | 59,1 | 0,00881 | 6,63410 |
Примечание: Внутреннее сопротивление источника индукционного тока принято нулевым для упрощения расчетов, а также по причине того, что .
При условии того, что известны основные (неизменные) параметры цепи, а именно величины индуктивности и активных составляющих внутреннего сопротивления источника и сопротивления нагрузки, становится возможным моделировать работу рассматриваемой индукционной установки в различных режимах.
Нагрузочная характеристика генератора с указанием величины отдаваемой в нагрузку мощности приводится на Рис. 2.
Рис. 2. Нагрузочная характеристика источника индукционного тока для различных значений величины продольной емкости при ЭДС генератора 850 В
Как видно из Рис. 2, имеется зависимость от значений параметра последовательной емкости для отдаваемой в нагрузку мощности при условии неизменности нагрузки. В режиме резонанса токов в параллельном колебательном контуре «нагрузка – параллельная емкость» (коэффициент мощности нагрузки близок к единице) значения отдаваемой в нагрузку мощности отличаются минимально и для показанного случая лежат в пределах 35–60 кВт. В случае несбалансированной нагрузки для ряда значений последовательной емкости получаются опасные значения отдаваемой в нагрузку мощности (имеется в виду перегрузка источника индукционного тока).
Нетрудно заметить, что в случае возникновения резонанса напряжений в последовательном колебательном контуре «внутренняя индуктивность источника – последовательная емкость» отмечается стабильность выходной мощности для произвольных значений параллельной емкости.
Таким образом, данный режим является наиболее предпочтительным для безопасной подстройки индукционной установки в условиях эксплуатации. На практике в большинстве случаев регулированию подвергается только параллельная емкость. Под безопасностью в данном случае подразумевается исключение возникновения режимов, приводящих к перегрузке генератора и нагрузки. При невозможности достижения резонанса напряжений следует выбирать значения емкости, для которых невозможна отдача в нагрузку мощности, превышающей номинальную мощность генератора.
Однако для формирования системного подхода к настройке индукционной установки необходимо также учитывать и величины напряжений на элементах цепи (основной интерес представляют напряжение на выходе генератора под нагрузкой, значительно отличающееся от его ЭДС в режиме холостого хода, и напряжение на нагрузке).
Внешняя характеристика генератора с указанием величины напряжения на нагрузке приводится на Рис. 3.
Рис. 3. Внешняя характеристика источника индукционного тока для различных значений продольной емкости (напряжение на нагрузке) при ЭДС генератора 850 В
Внешняя характеристика генератора с указанием величины напряжения на выходе генератора приводится на Рис. 4.
Как видно из Рис. 3, Рис. 4, при постоянном значении ЭДС напряжения на элементах цепи (Рис. 1) могут изменяться в широких пределах в зависимости от коэффициента мощности нагрузки, который, в свою очередь, регулируется значением параллельной емкости. Стоит отметить, что напряжение на элементах может достигать опасных значений (более 1000 В при номинальном значении для данной установки в 800 В).
Рис. 4. Внешняя характеристика источника индукционного тока для различных значений продольной емкости (напряжение на выходе генератора) при ЭДС генератора 850 В
Нетрудно заметить, что в случае возникновения резонанса напряжений в последовательном колебательном контуре «внутренняя индуктивность источника – последовательная емкость» отмечается стабильность напряжения на нагрузке для произвольных значений параллельной емкости. Значение величины напряжения на нагрузке соответствует величине ЭДС генератора. Однако данный режим неблагоприятен, так как напряжение на выходе генератора может достигать чрезвычайно высоких значений (несколько киловольт) при величинах параллельной емкости, отличающихся от резонансных на 3–5 %, что не является безопасным. Также в данном режиме отмечается превышение значением напряжения на выходе генератора значения ЭДС генератора при любых значениях параллельной емкости. Таким образом, нецелесообразно устанавливать значение продольной емкости при наличии возможности несанкционированного регулирования параллельной емкости в широких пределах.
При этом наиболее благоприятным режимом работы индукционной установки является режим, при котором обеспечивается коэффициент мощности нагрузки в пределах 0,92–0,97 индуктивного характера. В данном режиме напряжение на выходе генератора не превышает ЭДС генератора, а напряжение на нагрузке наиболее близко к ЭДС генератора и в некоторых случаях может превышать напряжение на выходе генератора. Напряжение на последовательной емкости определяется разностью напряжений на выходе генератора и на нагрузке и в упомянутом режиме имеет минимальную величину (в широком диапазоне значений последовательной емкости).
РЕЗУЛЬТАТЫ
Системный подход к регулированию и настройке режимов функционирования индукционных установок подразумевает разделение уровней настройки на общедоступный и специализированный.
Общедоступная настройка позволяет осуществить подстройку величины параллельной емкости в определенных пределах при изменении вида нагреваемой детали в индукторе (например, при использовании универсальных индукторов для ряда номенклатурных позиций).
В данном случае регулирование осуществляется однонаправленно до достижения величины коэффициента мощности нагрузки, близкого к единице.
Специализированная настройка позволяет осуществить регулирование электрических режимов в широких пределах путем изменения величин как продольной, так и параллельной емкости при изменении индуктора, способа его подключения, изменении частоты (в пределах, обеспечивающих достижимость технического результата обработки), изменении источника индукционного тока.
В данном случае регулирование осуществляется в двух направлениях:
- регулирование последовательной емкости для обеспечения возможности выдачи источником индукционного тока необходимой мощности в нагрузку и одновременного ограничения максимальной выдаваемой в нагрузку мощности;
- ограничение пределов несанкционированного регулирования параллельной емкости в пределах, обеспечивающих нахождение параметров электрической цепи (Рис. 1), таких как ток, мощность и напряжение на элементах не выше номинальных значений.
Известно, что в ходе технологического процесса индукционного нагрева заготовки (расплава) происходит изменение параметров нагрузки, а именно: снижение индуктивности нагрузки и повышение активной составляющей сопротивления нагрузки, причем снижение индуктивности нагрузки протекает быстрее.
В таком случае возможно применение трех вариаций подходов:
- при незначительном изменении параметров нагрузки (местный нагрев мелких и средних заготовок) обеспечивается возможность настройки нагрузки для поддержания коэффициента мощности выше 0,92–0,95 в каждый момент времени на протяжении технологического процесса;
- при значительном изменении параметров нагрузки (плавка металлов, объемный нагрев крупных заготовок) обеспечивается возможность автоматического изменения величины параллельной емкости для сохранения оптимального электрического режима работы индукционной установки;
- при значительном изменении параметров нагрузки (плавка металлов, объемный нагрев крупных заготовок) обеспечивается возможность автоматического изменения рабочей частоты источника индукционного тока для сохранения оптимального электрического режима работы индукционной установки.
Например, в рамках описанного ранее эксперимента, на практике была достигнута настройка установки индукционного нагрева при использовании двух различных источников: генераторов повышенной частоты типа ВПЧ-100-8000УХЛ1 и ППЧВ-250-10,0-6000УХЛ4 с номинальной частотой 8 000 Гц и 10 000 Гц соответственно и номинальной мощностью 100 кВт и 250 кВт соответственно.
Параметры регулируемых элементов цепи (Рис. 1) для различных источников индукционного тока приведены в Табл. 3.
Таблица 3. Параметры регулируемых элементов индукционной установки
Источник индукционного тока [Induction current source] | С1, мкФ [µF] | С2, мкФ [µF] |
ВПЧ-100-8000УХЛ1 | 4,6 | 59,1 |
ППЧВ-250-10,0-6000УХЛ4 | 20,0 | 41,0 |
Таким образом, при использовании данного подхода становится возможно обеспечить унификацию используемого оборудования, в основном источников индукционного тока. Наиболее эффективным решением для организации производства является централизация установок индукционного нагрева с использованием единого резервируемого источника индукционного тока.
ЗАКЛЮЧЕНИЕ
Разработан эффективный подход к регулированию и настройке режимов работы оборудования установок индукционного нагрева. В рамках нужд электротермии повышение уровня унификации обеспечивает возможность создания централизованных участков индукционного нагрева по видам обработки (литье, термообработка, объемный нагрев) с унифицированным источником нагрева.
Экономическая эффективность описанного подхода к настройке и регулированию обеспечивается в рамках средне- и крупносерийного производства за счет обеспечения работы источника индукционного тока при коэффициенте мощности отдаваемого тока, близком к единице и коэффициенте мощности нагрузки, близком к единице за счет того, что в рамках серийного производства потребление энергии имеет ступенчатый характер в пределах суток ввиду различной производительности смен. Повышение эффективности может быть достигнуто за счет дифференциации мощности источников с целью снижения потерь холостого хода.
Очевидно, что использование нескольких источников индукционного тока одного типа позволит при их параллельном соединении обеспечить выдачу электрической энергии повышенной частоты в широких пределах для удовлетворения текущих потребностей производства. При этом даже факт наличия нескольких однотипных единиц оборудования – источников индукционного тока позволит обеспечить высокую надежность производства в целом за счет создания возможности для формирования складских запасов унифицированных запасных частей, возможности быстрого ввода резерва и направленного обучения эксплуатационного персонала.
Также разработанный подход может использоваться при проектировании индивидуальных установок индукционного нагрева для исключения возможности создания опасных для оборудования и персонала условий эксплуатации при проведении настройки и наладки оборудования [15, 16].
Использование разработанного подхода позволит расширить представление о практических перспективах использования унифицированного системного подхода к настройке и регулированию индукционных установок повышенной частоты.
В условиях повсеместного распространения цифровых технологий применение данного подхода позволит автоматизировать процессы расчета оптимальных параметров настройки индукционных установок в условиях их проектирования и эксплуатации, что особенно актуально для предприятий-производителей и эксплуатантов оборудования.
В качестве перспектив развития выбранного направления исследования целесообразно отметить создание автоматизированного программного комплекса для расчета параметров настройки и регулирования элементов силовых цепей установок индукционного нагрева. В рамках развития промышленности и технологий в Российской Федерации это является актуальным направлением деятельности, обеспечивающим устойчивое функционирование сферы индукционного нагрева, которая с течением времени расширяет ареалы своей применимости.
Авторы заявляют, что:
- У них нет конфликта интересов;
- Настоящая статья не содержит каких-либо исследований с участием людей в качестве объектов исследований.
About the authors
Ivan M. Kazymov
Altai State Technical University named I. I. Polzunov
Email: bahek1995@mail.ru
ORCID iD: 0000-0001-6873-0315
SPIN-code: 8464-5810
senior lecturer
Russian Federation, BarnaulBoris S. Kompaneets
Altai State Technical University named I. I. Polzunov
Author for correspondence.
Email: kompbs@mail.ru
ORCID iD: 0000-0001-5980-1230
SPIN-code: 7371-4290
head of department, Ph.D (Engineering)
Russian Federation, BarnaulReferences
- Демидович В.Б. История и трансформация научного и инженерного образования в области техники и технологий индукционного нагрева // Вопросы электротехнологии. – 2022. – № 2(35). – С. 5–13. [Demidovich VB Istoriya i transformatsiya nauchnogo i inzhenernogo obrazovaniya v oblasti tekhniki i tekhnologiy induktsionnogo nagreva. Voprosy elektrotekhnologii. 2022;2(35):5-13. (In Russ.)]. Доступно по: https://elibrary.ru/item.asp?id=49184680 Ссылка активна на: 10.09.2022.
- Астапчик С.А., Гурченко П.С., Шипко А.А. История и направления развития исследований и технологий индукционного нагрева в Беларуси. – Минск: Белорусская наука, 2015. – 68 с. [Astapchik SA, Gurchenko PS, Shipko AA. Istoriya i napravleniya razvitiya issledovaniy i tekhnologiy induktsionnogo nagreva v Belarusi. Minsk: Belorusskaya nauka; 2015. 68 p. (In Russ.)]. Ссылка активна на: 10.09.2022. Доступно по: https://elibrary.ru/item.asp?id=27933450
- Бытыгин Ю.В., Сабокарь О.С., Стрельникова В.А. Индукционный нагрев в истории и в развитии. Использование в ремонтных технологиях современного транспорта // Автомобильный транспорт (Харьков). – 2017. – № 40. – С. 75–79. [Batyhin Yu, Sabokar O, Strelnikova V. Induction heating in history and development. Application in modern transport repairing technologies. Avtomobil'nyy transport (Khar'kov). 2017:40:75-79. (In Russ.)]. Ссылка активна на: 10.09.2022. Доступно по: https://www.elibrary.ru/item.asp?id=30361846
- Демидович В.Б., Михлюк А.И., Вегера И.И. История и развитие промышленных технологий индукционного нагрева / Современные методы и технологии создания и обработки материалов: Сборник научных трудов. В 2-х книгах. Под ред. Залесского В. Г. (гл. ред.) и др. – Минск: Физико-технический институт Национальной академии наук Беларуси, 2021. – С. 12–21. [Demidovich VB, Mikhlyuk AI, Vegera II. Istoriya i razvitiye promyshlennykh tekhnologiy induktsionnogo nagreva In Zalesskii VG, aditor. “Sovremennyye metody i tekhnologii sozdaniya i obrabotki materialov” : Sbornik nauchnykh trudov. V 2-kh knigakh. Minsk: Fiziko-tekhnicheskiy institut Natsional'noy akademii nauk Belarusi; 2021. рp. 12-21. (In Russ.)]. Ссылка активна на: 10.09.2022. Доступно по: https://www.elibrary.ru/item.asp?id=48835582
- Зинин Ю., Мульменко М. Современные тиристорные преобразователи частоты типа «Параллель» для установок индукционного нагрева металлов // Силовая электроника. – 2015. – Т. 3. – № 54. – С. 64–71. [Zinin Yu, Mul'menko M. Sovremennyye tiristornyye preobrazovateli chastoty tipa "Parallel'" dlya ustanovok induktsionnogo nagreva metallov. Silovaya elektronika. 2015:3(54):64-71. (In Russ.)]. Доступно по: https://www.elibrary.ru/item.asp?id=23804086 Ссылка активна на: 10.09.2022.
- Зинин Ю., Мухаметов Р., Мамаева М. Разработка установки ИНТ-400-1,0 для индукционного нагрева труб большого диаметра перед гибкой // Силовая электроника. – 2016. – Т. 5. – № 62. – С. 84–89. [Zinin Yu, Mukhametov R, Mamayeva M. Razrabotka ustanovki INT-400-1,0 dlya induktsionnogo nagreva trub bol'shogo diametra pered gibkoy. Silovaya elektronika. 2016:5(62):84-89. (In Russ.)]. Доступно по: https://www.elibrary.ru/item.asp?id=28370402 Ссылка активна на: 10.09.2022.
- Житников Д.А., Есин С.Б. Влияние ТВЧ-обработки зерна злаковых культур на параметры процесса его измельчения / Современные проблемы техники и технологии пищевых производств: Материалы XХ Международной научно-практической конференции. 14–15 марта 2019 года, Барнаул. Барнаул: Алтайский государственный технический университет им. И.И. Ползунова, 2019. – С. 142–146. [Zhitnikov DA, Yesin SB. Vliyaniye TVCH-obrabotki zerna zlakovykh kul'tur na parametry protsessa yego izmel'cheniya / Proceedings of the International Scientific and Practical Conference “Sovremennyye problemy tekhniki i tekhnologii pishchevykh proizvodstv”. 2019 Mar 14–15, Barnaul. Barnaul: Altai State technical university named I.I. Polzunov; 2019. p. 142-146. (In Russ.)]. Ссылка активна на: 10.09.2022. Доступно по: https://www.elibrary.ru/item.asp?id=41569218
- Кривочуров Н.Т., Ишков А.В., Иванайский А.В. Опыт использования скоростного ТВЧ-борирования для упрочнения деталей сельскохозяйственных машин, восстановленных электроконтактным напеканием железного порошка // Вестник Алтайского государственного аграрного университета. – 2020. – № 11(193). – С. 111–119. [Krivochurov NT, Ishkov AV, Ivanayskiy AV. Opyt ispol'zovaniya skorostnogo TVCH-borirovaniya dlya uprochneniya detaley sel'skokhozyaystvennykh mashin, vosstanovlennykh elektrokontaktnym napekaniyem zheleznogo poroshka. Vestnik Altayskogo gosudarstvennogo agrarnogo universiteta. 2020:11(193):111-119. (In Russ.)]. Ссылка активна на: 10.09.2022. Доступно по: https://www.elibrary.ru/item.asp?id=44277341
- Гурьянов Г.В., Кисель Ю.Е. Повышение механических свойств композиционных гальванических покрытий обработкой // Вестник Брянской государственной сельскохозяйственной академии. – 2011. – № 5. – С. 56–60. [Gur'yanov GV, Kisel' YuYe. Povysheniye mekhanicheskikh svoystv kompozitsionnykh gal'vanicheskikh pokrytiy obrabotkoy. Vestnik Bryanskoy gosudarstvennoy sel'skokhozyaystvennoy akademii. 2011:5:56-60. (In Russ.)]. Ссылка активна на: 10.09.2022. Доступно по: https://www.elibrary.ru/item.asp?id=22913432
- Гурьев А.М., Гурьев М.А., Лыгденов Б.Д., Цыдыпов Б.С. Разработка высокоскоростной технологии борирования в условиях нагрева токами // Ползуновский альманах. – 2017. – № 4–5. – С. 161–164. [Gur'yev AM, Gur'yev MA, Lygdenov BD, Tsydypov BS. Razrabotka vysokoskorostnoy tekhnologii borirovaniya v usloviyakh nagreva tokami. Polzunovskiy al'manakh. 2017:4-5:161-164. (In Russ.)]. Доступно по: https://www.elibrary.ru/item.asp?id=32538356 Ссылка активна на: 10.09.2022.
- Щуркин Д.О., Щелкунов А.Ю. Технологии ТВЧ в нагреве заготовок прямоугольного и квадратного сечения / Научно-технический прогресс в черной металлургии: Материалы II Международной научно-технической конференции. 07–09 октября 2015 года, Череповец. Под ред. Кузьминова А.Л. Череповец: Череповецкий государственный университет, 2015. – С. 152–153. [Shchurkin DO, Shchelkunov AYu. Tekhnologii TVCH v nagreve zagotovok pryamougol'nogo i kvadratnogo secheniya In Kuz'minov A.L editor. Proceedings of the International Scientific and Practical Conference “Nauchno-tekhnicheskiy progress v chernoy metallurgii”. 2015 Oct 07–09, Cherepovets. Cherepovets: Cherepovetskiy gosudarstvennyy universitet; 2015. рp. 152-153. (In Russ.)]. Ссылка активна на: 10.09.2022. Доступно по: https://www.elibrary.ru/item.asp?id=28162127
- Иванцивский В.В., Скиба В.Ю., Зуб Н.П. Методика назначения режимов обработки, обеспечивающих рациональное распределение остаточных напряжений при поверхностной закалке ВЭН // Научный вестник Новосибирского государственного технического университета. – 2008. – № 3(32). – С. 83–95. [Ivantsivskiy VV, Skiba VYu, Zub NP. Metodika naznacheniya rezhimov obrabotki, obespechivayushchikh ratsional'noye raspredeleniye ostatochnykh napryazheniy pri poverkhnostnoy zakalke VEN. Nauchnyy vestnik Novosibirskogo gosudarstvennogo tekhnicheskogo universiteta. 2008:3(32):83-95. (In Russ.)]. Ссылка активна на: 10.09.2022. Доступно по: https://www.elibrary.ru/item.asp?id=11639712
- Антонцев Н.М., Гритчин В.В., Рожков Ю.Н. Получение износостойких покрытий в результате одновременного осуществления СВЧ-процессов и ТВЧ-нагрева // Труды ГОСНИТИ. – 2016. – Т. 124. – № 2. – С. 32–35. [Antontsev NM, Gritchin VV, Rozhkov YuN. Polucheniye iznosostoykikh pokrytiy v rezul'tate odnovremennogo osushchestvleniya SVCH-protsessov i TVCH-nagreva. Trudy GOSNITI. 2016:124(2):32-35. (In Russ.)]. Ссылка активна на: 10.09.2022. Доступно по: https://www.elibrary.ru/item.asp?id=27208750
- Аулов В.Ф., Иванайский В.В., Ишков А.В. и др. Получение износостойких композиционных боридных покрытий на стали 65Г при ТВЧ-нагреве // Труды ГОСНИТИ. – 2014. – Т. 115. – С. 139-145. [Aulov VF, Ivanayskiy VV, Ishkov AV, et al. Polucheniye iznosostoykikh kompozitsionnykh boridnykh pokrytiy na stali 65G pri TVCH-nagreve. Trudy GOSNITI. 2014:115:139-145. (In Russ.)]. Ссылка активна на: 10.09.2022. Доступно по: https://www.elibrary.ru/item.asp?id=21817350
- Сысун В.И., Подопригора А.В. Индукционный нагрев ферромагнитной среды в режиме насыщения // Фундаментальные исследования. – 2004. – № 3. – С. 131–133. [Sysun VI, Podoprigora AV. Induktsionnyy nagrev ferromagnitnoy sredy v rezhime nasyshcheniya. Fundamental'nyye issledovaniya. 2004:3:131-133. (In Russ.)]. Ссылка активна на: 10.09.2022. Доступно по: https://www.elibrary.ru/item.asp?id=10435273
- Багаев А.А., Бобровский С.О. Основные положения методики косвенного измерения тока в индукторе ТВЧ-установки // Вестник Алтайского государственного аграрного университета. – 2018. – № 5(163). – С. 171–178. [Bagayev AA, Bobrovskiy SO. Osnovnyye polozheniya metodiki kosvennogo izmereniya toka v induktore TVCH-ustanovki. Vestnik Altayskogo gosudarstvennogo agrarnogo universiteta. 2018:5(163):171-178. (In Russ.)]. Ссылка активна на: 10.09.2022. Доступно по: https://elibrary.ru/item.asp?id=49371218
Supplementary files








