Dynamic model of the Moscow monorail transport system using magnetolevitation technology
- Authors: Fironov A.N.1, Kostenko A.S.1
- 
							Affiliations: 
							- Russian university of transport (MIIT)
 
- Issue: Vol 8, No 1 (2022)
- Pages: 67-85
- Section: Original studies
- URL: https://transsyst.ru/transj/article/view/105523
- DOI: https://doi.org/10.17816/transsyst20228167-85
- ID: 105523
Cite item
Full Text
Abstract
Aim: The Moscow monorail transport system, which has been in operation for more than 18 years and uses a linear electric drive, has proven its efficiency, reliability, and safety, but at the same time there is a need to modernize it. The proposed modernization is based on new trolleys, in the design of which electromagnets and a linear motor are combined.
Materials and methods: Based on a model-oriented approach in Simscape – Simulink applications of the MATLAB ® environment, a dynamic model of a two-car rolling stock of a monorail transport system using magnetolevitation technology has been developed.
Results: A general description of the model and its subsystems is given. The results of modeling taking into account the nervousness of the track structure are presented.
Conclusion: The developed model allows you to choose the most rational design parameters of trolleys, elastic-dissipative suspension elements of rolling stock, electromagnetic control systems. The proposed monorail transport system can be implemented in Russian cities where, for various reasons, the use of the metro is impractical.
Full Text
ВВЕДЕНИЕ
Интенсивный рост городов, развитие туризма, повышение мобильности населения, развитие бизнеса и необходимость экономии времени, а также ряд других причин порождают необходимость совершенствования общественного транспорта [1–2]. Увеличение скорости в междугороднем сообщении связано с развитием магнитолевитационной технологии [3–6]. Активно исследуются возможности вакуумно-магнитолевитационного транспорта [7–10].
Переход на опирание и тягу без механического контакта дает ряд преимуществ прежде всего в городских агломерациях при перемещении больших масс пассажиров. В наибольшей степени этим требованиям соответствует монорельсовый транспорт, в последние годы в котором активно начинает применяться магнитная левитация и линейный электропривод [11–16].
Вопросы динамики транспорта с магнитной левитацией остаются наиболее актуальными для исследований. [17–22]. При проектировании таких линий необходимо учитывать как конструкционные особенности путевой структуры, так и динамические свойства подвижного состава. Для правильного выбора параметров новой линии целесообразно и необходимо проводить комплексное компьютерное моделирование всей транспортной системы.
В статье рассматривается модель двухвагонного монорельсового транспорта с применением магнитолевитационной технологии, позволяющая определять динамические воздействия на транспортное средство с учетом неровностей путевой структуры и разработать рекомендации к конструкции подвижного состава.
МОСКОВСКАЯ МОНОРЕЛЬСОВАЯ ТРАНСПОРТНАЯ СИСТЕМА
Московская монорельсовая транспортная система (ММТС) эксплуатируется с 2004 года. При создании ММТС при поддержке Правительства Москвы ставилась задача ее создания как экспериментальной транспортной системы для проверки работоспособности монорельса в условиях плотной городской застройки. Как показал опыт продолжающейся эксплуатации, ММТС оказалась не только жизнеспособной, но и востребованной, достигнув наибольшей производительности в 2013–2015 годах, когда ежегодно перевозилось более 5,5 млн. пассажиров.
Особенность ММТС заключается в том, что в начале 2000-х годов это была технически прогрессивная система с опиранием на пневматические колеса и бесконтактным линейным асинхронным тяговым приводом (Рис.1).
Рис. 1. Подвижной состав ММТС с линейным двигателем
Применение линейного электропривода для целей тяги/торможения было обусловлено специфическими российскими климатическими условиями, когда выпавший снег и образующиеся наледи на горизонтальной поверхности эстакадного пути не позволяли разогнать и затормозить подвижной состав монорельса, если бы это происходило через традиционный контакт пневматических колес с плоской металлической поверхностью несущей балки. Поэтому было принято решение обеспечить тягу/торможение бесконтактным способом, т.е. с помощью линейного асинхронного двигателя. Конструкция тележки подвижного состава предусматривала специальную систему поддержания воздушного зазора между индуктором линейного двигателя и вторичным элементом на пути.
В последние годы ММТС переведена в т.н. «экскурсионный» режим и активно обсуждается вопрос ее дальнейшей судьбы.
Выполненный в Российском университете транспорта (МИИТ) анализ, подтвердил перспективность использования монорельса для городских перевозок в условиях плотной городской застройки и эксплуатации в Российских климатических условиях. Кроме этого, была предложена модернизация ММТС с минимальными затратами без кардинальной переделки существующей путевой структуры с применением магнитной левитации [23, 24]. Переоборудование путевых конструкций, путевого хозяйства, СЦБ, связи, системы электроснабжения, депо и подвижного состава при этом может быть обеспечено с минимальными по стоимости и исчерпывающими для применения магнитолевитационной технологии.
Для обеспечения применения новой для Москвы магнитолевитационной транспортной технологии было предложено доработать подвижной состав и частично путевую структуру (без выполнения капитальных строительно-монтажных работ), усовершенствовать систему тягового электропривода и управления движением и повысить среднюю скорость сообщения до 30 км/ч (сейчас – 15,5 км/ч). Предлагаемая модернизация позволяет организовать сквозной проход вдоль всего состава и увеличить вместимость состава на 30 %. Пассажиропоток на модернизированной трассе может быть увеличен до 12–15 млн. человек в год.
ПРЕДЛОЖЕНИЯ ПО МОДЕРНИЗАЦИИ ММТС С ПРИМЕНЕНИЕМ МАГНИТОЛЕВИТАЦИОННОЙ ТЕХНОЛОГИИ
Ходовая балка ММТС представляет собой металлическую конструкцию коробчатого сечения длиной 30–40 м. Высота ходовой балки выбрана из условия допустимой деформации при выбранной величине пролетного сечения.
Исходя из требования минимизации затрат на переустройство инфраструктуры и подвижного состава ММТС был рассмотрен следующий вариант. Верхняя металлическая плита толщиной 32 мм имеет выступающие за сечение балки края с вылетом 150 мм (Рис. 2).
Целесообразно, не меняя несущую конструкцию балки:
- Изменить конструкцию ходовой части тележки подвижного состава следующим образом:
- разместить на охватывающих путевую структуру частях ходовой тележки по одному тяговому линейному двигателю и по два электромагнита левитации с каждой стороны для обеспечения магнитного притяжения снизу к выступающим краям металлической балки и создания необходимого тягового усилия (Рис. 3);
- сохранить опорную колесную систему с заменой пневматических колес на обрезиненные катки меньшего диаметра;
- перенести вторичный элемент ЛАД с верхней горизонтальной поверхности на две боковые поверхности несущей балки.
Рис. 2. Поперечный разрез ходовой балки и путевой структуры ММТС
Рис. 3. Поперечный разрез тележки с тягово-подъемными модулями модернизированного вагона ММТС
Как показали испытания электромагнитов подвеса и тележки, возможно использование боковых поверхностей несущей балки без переделки троллейной системы. При этом обеспечивается вписывание в габарит подвижного состава.
В предложенном варианте:
- Высвобождается межвагонное пространство, что позволит обеспечить сквозной проход вдоль состава;
- До 2,5 раз снижается осевая нагрузка на опорные колеса, а при полном магнитном подвесе колеса разгружаются целиком и используются как дополнительная система безопасности;
- За счет снижения нагрузки на ось увеличивается средняя эксплуатационная скорость до 25–30 км/ч и снижается потребляемая мощность линейного двигателя;
- Вторичный элемент защищен от прямого воздействия снега и наледи, т.к. размещается на боковых поверхностях несущей балки и практически под навесом «крыльев» конструкции;
- Вертикальное размещение тяговых ЛАД дает дополнительное преимущество с точки зрения обеспечения поперечной стабилизации. Внедрение векторной системы управления ЛАД позволит независимо управлять силой тяги и силой поперечной стабилизации при прохождении кривых и динамических возмущениях.
Для проверки предложенных технических решений был использован подход на основе модельно-ориентированного проектирования (МОП). Основной целью применения МОП является то, что при разработке системы создается модель, максимально приближенная к оригиналу и позволяющая выполнить анализ взаимного влияния компонентов системы, провести настройку параметров и избежать серьезных ошибок при изготовлении макетных образцов.
На такой модели различные команды разработчиков совместно проверяют взаимное влияние подсистем, проводят любые виртуальные испытания, в том числе безопасно отрабатывают аварийные или экстремальные режимы работы изделия. Системная модель используется не только как виртуальный полигон для отработки различных сценариев работы системы, но и как средство проектирования, то есть быстрого перебора решений или выбора оптимального компонента для установки в систему. Методы математической оптимизации и калибровки позволяют выбрать наилучшие параметры для достижения целевых показателей поведения системы. Из системной модели производится генерация исходного кода для различных микропроцессоров, операционных систем реального времени, программируемых логических интегральных схем, программируемых логических контроллеров и встраиваемых графических процессоров.
МОДЕЛЬ ДВУХВАГОННОГО ПОДВИЖНОГО СОСТАВА
Основная цель разработки модели заключается в определении:
- динамических нагрузок на вагон при его движении по трассе;
- выбора параметров и настройки системы управления электромагнитами подвеса;
- выбора параметров и настройки системы вторичного подвеса вагона по условиям обеспечения наилучших ходовых качеств;
- выборе параметров и настройки системы управления двигателем при прямолинейном движении и в кривых;
- проведение тяговых расчетов в условиях динамических возмущений.
Расчетная кинематическая схема модели макетного двухвагонного трехтележечного подвижного состава монорельсовой транспортной системы с магнитной разгрузкой представлена на Рис. 4. За основу в модели были приняты массовые и габаритные размеры действующего подвижного состава ММТС.
Рис. 4. Расчетная кинематическая схема модели двухвагонного подвижного состава монорельсовой транспортной системы с магнитной разгрузкой
Пассажирский вагон через четырехточечную систему подвеса, соединен с опорной рамой, которая, в свою очередь, опирается на две тележки. В межвагонном соединении средняя тележка несет частичную весовую нагрузку от двух вагонов. Для головного и хвостового вагонов используются дополнительные тележки.
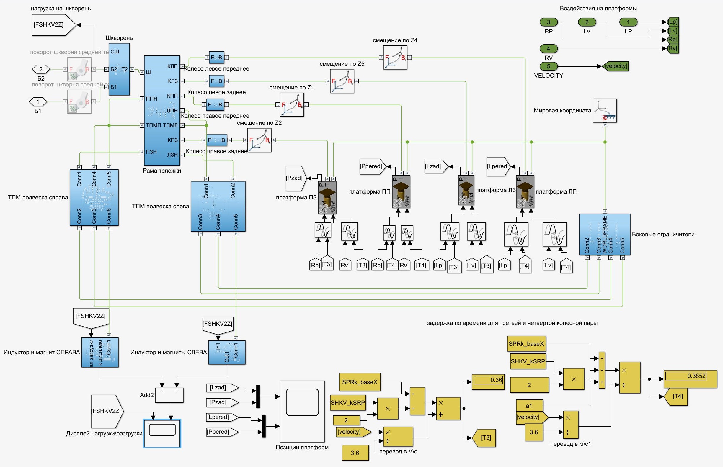
Обобщенная структура модели двухвагонного подвижного состава разработана в среде Simulink–Simscape пакета MATLAB (Рис. 5).
Рис. 5. Обобщенная структура модели двухвагонного состава.
В составе модели подсистемы, описывающие каждый вагон с датчиками силы, размещенными в опорной раме в четырех местах подвески. Основной несущий элемент подвижного состава – тележка, которая в составе модели двухвагонного подвижного состава представлена тремя подсистемами, описывающими три тележки с тягово-подъемными модулями. Каждая подсистема, описывающая тележку, имеет пять входов, четыре из которых обозначают опорные колеса, и один – входную скорость. Модель тележки рассмотрена ниже.
Визуализация, полученная из модели двухвагонного подвижного состава представлена на Рис. 6.
Рис. 6. Визуализация модели двухвагонного состава
Неровности путевой структуры с учетом скорости движения представлены отдельной подсистемой и позволяют оценить динамические воздействия на подвижной состав.
В модели задаются геометрические параметры пути, каркаса тележки, опорных обрезиненных колес, магнитов и индуктора ЛАД, горизонтальных колес, а также параметры всех упруго-диссипативных элементов, включенных в конструкцию, параметры кузова вагона и подвагонной рамы, массы конструктивных элементов и скорость движения.
ТЕЛЕЖКА С ТЯГОВО-ПОДЪЕМНЫМИ МОДУЛЯМИ
Основной элемент предлагаемой транспортной системы – тележки, на которые через раму опираются пассажирские вагоны. Общая структура модели тележки с тягово-подъемными модулями с магнитной разгрузкой и линейным тяговым приводом представлена на Рис. 7.
Тележки представляют собой силовую пространственную конструкцию с размещенными симметрично по боковым плоскостям тягово-подъемными модулями (ТПМ), по два на тележку, обеспечивающий подвес, тягу/торможение и боковую стабилизацию подвижного состава. В конструкции ТПМ размещены два электромагнита, закрепленные на несущей раме, которые притягиваются снизу к выступающим краям горизонтальной поверхности металлической плиты несущей балки путевой структуры (Рис. 3).
С каждой стороны тележки под электромагнитами размещены индукторы тяговых линейных двигателей. Тяга (торможение) осуществляется при взаимодействии бегущего магнитного поля индуктора со вторичным элементом (алюминиевой полосой с металлической подложкой), расположенного на боковых поверхностях несущей балки. Визуализация тележки, полученная из подсистемы модели, представлена на Рис. 8. Здесь красным цветом обозначены электромагниты подвеса, синим – индукторы ЛАД.
Путевая структура в модели, на которую опираются вертикальные колеса, представлена четырьмя плоскими поверхностями (по количеству колес), опирающимися на цилиндрические платформы (Рис. 7, 8). Назначение платформ – задавать неровности пути в виде колебательных (с разными частотами и амплитудами) или различных ступенчатых процессов. Алгоритм управления платформами позволяет задавать неровности, воздействуя как одновременно, так и раздельно на каждое колесо и в зависимости от скорости движения.
Рис. 7. Структура подсистемы модели тележки
Рис. 8. Визуализация модели тягово-подъемного модуля
Вертикальные колеса опираются на раму тележки через «коромысло». Такая конструкция позволяет плавно проходить неровности путевой структуры. Боковые колеса ограничивают зазор между индуктором и вторичным элементом ЛАД, а также в динамических процессах и/или при прохождении кривых.
Тягово-подъемные модули, состоящие из пары электромагнитов двигателя с каждой стороны, крепятся «параллелограммом» к раме тележки через вертикальный упруго-диссипативный элемент. Колебания зазора между индуктором ЛАД и вторичным элементом на пути сглаживаются горизонтальным упруго-диссипативным элементом.
Электромагниты подвеса питаются попарно с каждой стороны от двухплечевого двухквадрантного широтно-импульсного преобразователя (ШИП) с IGBT-транзисторными ключами. Вертикальные колеса ТПМ рассчитаны на нагрузку только от тары подвижного состава. Сигнал от полезной нагрузки (от пассажиров), через ШИП управляет током электромагнитов, обеспечивая постоянную разгрузку вертикальных колес. В модель также включена реальная силовая характеристика, подтвержденная экспериментом на полномасштабном электромагните.
Боковые поверхности несущей балки в модели представлены вертикальными плоскостями, имитирующие боковые ограничители для горизонтальных колес.
Каждый конструктивный элемент ТПМ в модели представлен соответствующим описанием, включающего геометрические размеры, плотность материала, массу, прочие механические характеристики. Все элементы связаны между собой посредством единой координатной системы, что позволяет получать информацию об усилиях, скоростях и ускорениях, действующих в трех координатных осях на любую из входящих в конструкцию деталь.
ИСХОДНЫЕ ДАННЫЕ ДЛЯ МОДЕЛИРОВАНИЯ ТЯГОВО-ПОДЪЕМНОГО МОДУЛЯ
В модели приняты допущения, связанные в основном с упрощением описания геометрии элементов, входящих в конструкцию ТПМ и не оказывающих влияния на динамические характеристики. Для проведения имитационных расчетов были приняты предварительные исходные данные:
- Параметры механической подвески тягово-подъемного модуля:
- Жесткости упругих элементов крепления двигателя и рамы с магнитами (по экспериментальным данным) 174 400 Н/м;
- Диссипация упругих элементов крепления двигателя и рамы с магнитами 50 000 Н/(м/с)
- Массы: Электромагнита 150 кг
Двигателя 300 кг
- Неровности путевой структуры задаются моделирующими их платформами, для каждой стороны путевой структуры, в соответствии с приведенным в Табл. 1 алгоритмом:
Таблица 1. Виды неровностей путевой структуры для моделирования
| № | Вид неровности | 
| 1 | Низкочастотная синусоида с левой и правой платформами, колеблющимися в фазе | 
| 2 | Низкочастотная синусоида с левой и правой платформами, колеблющимися в противофазе | 
| 3 | Среднечастотная синусоида с левой и правой платформами, колеблющимися в фазе | 
| 4 | Среднечастотная синусоида с левой и правой платформами, колеблющимися в противофазе | 
| 5 | Высокочастотная синусоида с левой и правой платформами, колеблющимися в фазе | 
| 6 | Высокочастотная синусоида с левой и правой платформами, колеблющимися в противофазе | 
| 7 | Шаг левой и правой платформ в фазе | 
| 8 | Шаг левой и правой платформ в противофазе | 
| 9 | Импульс левой и правой платформ в фазе | 
| 10 | Импульс левой и правой платформ в противофазе | 
| 11 | Большой провал вниз | 
Характеристики неровностей пути, оказывающие динамические воздействия на ТПМ и принятые при моделировании, предусматривают следующие виды:
- низкочастотные колебания балки путевой структуры;
- средне и высокочастотные колебания верхней плиты;
- деформационные стыки верхней плиты;
- случайные неровности поверхности верхней плиты;
- возможные резкие провалы в поверхности верхней плиты.
Все амплитудные и частотные характеристики платформ, моделирующих неровности, задаются в зависимости от скорости движения с учетом смещения по времени воздействия на передние и задние колеса тележки.
НЕКОТОРЫЕ РЕЗУЛЬТАТЫ МОДЕЛИРОВАНИЯ
С помощью разработанной модели была проведена серия имитационных расчетов при разных скоростях движения и разных значениях полезной нагрузки на среднюю тележку подвижного состава. В конструкции тележки предусмотрено ограничение по зазору между электромагнитами и путевой структурой. Магнитная разгрузка вертикальных колес обеспечивается притяжением электромагнитов к путевой структуре, что отражается в приводимых ниже графиках. В качестве примера на Рис. 9 приведены осциллограммы сил, действующих в трех координатных осях в центре ТПМ (места крепления рам вагона) без нагрузки (Рис. 9а) и при полезной нагрузке 6500 кг (Рис. 9б) и скорости движения 30 км/ч.
Рис. 9. Осциллограммы сил в центре шкворневого узла ТПМ при скорости движения 30 км/ч: а) без полезной нагрузки; б) при нагрузке 100 %
ВЫВОДЫ
Разработанная модель позволяет оценить динамические характеристики подвижного состава монорельсовой транспортной системы с элементами электромагнитной подвески. Результаты моделирования дают возможность принять предварительные решения по параметрам первичной и вторичной подвески с целью обеспечения требований к качеству хода. При анализе динамики движения приняты достаточно жесткие условия по неровностям пути и алгоритму их применения, которые позволяют предложить улучшения в конструкции ТПМ и двухвагонного макетного образца модернизированной ММТС.
Дальнейшее развитие модели проекта модернизации ММТС предполагает:
- выполнение комплекса расчетов для двухвагонного подвижного состава;
- доработку модели с целью обеспечения полного электромагнитного подвеса с системой управления воздушным зазором;
- моделирование системы поперечной стабилизации посредством линейного асинхронного двигателя;
- выполнение комплекса динамических и тягово-энергетических расчетов для реальной трассы монорельса.
В городах Российской Федерации, где строительство метро по экономическим или геологическим причинам нецелесообразно, предлагаемая монорельсовая транспортная система с магнитолевитационной технологией может найти применение.
БЛАГОДАРНОСТИ
Особая благодарность Член-корреспонденту Академии электротехнических наук, Главному конструктору АО ИНЦ «ТЭМП» Андрею Александровичу Галенко; Заместителю Генерального директора АО ИНЦ «ТЭМП», кандидату технических наук Алексею Тихоновичу Горелову; кандидату технических наук, доктору экономических наук, профессору Владимиру Викторовичу Коновалову за замечания и рекомендации при выполнении данной работы.
Авторы заявляют, что:
- У них нет конфликта интересов;
- Настоящая статья не содержит каких-либо исследований с участием людей в качестве объектов исследований.
About the authors
Anatoly N. Fironov
Russian university of transport (MIIT)
														Email: tyml2341@yandex.ru
				                	ORCID iD: 0000-0003-2683-9958
				                	SPIN-code: 2477-7313
																		                								
PhD, associate professor
Russian Federation, MoscowAlex S. Kostenko
Russian university of transport (MIIT)
							Author for correspondence.
							Email: a-kostenko@bk.ru
				                					                																			                								
student
Russian Federation, MoscowReferences
- Зайцев А.А., Соколова Я.В., Фиронов А.Н. Магнитная левитация – мировой тренд транспортных технологий. Железнодорожный транспорт. – 2019. – № 3. – С. 54–58. [Zaytsev AA, Sokolova YV, Fironov AN. Magnitnaya Levitatsiya – mirovoy trend transportnyh technology. Zeleznodorogny transport. 2019;(3):54-58. (In Russ.)]. Ссылка активна на: 17.02.2022. Доступно по: https://www.elibrary.ru/item.asp?id=37058002
- Wenk M, Klühspies J, Blow L, et al. Maglev: Science Experiment or the Future of Transport? Practical Investigation of Future Perspectives and Limitations of Maglev Technologies in Comparison with Steel-Wheel-Rail. The International Maglev Board [Internet]. [cited 2018]. Available from http://www.maglevboard.net/en/research
- Винокуров В.А., Галенко А.А, Горелов А.Т., Фиронов А.Н. Транспортные системы с магнитным подвешиванием и линейным электроприводом. В кн.: Машиностроение. Энциклопедия/Подвижной состав железных дорог. Т. IV-23/ Под ред. П.С. Анисимова. – 2008. – С. 591–643. [Vinokurov VA, Galenko AA, Gorelov AT, Fironov AN. Transportnye systemy s magnitnym podveshivaniem i lineinym elektroprivodom. In: Anisimov PS. editor. Mashinostroenie. Enciklopedia/Podviznoy sostav zeleznych dorog. V. IV-23; Moscow, 2008, pp. 591-643. (In Russ.)].
- Винокуров В.А., Галенко А.А, Горелов А.Т., Фиронов А.Н. Транспорт на новых технологических принципах. – М., МИИТ, 2004, в 2-х частях, часть 1. – 185 с. часть 2 – 140 с. [Vinokurov VA, Galenko AA, Gorelov AT, Fironov AN. Transport na novyh technologicheskih principah. Moscow, MIIT, 2004, in 2 parts, part 1. 185 p., part 2 – 140p. (In Russ.)].
- Han H-S, Kim D-S. Magnetic Levitation Maglev Technology and Applications. Springer Science+Business Media Dordrecht 2016, 247с. doi: 10.1007/978-94-017-7524-3
- Зайцев А.А., Антонов Ю.Ф. Магнитолевитационная транспортная технология / под ред. В.А. Гапановича. – М.: ФИЗМАТЛИТ, 2014. – 476 с. [Zaitsev AA, Antonov YuF. Magnitolevitatsionnaya transportnaya tekhnologiya. Gapanovich VA, editor. Moscow: FIZMATLIT; 2014. 476 p. (In Russ.)]. Ссылка активна на: 17.02.2022. Доступно по: https://b-ok.org/book/2901328/800f1a/?_ir=1
- Фиронов А.Н. Вакуумно-левитационный транспорт: перспектива или тупик? Транспорт Российской Федерации, – № 3(70). – 2017. – С. 46–49. [Fironov AN. Vaquumno-levitacionny transport: perspectiva ili tupic? Transport Russian Federation. 3(70):46-49. [Internet]. (in Russ.)]. Ссылка активна на: 17.02.2022. Доступно по: http://www.rostransport.com/
- Zhang Y, Oster D, Kumada M, et al. Key vacuum technology issues to be solved in evacuated tube transportation. Journal of Modern Transportation. 2011;19(2):110-113 Journal homepage: jmt.swjtu.edu.cn. doi: 10.1007/BF03325748
- Oster D, Kumada M, Zhang Y. Evacuated tube transport technologies (ET3)tm: a maximum value global transportation network for passengers and cargo. Journal of Modern Transportation. 2011;19(1):42-50. Journal homepage: jmt.swjtu.edu.cn. doi: 10.1007/BF03325739
- Галенко А.А. Применение тягового линейного электропривода (ТЛЭП) в транспортных системах различного назначения. Техника железных дорог. Ноябрь – 2016. – № 4(36). – С. 46–49. [Galenko AA. Primenenie tyagovogo lineinogo electroprivoda (TLEP) v transportnyh sistemah razlichnogo naznacheniya. Tehnika zeleznyh dorog November 2016;4(36):46-49 (in Russ.)]. Ссылка активна на: 17.02.2022. Доступно по: https://opzt.ru/magazine/zhurnal-np-opzht-tehnika-zheleznyh-dorog-4-36/
- Сидяков В.А., Краснов И.В. Монорельсовый транспорт. Проблемы, приоритеты и инновации. Решение транспортного коллапса. Транспорт Российской Федерации. – 2013. – № 4(47). – С. 38–41. [Sidyakov VA, Krasnov IV. Monorelsovy transport. Problemy, phioritety, I innovacii. Transport Russian Federation. 2013;4(47):38-41. [Internet]. (in Russ.)]. Ссылка активна на: 17.02.2022. Доступно по: http://www.rostransport.com/
- Liang X, Wang W, Chen F, Fu Q. Research on Key Technologies of Medium Speed Maglev Transportation System. Abstract for The MAGLEV 2018 Conference Russia, St. Petersburg, Together with MTST 2018 Conference, September 5-8, 2018. Available from: https://www.researchgate.net/publication/349305234_Maglev_2018_-_Abstracts_of_the_24th_International_Conference_in_St_Petersburg_Russian_Federation
- Han H-S, Kim C-H, Lim J, Ha C-W. Latest Advancements in the Urban Maglev ECOBEE. Abstract for The MAGLEV 2018 Conference Russia, St. Petersburg, Together with MTST 2018 Conference, September 5-8, 2018. Available from: https://www.researchgate.net/publication/349305234_Maglev_2018_-_Abstracts_of_the_24th_International_Conference_in_St_Petersburg_Russian_Federation
- Operating Cost of Incheon Airport Maglev Line Park Doh Co-Authors: B.C. Shin, K.B. Lee, S.K. Ma. Abstract for The MAGLEV 2018 Conference Russia, St. Petersburg, Together with MTST 2018 Conference, September 5 - 8, 2018. Available from: https://www.researchgate.net/publication/349305234_Maglev_2018_-_Abstracts_of_the_24th_International_Conference_in_St_Petersburg_Russian_Federation
- Stephan R, De Andrade Junior R, Ferreira A, et al. Maglev-cobra: an urban transportation system For highly populated cityes. Transportation Systems and Technology. 2015;1(2):16-25. doi: 10.17816/transsyst20151216-25
- Zhao C, Feng Y, Liu D, Ren X. Dynamic Mechanical Behaviors of Secondary Air Spring Suspension of High-Speed Maglev Vehicles Running over the Curve Track. Abstract for The MAGLEV 2018 Conference Russia, St. Petersburg, Together with MTST 2018 Conference, September 5-8, 2018. Available from: https://www.researchgate.net/publication/349305234_Maglev_2018_-_Abstracts_of_the_24th_International_Conference_in_St_Petersburg_Russian_Federation
- Gao S, Liang X, Wang W. Research on Dynamic Characteristic of MultiSpan Continuous Steel Turnout Beam in Medium Maglev Transportation System. Abstract for The MAGLEV 2018 Conference Russia, St. Petersburg, Together with MTST 2018 Conference, September 5-8, 2018. Available from: https://www.researchgate.net/publication/349305234_Maglev_2018_-_Abstracts_of_the_24th_International_Conference_in_St_Petersburg_Russian_Federation
- Li J, Wang P, Wang YG, et al. Construction and Equipment Configuration of Beijing Urban Maglev Commercial Line (S1 line) Abstract for The MAGLEV 2018 Conference Russia, St. Petersburg, Together with MTST 2018 Conference, September 5-8, 2018. Available from: https://www.researchgate.net/publication/349305234_Maglev_2018_-_Abstracts_of_the_24th_International_Conference_in_St_Petersburg_Russian_Federation
- Application of Low-Dynamic-Interaction Levitation Frame to Medium-Low Speed Maglev Vehicle. Zhang Min. Co-Authors: Ma Weihua, Gao Chang, Luo Shihui. Abstract for The MAGLEV 2018 Conference Russia, St. Petersburg, Together with MTST 2018 Conference, September 5 - 8, 2018. Available from: https://www.researchgate.net/publication/349305234_Maglev_2018_-_Abstracts_of_the_24th_International_Conference_in_St_Petersburg_Russian_Federation
- Zhao C, Zhao C, Yang F, et al. Modeling and Simulation of Coupling Vibration between Medium-Low Speed Maglev Vehicle and Switch Beam. Abstract for The MAGLEV 2018 Conference Russia, St. Petersburg, Together with MTST 2018 Conference, September 5-8, 2018. Available from: https://www.researchgate.net/publication/349305234_Maglev_2018_-_Abstracts_of_the_24th_International_Conference_in_St_Petersburg_Russian_Federation
- Xiang X, Long Z, Liang X, Wang W-L. Study on Bogies Anti-rolling and Decoupling Characteristics of 160km/h Medium-speed Maglev Train. Abstract for The MAGLEV 2018 Conference Russia, St. Petersburg, Together with MTST 2018 Conference, September 5-8, 2018. Available from: https://www.researchgate.net/publication/349305234_Maglev_2018_-_Abstracts_of_the_24th_International_Conference_in_St_Petersburg_Russian_Federation
- Галенко А.А, Горелов А.Т., Коновалов В.В., Фиронов А.Н. Городской монорельс и модернизация Московской монорельсовой транспортной системы на основе магнитной левитации и линейного электропривода. Транспортные стратегии XXI век. – 2021. – № 46. – C. 9–18. [Galenko AA, Gorelov AT, Konovalov VV, Fironov AN. Gorodskoy monorels I modernizacia Moskovskoy monorelsovoy transportnoy systemy. Transportnye strategii XXI vek. 2021;(46):9-18. (In Russ.)]. Ссылка активна на: 17.02.2022. Доступно по: http://www.sovstrat.ru/journals/transportnaya-strategiya-21-vek/numbers/nom-trans-46-2021.html
- Вакуленко С.П., Роменский Д.Ю., Мнацаканов В.А. и др. Разработка вариантов модернизации Московской Монорельсовой Транспортной Системы. Метро и тоннели. – 2020. – № 4. – С. 28–35. [Vaqulenko SP, Romensky DY, Mnatsakanov VA, et al. Razrabotka variantov modernizatsii Moskovskoy monorelsovoy trasportnoy systemy. Metro i tonnely. 2020;(4):28-35. (In Russ.)]. Ссылка активна на: 17.02.2022. Доступно по: https://www.elibrary.ru/item.asp?id=44324240
Supplementary files
 
				
			 
					 
						 
						 
									













